Speedometer and Tachometer not working properly?

1992 GMC SIERRA
300,489 MILES • 5.7L • V8 • 4WD • AUTOMATIC
Avatar
RODJAMES
  • MEMBER
  • 25 POSTS
My speedometer gauge bounces up and down periodically and most of the time reads max speed. I’m not sure if this is normal but my rpm gauge seems to be reading a lot higher than it should. How can I fix or diagnose this?
Mar 16, 2024 at 3:03 PM
Advertisement
Avatar
STRAILER
  • CERTIFIED EXPERT
  • 53,855 POSTS
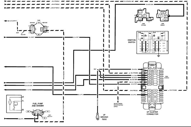
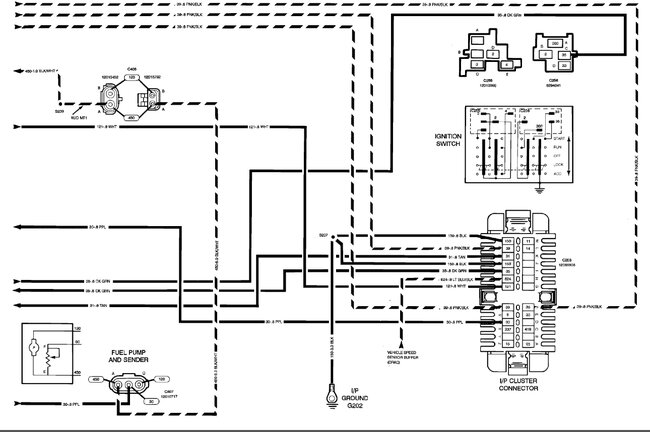
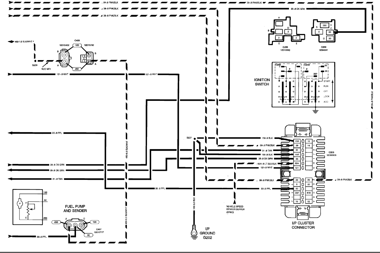
Yep, this goes wrong when the cluster is going out or the system has a bad ground. I would remove the cluster and check the wiring connectors for corrosion. The ground is the black wire which a would test with the cluster disconnected.

This guide can help:

https://www.2carpros.com/articles/how-to-use-a-test-light-circuit-tester

If the ground is good, I would try a rebuilt/used cluster. Check out the images (below). Please let us know what happens.
Mar 17, 2024 at 11:13 AM
Avatar
STRAILER
  • CERTIFIED EXPERT
  • 53,855 POSTS
Anything?
May 11, 2024 at 12:39 PM
Advertisement