Speedometer and information center don't work

2003 LINCOLN TOWN CAR
78,000 MILES
Avatar
LARGEIT
  • MEMBER
  • 1 POST
2003 Lincoln Towncar 78,000 miles, automatic. When I turn the ignition switch on the cluster does the self-check (all segments & messages lit) then the odometer milage appears for about a tenth of second .The information than turns to digital lines relaying no info. - - - - like this. The speedometer Alaloc dial and digital do not register the speed. The ABS light and brake lights stay on, and the power steering stays on minimum assist, so is heavy at low speed.

The car drives and shifts fine. The information center and odometer stays lit up but shows digital lines only and no information.

Here is what I have done and what I know.
1. The engine check light is off and there are no ODB2 Codes
2. I have changed the VSS
3. I have an OBD2 tester and can read the vehicle speed via the port.
4. The Odometer mileage does not increment (I have to video it on self check and freeze frame to read it)
5. The gas gauge and the temp gauge work
6. The problem started intermittently, where the cluster would be blank on start-up but come back after a few minutes.
7. I have checked all fuses.

I have the same problem and it's not the instrument cluster. Had a new one and the old one refurbished, and still have the same problem. The pcm stream is getting to the cluster. Haven't had time to dig into it any deeper.
Aug 11, 2013 at 6:12 PM
Advertisement
Avatar
HOTRODLINCOLN
  • MEMBER
  • 2 POSTS
2003 Lincoln Town Car 208,000 miles

I'm having the exact same problem - still intermittent, but when the speedometer isn't working, it has the same symptoms. Anyone out there have a solution yet?
Mar 22, 2017 at 2:35 PM
Avatar
STRAILER
  • CERTIFIED EXPERT
  • 53,854 POSTS
Hello,

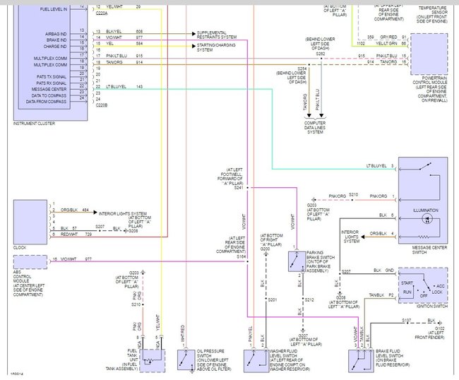
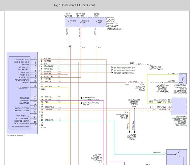
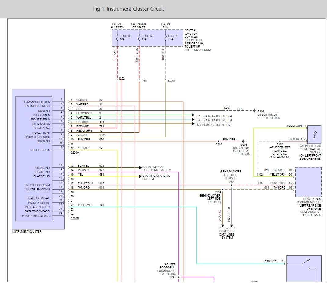
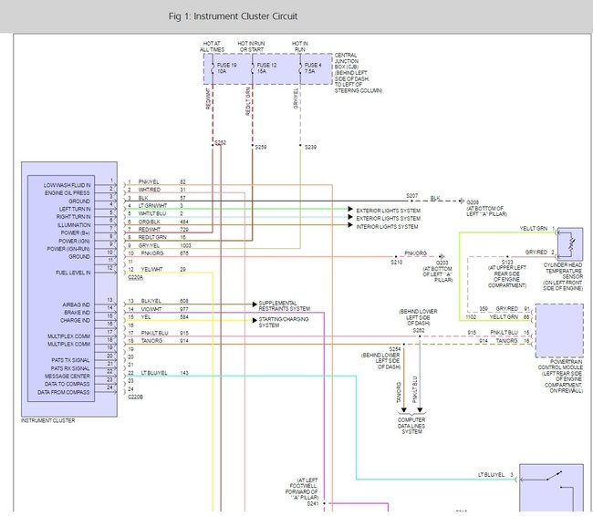
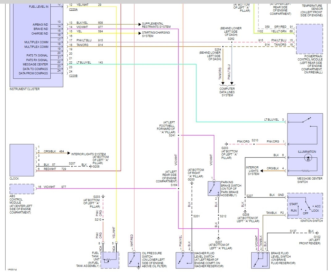
The cluster odometer and etc is run by the ECM. When the ECM goes out it stops giving info. Here is a wiring diagram that shows how the circuit is wired.

Chances are the ECM needs to be replaced.

Please let us know what happens.

Best, Ken
Mar 27, 2017 at 2:38 PM
Advertisement