Okay, great.
I attached the description for each of these DTCs. The P03## codes are all misfires so these do not have anything to do with the cluster/gauge issues.
The P0545 is about the AC Clutch circuit so again, this does not have anything to do with the issues you asked about.
I wonder if these are Stored meaning they are old and just never got erased. However, if you have issues with the AC and a misfire, I attached some resources to help you address those.
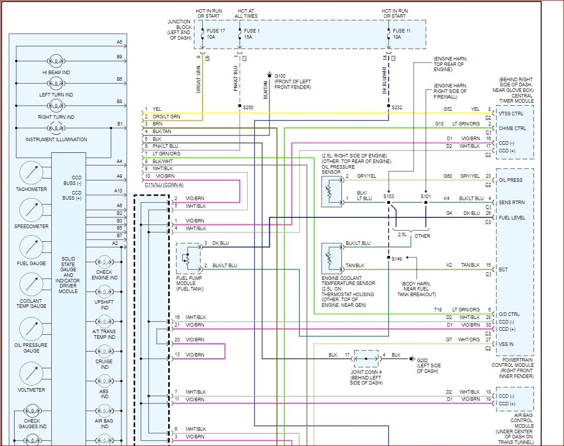
That leaves the P0500. This DTC is saying that there is no vehicle speeds sensor signal which will cause the speedometer to not work.
Even though you have this wheel speed sensor signal DTC it does not explain why all the other gauges are not working. This would support my earlier assessment that it appears the cluster itself is the issue.
Hopefully this info helps. If you would provide a little more history about this vehicle it can help figure this out. Did this issue just appear or were there parts replaced and then this issue with the cluster presented itself? What lead up to these issues with the cluster?
https://www.2carpros.com/articles/abs-wheel-speed-sensor-test
https://www.2carpros.com/articles/engine-misfires-or-runs-rough
https://www.2carpros.com/articles/engine-vibration-at-idle
Images (Click to enlarge)
Apr 10, 2019 at 4:07 PM