The speedometer will roll up to 40 mph faster than the truck is accelerating, and will not go past 40 mph?

1998 NISSAN FRONTIER
240,000 MILES • 2.4L • 4 CYL • 2WD • MANUAL
Avatar
WINGNUT74
  • MEMBER
  • 14 POSTS
No other check engine lights, all other gauges seem to be working normally. Just the issue with the speedometer indication. I replaced the Vehicle Speed Sensor on the side of the manual transmission with no change in the speedometer working properly. I have removed the cluster and will be taking it to a Speedometer overhaul/repair shop to have it bench tested and check for faults. I will update as to if that helps, But I would like to know what else is inputs into the system that could give a bad signal to the speedometer. Do the ABS sensors play into this or is it the signal from the VSS on the trans, to the ECU then directly to the motors to drive the indicator needle. Any appropriate wiring diagrams or system schematics would be helpful for troubleshooting. Also, are there any common failures on the speedometer circuit board like resistor or chips that would cause this.
May 7, 2023 at 2:25 PM
Advertisement
Avatar
STRAILER
  • CERTIFIED EXPERT
  • 53,854 POSTS
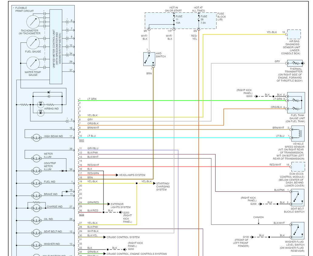
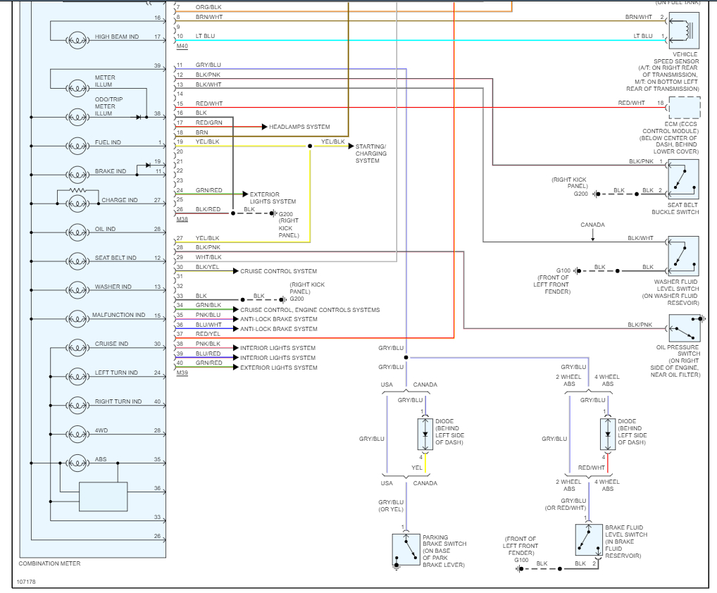
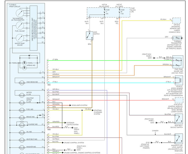
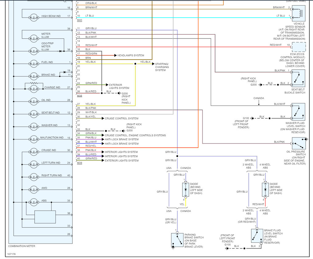
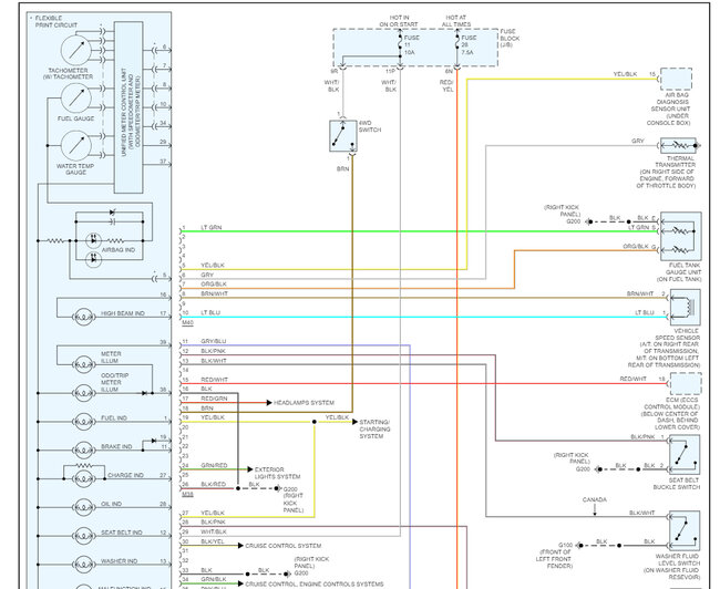
The ABS does not play into the speedometer reading like on newer cars, the speedometer gets its signal from the VSS directly, here are the wiring diagrams so you can test the connections before the cluster gets rebuilt.

https://www.2carpros.com/articles/how-to-check-wiring

Check out the images (below). Please let us know what happens.
May 8, 2023 at 11:19 AM
Avatar
WINGNUT74
  • MEMBER
  • 14 POSTS
The wiring checked out okay, so I took my instrument cluster to a shop to be diagnosed. I was told there were some issues on the Circuit board, and they were not able to fix them well enough for their liking. The cluster ended up being sent out to another shop out of state that I'm told has the original Nissan equipment to overhaul it and reprogram it to OEM standards. I will update again when it comes back and post their findings so other members with similar issues may know as well, and possibly give the business details to send parts to them directly to be repaired.
May 12, 2023 at 8:53 PM
Advertisement
Avatar
STRAILER
  • CERTIFIED EXPERT
  • 53,854 POSTS
Sounds good, That should fix the problem. Thanks for letting us know, we are here to help, please use 2CarPros anytime.
May 13, 2023 at 10:27 AM
Avatar
WINGNUT74
  • MEMBER
  • 14 POSTS
I was able to get my speedometer fixed. I'm told the large Microchip on the back of the speedometer goes bad somehow. Not sure if it's a connection or chip issue, or a problem with the digital files stored on the chip. There is a Nissan specialty shop in Virginia that can repair this problem, as my speedometer was removed from the cluster and a repaired as it was purchased off them and then installed into my original cluster. The original unit is sent back to the Nissan shop as a core swap with charges, to be repaired and made available for parts purchase. That same shop was also able to program the mileage my original unit displayed. I wish I had the name of the Nissan Shop that my parts were ordered from so I could post it here, but I was not given those details, as my 1yr warranty is through the shop I took my cluster to for repairs. In all, my cluster costs me 380$ to be evaluated, swapped out and handled with the specialist shop, reinstalled and bench tested. Previously I replaced the Vehicle Speed Sensor on the left rear side of the transmission (5 speed manual) with that not helping in the repair. I was also informed this is a very common issue with the Nissan clusters of those years over a couple of different vehicle models, as they all used the same gauges. I'm not sure it helps, but I was told that the information to the side gauges, gas, temp, rpm, etc. all go through that speedometer large chip before the various signals are sent out to those gauges. My side gauges were all working fine, but the speedometer would not indicate over 40mph with no check engine lights illuminated. The shop that I took my cluster to is a very reputable business in the Houston, Tx area, So I don't feel I got taken advantage of, it's just a matter of market supply and demand pricing with older components.
May 20, 2023 at 11:26 PM
Avatar
STRAILER
  • CERTIFIED EXPERT
  • 53,854 POSTS
Thanks for letting us know, we are here to help, please use 2CarPros anytime.
May 21, 2023 at 11:38 AM