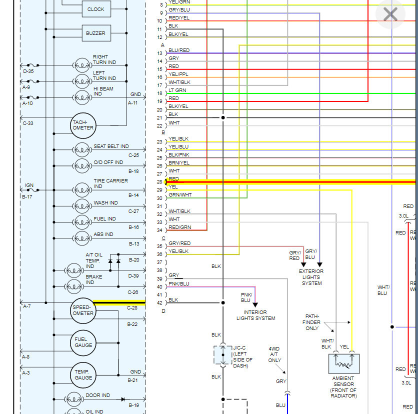
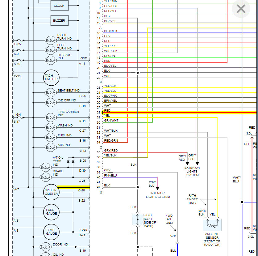
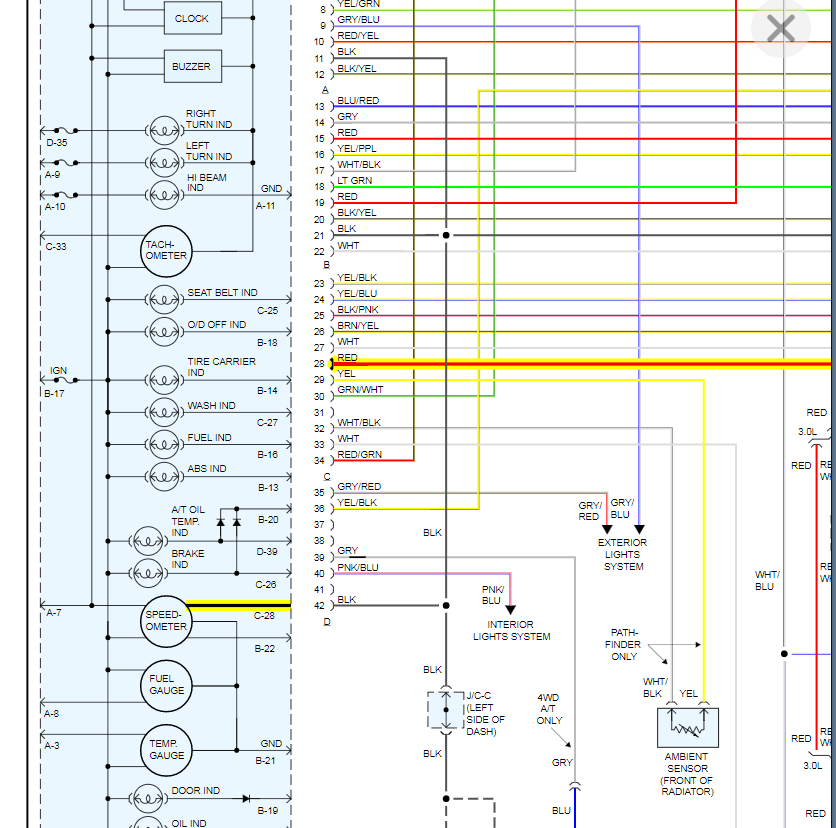
Sometimes my speedometer will respond when I start driving sometimes not. I found out that if I push the odometer zero button in it will either respond immediately or within the next few seconds or minutes this can also sometimes make the engine light go out if it was on.
Aug 26, 2020 at 7:37 AM

