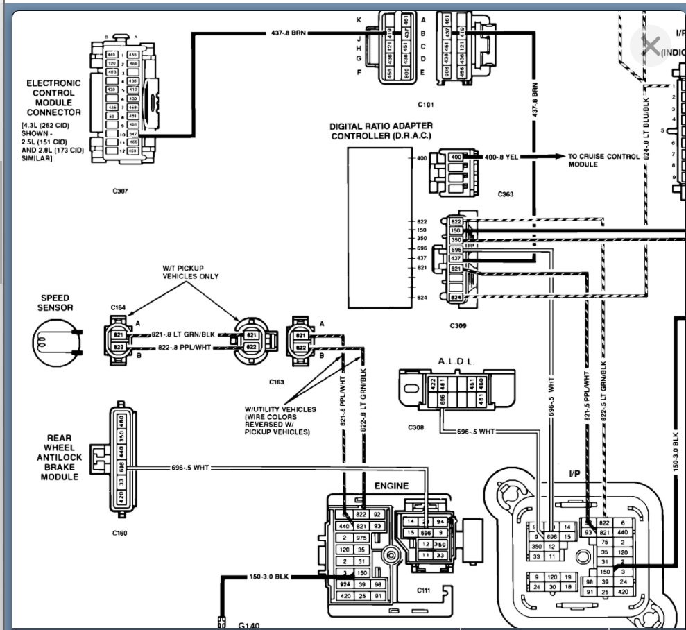
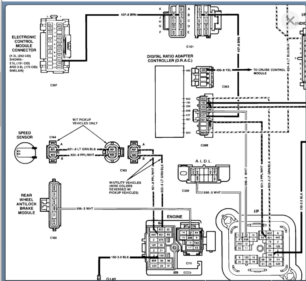
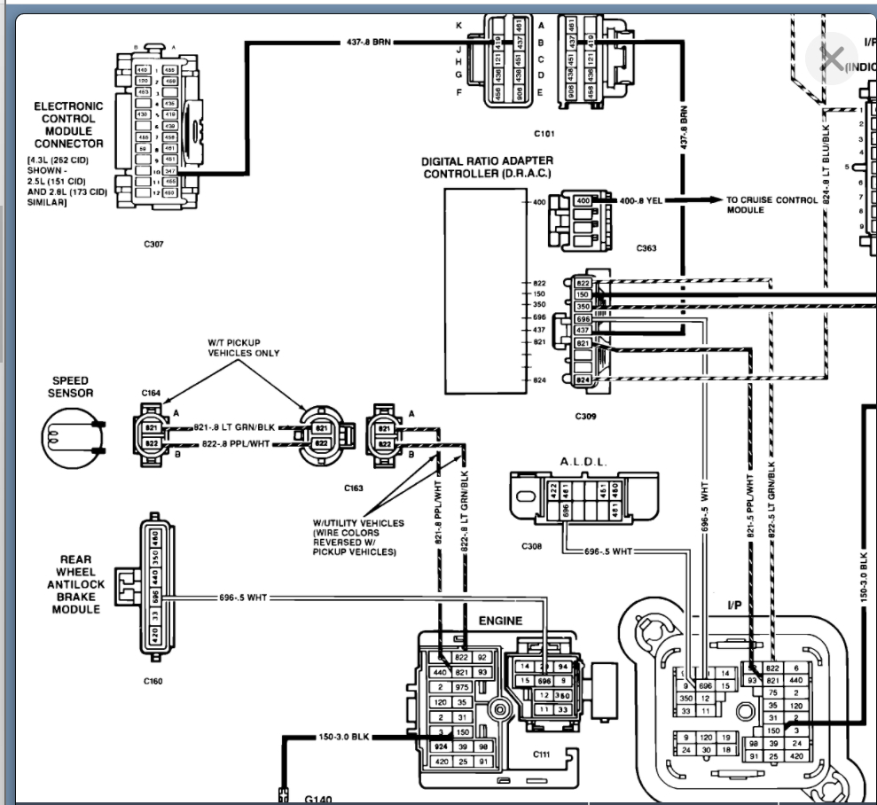
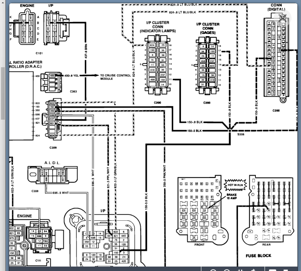
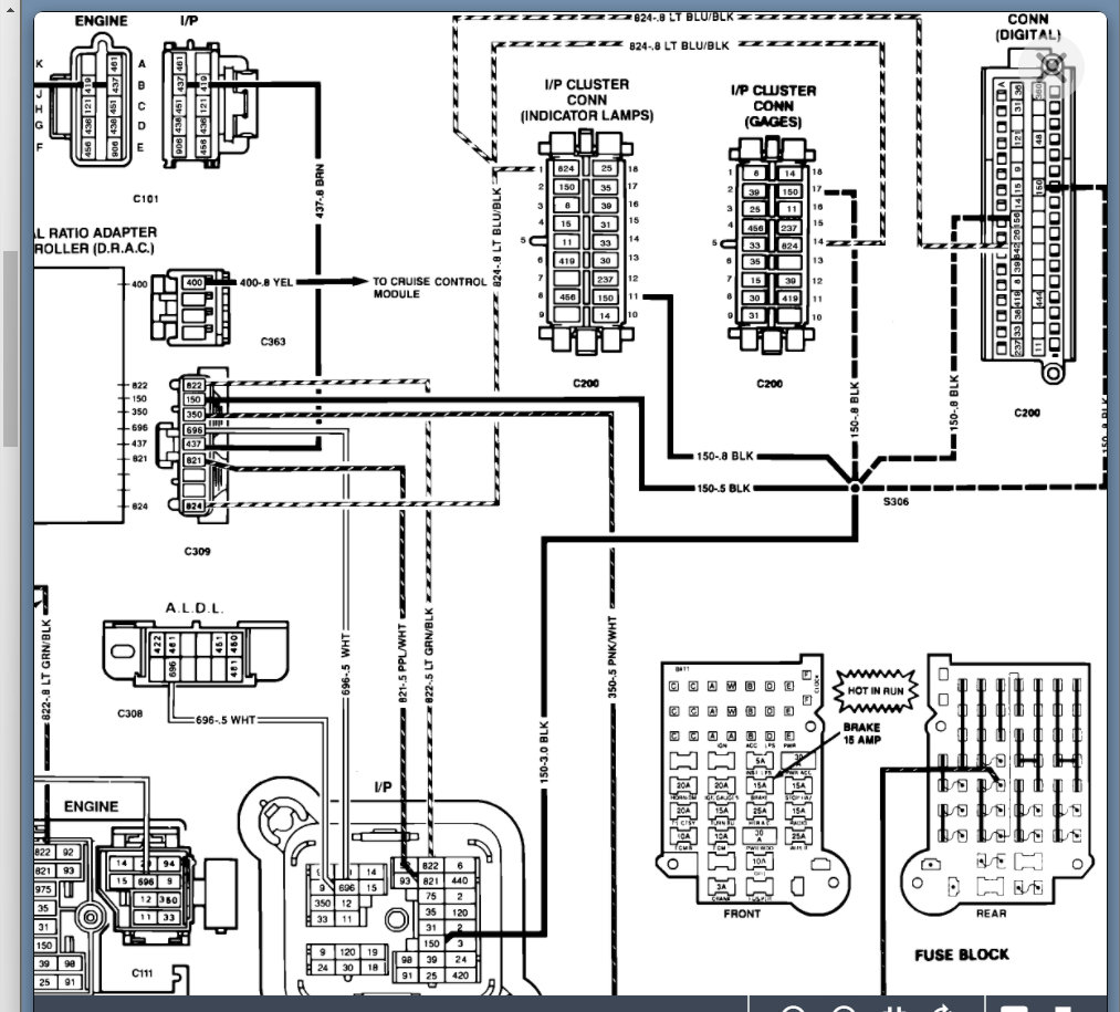
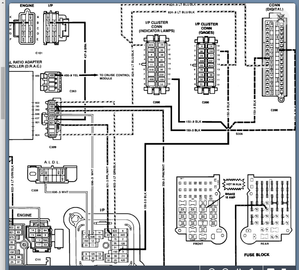
I had to put analog cluster in until i find someone to fix digital for decent price and speedo on analog does not work, but cruise works. I can't seem to fond schematic for that circuit, I hooked speedo input wire from digital harness to pin 14 but still no response.I am a retired master Nissan technician and usually pretty fair at electrical but without diagram and not much gm experience Im kindof at dead end.
Oct 26, 2021 at 4:13 PM




