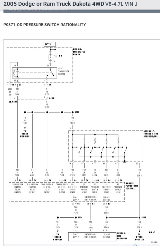
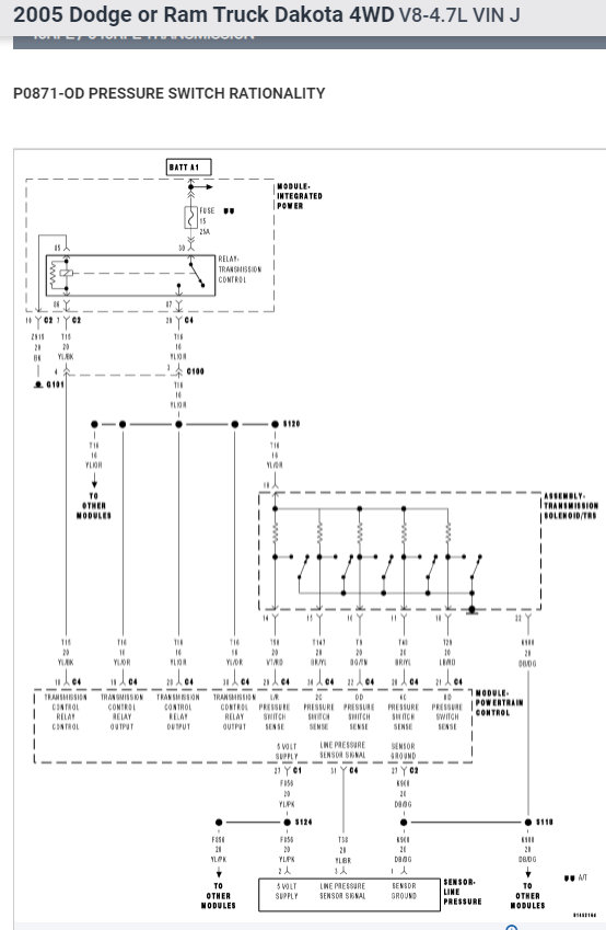
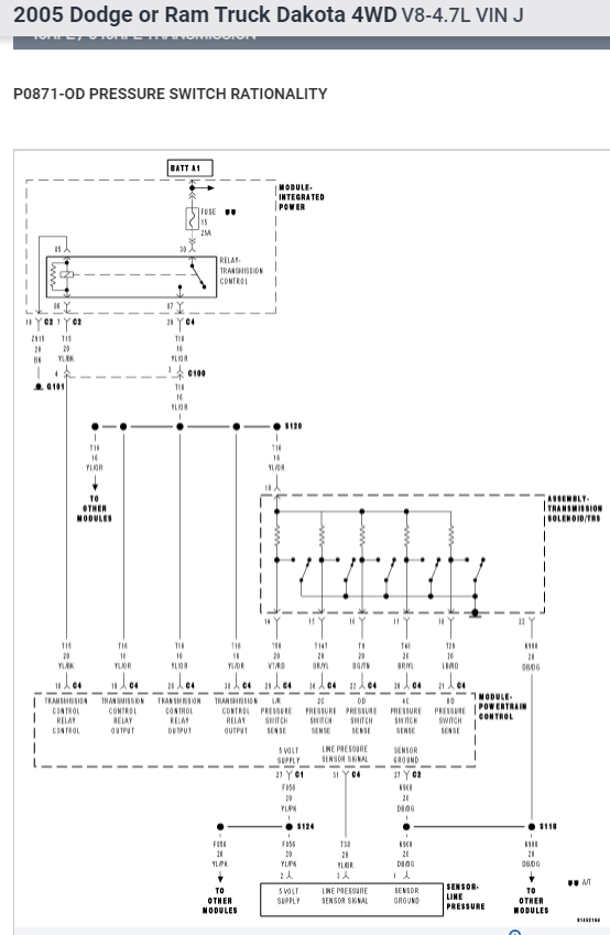
Vehicle listed above has a 4.7 v8. Told to change the transmission speed sensor. Where is it located and is there more than one to change? It's to fix shift and harsh jerking problem.
Dec 11, 2021 at 12:44 PM














