Where is the Speed sensor located?

2007 INFINITI G35
190,000 MILES • 3.5L • V6 • 2WD • AUTOMATIC
Avatar
DEANGELOSMITH
  • MEMBER
  • 20 POSTS
Good day, just wanted to know where i can find the speed sensor on my car.
Jul 24, 2025 at 12:17 PM
Advertisement
Avatar
STEVE W.
  • CERTIFIED EXPERT
  • 15,113 POSTS
Which one? There are speed sensors at each wheel and 2 inside the transmission. What is the issue you have? That would let us narrow down which one is involved. For instance, an ABS problem or the speedometer isn't working or?
Jul 24, 2025 at 12:45 PM
Avatar
DEANGELOSMITH
  • MEMBER
  • 20 POSTS
Thank you for the reply. I'm experiencing trouble late shifting struggles to get out of 1st gear and entering 5th gear when it does shift it's very rough. Also, I'm not able to go into sport mode. The code what I'm getting is P0720.
Jul 24, 2025 at 3:08 PM
Advertisement
Avatar
STEVE W.
  • CERTIFIED EXPERT
  • 15,113 POSTS
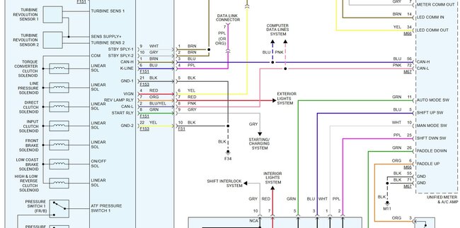
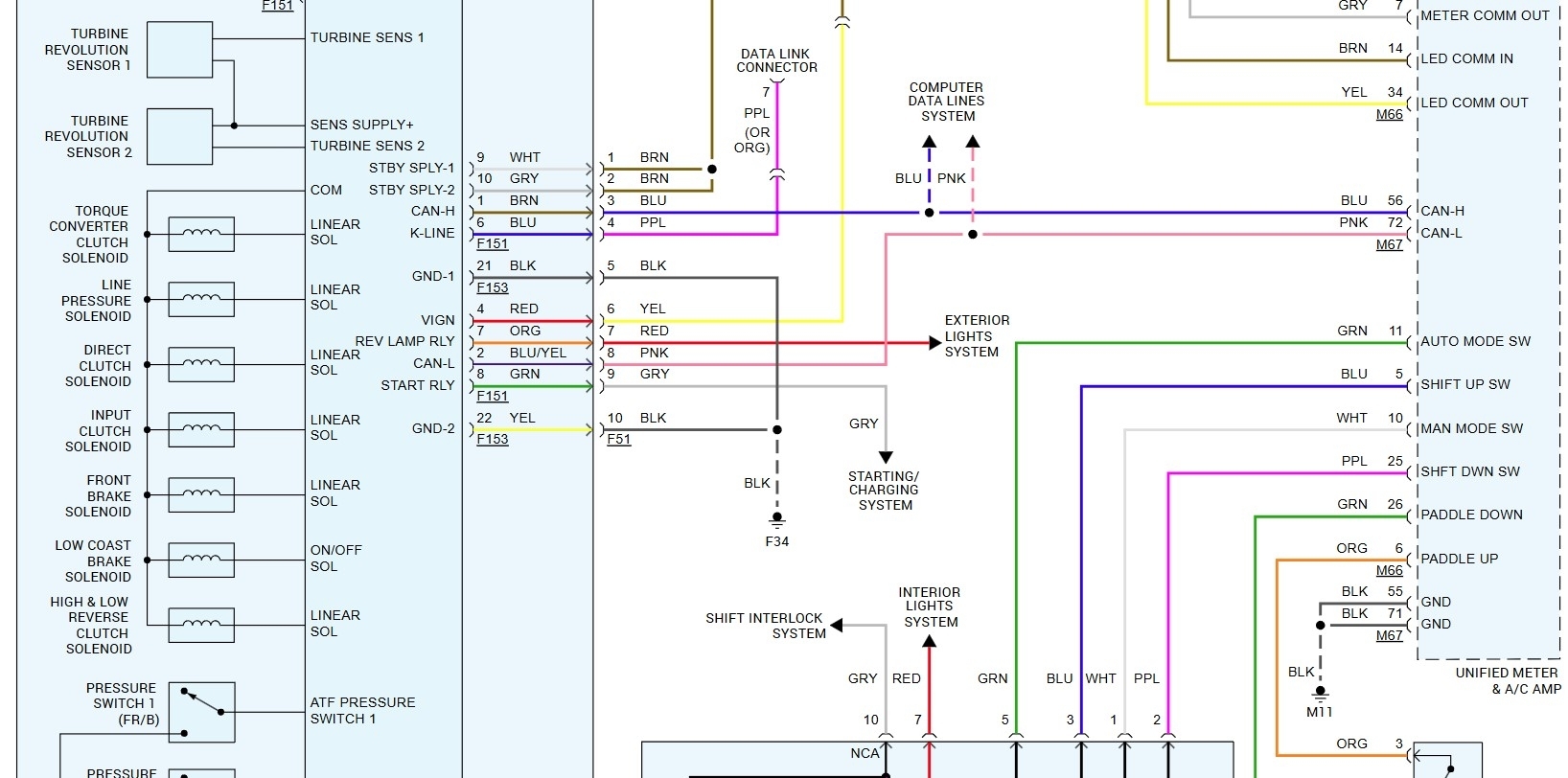
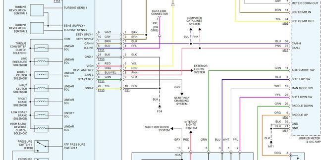
Okay, the P0720 is a code for the "revolution sensor" circuit. This is the sensor that is in the rear of the transmission with a cable that runs in the case. It is a circuit code which means it could be the sensor or that the harness to the transmission is damaged. To get to it you drain the transmission fluid out, then remove the driveshaft. Then to get to the sensor you remove the tail shaft housing, and the transmission pan the sensor harness is in there.
However, I would check the harness that runs from the transmission up to the powertrain control module. It would be an open circuit which would be a cut or rubbed through wire. If no damage is found in the harness, then the transmission will need to be opened, and the wiring checked in it. All of the control parts are inside the transmission and the sensor is in series with the shift sensor and the TCM.
Jul 24, 2025 at 6:15 PM
Avatar
DEANGELOSMITH
  • MEMBER
  • 20 POSTS
Thank you for taking the time to give such a detailed explanation you're a lifesaver.
Jul 26, 2025 at 1:23 PM
Avatar
STEVE W.
  • CERTIFIED EXPERT
  • 15,113 POSTS
If you need more info we will be here. Those can get involved when you start looking for issues.
Jul 26, 2025 at 4:35 PM