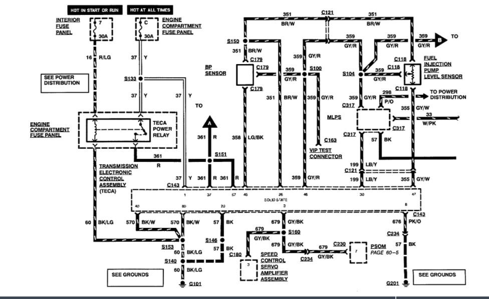
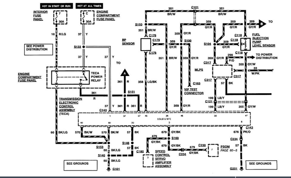
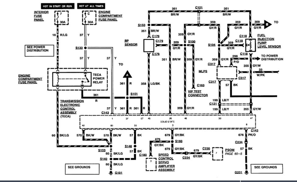
My transmission has been recently rebuilt. The mechanic and I are both having issues trying to figure out why it will not shift out of first gear properly. The throttle position sensor and the tachometer sensor have both been replaced. I need a diagram of the transmission control module. Any ideas on what to troubleshoot now?
Update: just realized I put F-350. My mistake. It is an E-350.
Update: just realized I put F-350. My mistake. It is an E-350.
Mar 31, 2021 at 8:44 PM



