Speed pulse signal wire VSS

2000 TOYOTA LANDCRUISER
106,000 MILES • 4.7L • V8 • 4WD • AUTOMATIC
Avatar
TONY COLLETT
  • MEMBER
  • 7 POSTS
Where can I connect to the VSS speed pulse signal wire and how to identify it?
Jul 14, 2019 at 2:25 PM
Advertisement
Avatar
KASEKENNY
  • CERTIFIED EXPERT
  • 18,907 POSTS
Hi Tony,

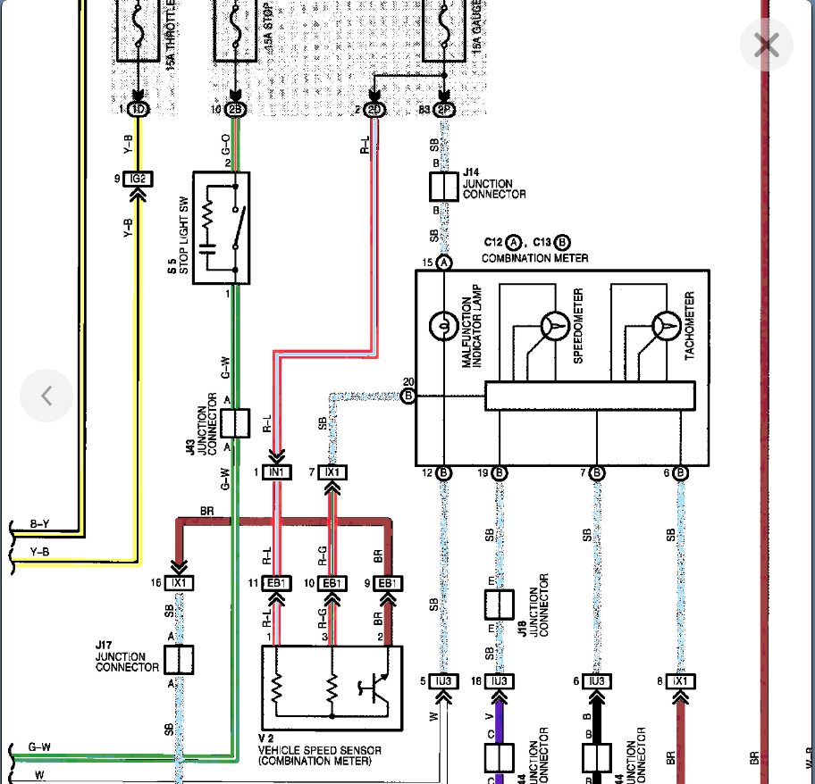
I assume you are talking about the vehicle speed sensor on the transmission and transfer case? If so, here is the information you will need. However, in order to monitor these with something other than a scan tool, you will need a lab-scope. These produce a square wave form and then the combination meter sends this to the ECM.

The Red Green wire coming from the sensor is the signal wire.

Let me know if you need more information. Thanks
Jul 14, 2019 at 6:13 PM
Avatar
TONY COLLETT
  • MEMBER
  • 7 POSTS
I assume this is a red wire with a green stripe? And that it runs into the ECM? I also need to know where I can connect a wire to the parking brake signal & what color the wire will be? Thanks for your help I’ll try the VSS ASAP.
Jul 14, 2019 at 6:29 PM
Advertisement
Avatar
KASEKENNY
  • CERTIFIED EXPERT
  • 18,907 POSTS
I attached the wiring diagram for the park brake switch. You have your choice of place to inspect this because it looks like it runs through three intermediate connectors and changes color a couple times.
Jul 14, 2019 at 6:44 PM
Avatar
TONY COLLETT
  • MEMBER
  • 7 POSTS
I’m not finding a red wire with a green stripe plugged into the ECM. Where is the combination meter mounted?
Jul 14, 2019 at 6:48 PM
Avatar
TONY COLLETT
  • MEMBER
  • 7 POSTS
I do have a red wire with silver stripe and multiple red wires with black stripes.
Jul 14, 2019 at 6:56 PM
Avatar
KASEKENNY
  • CERTIFIED EXPERT
  • 18,907 POSTS
Sorry for the confusion. According to the wiring diagram attached above the red green wire is a feed in to the combination meter not the PCM. If you are looking at the PCM, the No. 2 speed sensor in the description attached prior goes to the PCM. Looks like they are a red wire in pin 5 of the PCM and the green wire in pin 11 of the PCM.

Also the combination meter is another term for the cluster. It is a combination of meters.
Jul 14, 2019 at 7:34 PM
Avatar
TONY COLLETT
  • MEMBER
  • 7 POSTS
I wonder if it matters if I connect to the red or the green wire. I also have not found any of the pin numbers on my ECM plugs. I’ve searched them several times with a magnifying glass.
Jul 14, 2019 at 8:06 PM
Avatar
KASEKENNY
  • CERTIFIED EXPERT
  • 18,907 POSTS
Yes. You should be able to connector to either because I suspect the number will be the same just a positive or negative depending on which one you connected too.

Here is a pin chart of the ECM connectors. This is looking at the connector so the numbers just go right to left.
Jul 15, 2019 at 7:35 PM
Avatar
TONY COLLETT
  • MEMBER
  • 7 POSTS
Which PCM Terminal Connector? Is it E9 or which one?
Jul 18, 2019 at 9:59 AM
Avatar
KASEKENNY
  • CERTIFIED EXPERT
  • 18,907 POSTS
Unfortunately, they do not give us pin break downs on this. However, according to the wiring diagrams the speed sensor is on E7 pin 5 and 11.

If you look at the first attachment of the wiring diagram I gave before, you will see in the lower right hand corner of the ECM it says E7.
Jul 18, 2019 at 7:53 PM
Avatar
TONY COLLETT
  • MEMBER
  • 7 POSTS
Wanted to let you know that I got that Head Unit connected & working this weekend based on the info & drawings you shared with me. Thanks for the help. I couldn't have done it without you.
Jul 22, 2019 at 7:01 AM
Avatar
KASEKENNY
  • CERTIFIED EXPERT
  • 18,907 POSTS
Awesome. Thanks for the update. Thanks for using 2CarPros. Tell a friend or two!
Jul 22, 2019 at 11:35 AM