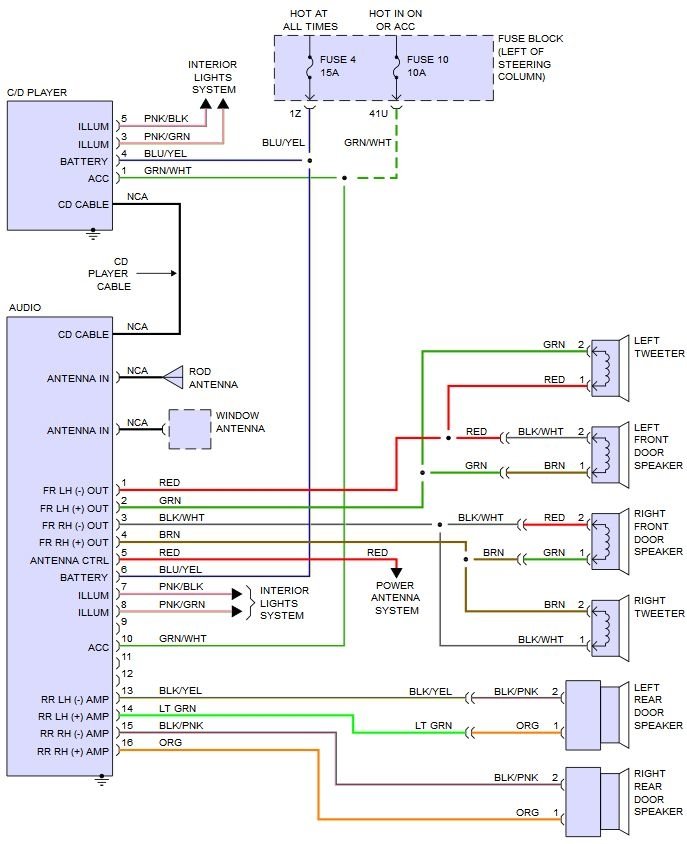
Well looking at the wiring for both the base and up-level units it appears that the tweeters are powered from the same circuit as the front speakers, if you have an amp or not.
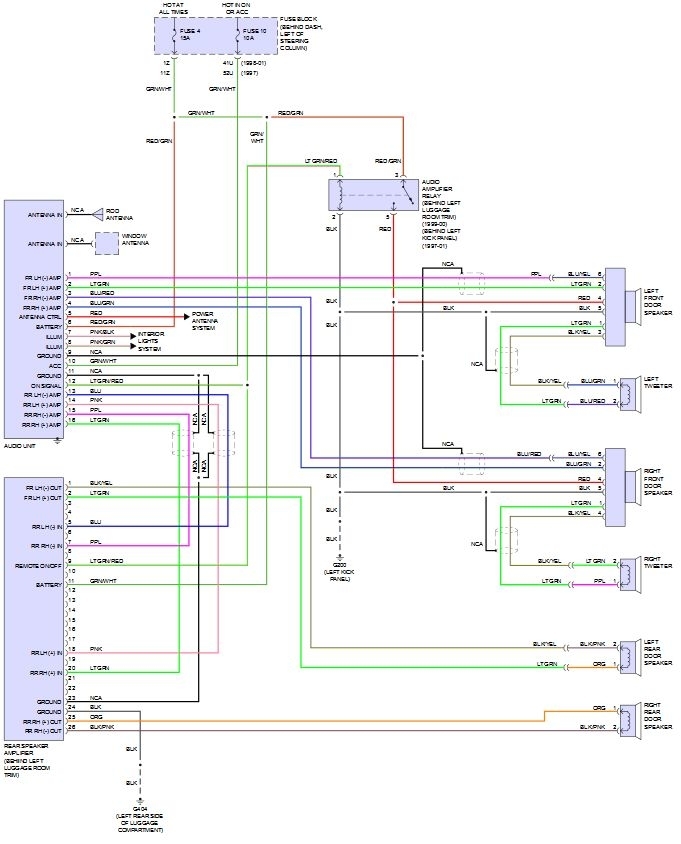
In the up-level version the rears have an amp and each front speaker has it's own amp.
They are all fed from the same fuse as the radio. It's possible that the wire that feeds the amps is broken though. It looks like the splice is in the Green with White wire coming from the fuse panel.
It's also possible that the remote on signal isn't turning the amps on. A way to see if that is the case and to test if the splice has failed would be to locate the remote amp relay shown on the uplevel picture. It's either behind the left front kick panel or in the rear behind the trim. Remove it and use a test light to see if there is 12 volts at the Red wire with Green stripe.
If there is no power there the splice is likely the problem. If you have power there put a jumper wire between that wire and the red wire. If the front speakers now work the issue is in the remote turn on feed.
To test that you could take a volt meter and test if there is voltage on the other two wires at that amp relay. No voltage and either the rear amp has shorted or more likely the head unit has a problem.
Images (Click to enlarge)
Jan 25, 2017 at 4:37 PM