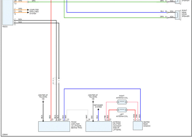
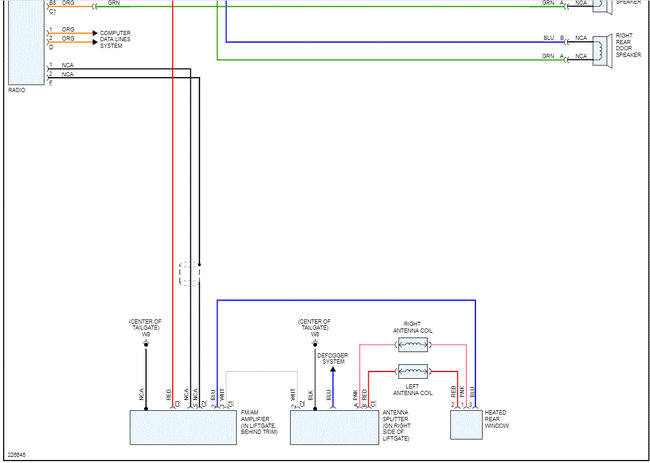
Wiring diagram for speakers

2005 MERCEDES BENZ ML350
100,000 MILES • V8 • 4WD • AUTOMATIC
Avatar
CHOMP
  • MEMBER
  • 1 POST
color code for speakers.
Apr 22, 2020 at 1:00 AM
Advertisement
Avatar
JACOBANDNICKOLAS
  • CERTIFIED EXPERT
  • 110,175 POSTS
Hi,

Are you looking for wiring info?

I attached four pics below. They were actually two pages, but I cut them in half to make them readable. The first two are page 1. The second two are page two. They both indicate wiring color to speakers. I hope this is what you meant.

Let me know if this helps.

Joe
Apr 22, 2020 at 9:01 AM