Speaker wiring diagrams please?

2016 CHEVROLET SUBURBAN
40,000 MILES • 5.3L • V8 • 4WD • AUTOMATIC
Avatar
CHEVYRIDER1196
  • MEMBER
  • 1 POST
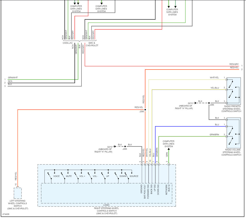
I have the vehicle listed above LS non-Bose, no factory amp. I have installed 2 factory A pillar dash speakers, 4 aftermarket door speakers, and 2 aftermarket 3.5 2way D pillar speakers, an aftermarket 3700watt 5 channel amp. My problem is that I cannot get the rear door speakers and D pillars to play In sync with the A pillars and the front speakers, Front speakers play will while the rare speakers play at a very low volume, And the balance is all out of whack, I've tried many different configurations on the amp wiring the speakers but it's always the same, No real balance. I'm wondering if the 2016 suburban speaker system is wired for surround sound, PS I wired the deep pillar speakers there was no existing wiring for them, But there is like a 6 wire plug back there I don't know if that's for the factory amp or for the d pillar speakers, So I'm looking for you to post a speaker wiring diagram.
Apr 17, 2023 at 7:43 AM
Advertisement
Avatar
STRAILER
  • CERTIFIED EXPERT
  • 53,855 POSTS
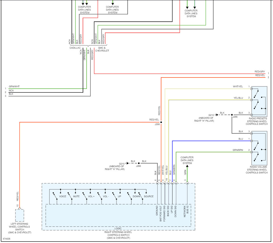
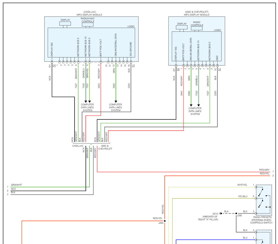
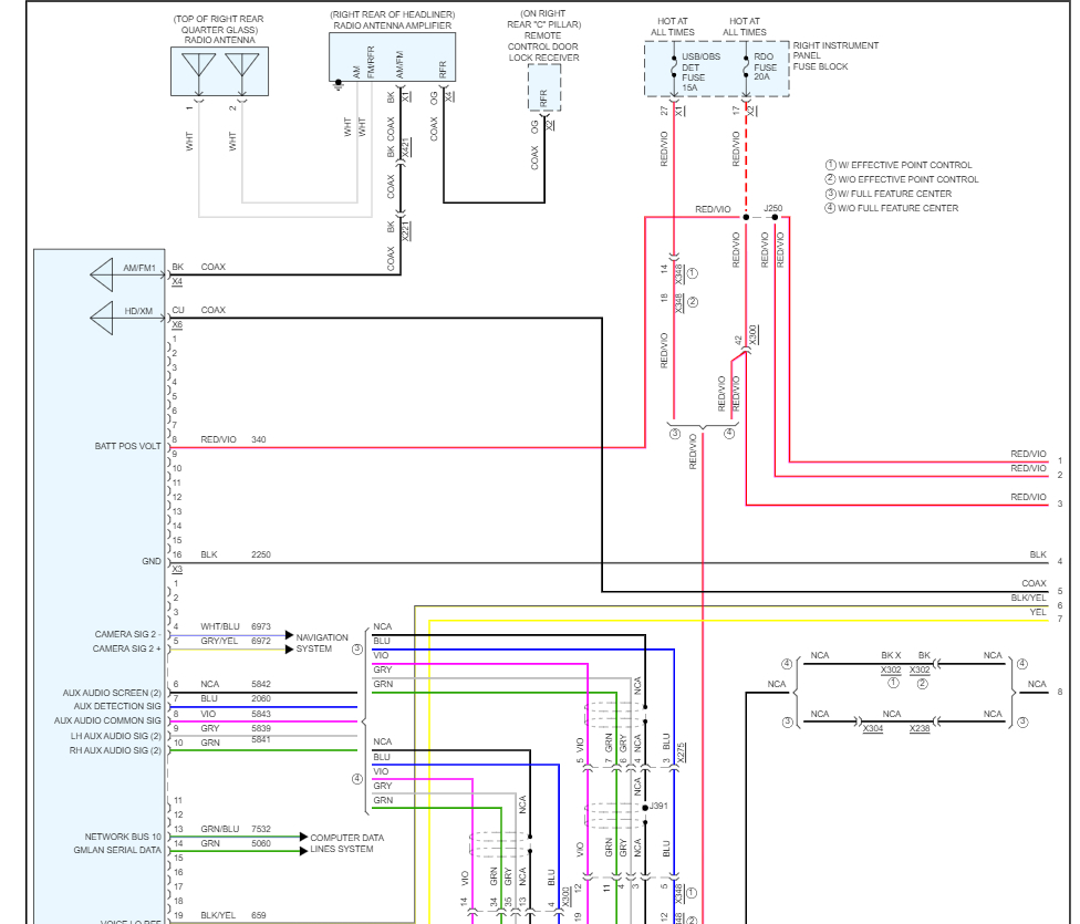
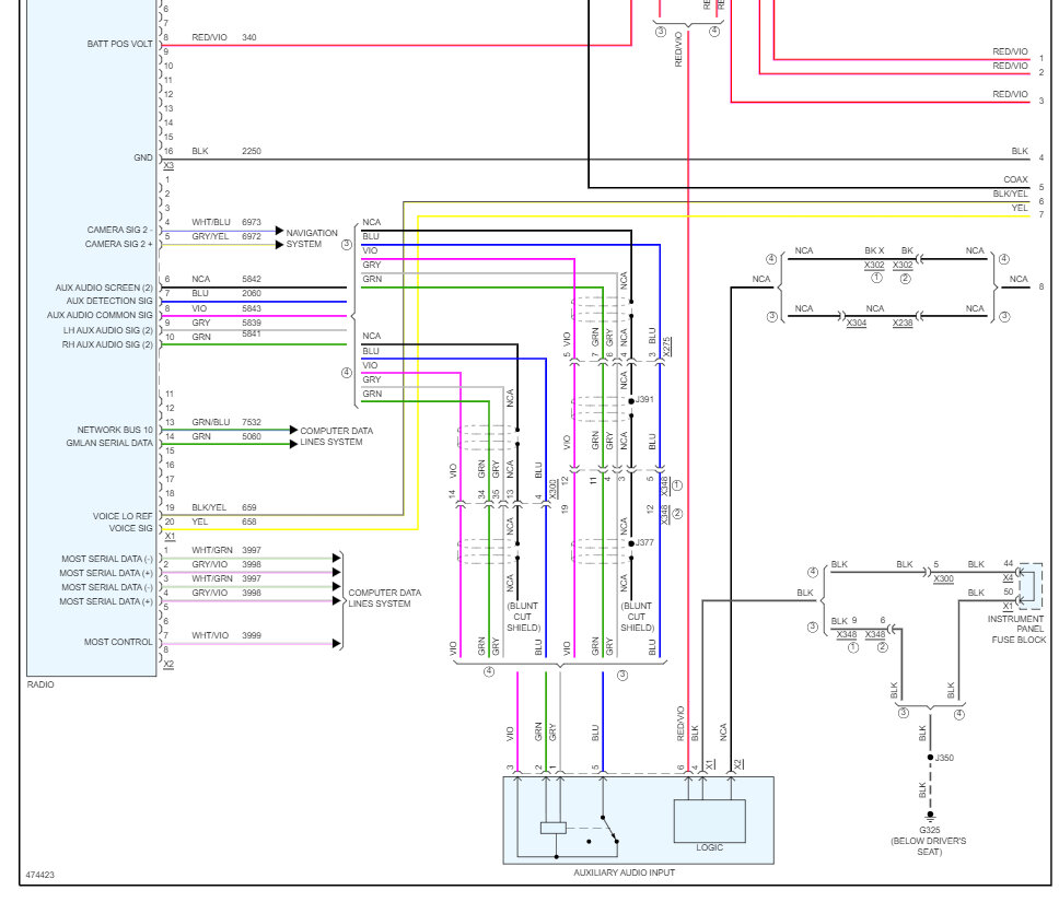
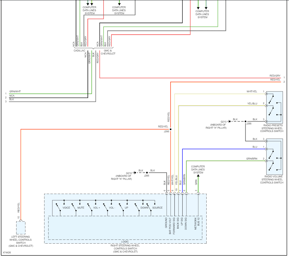
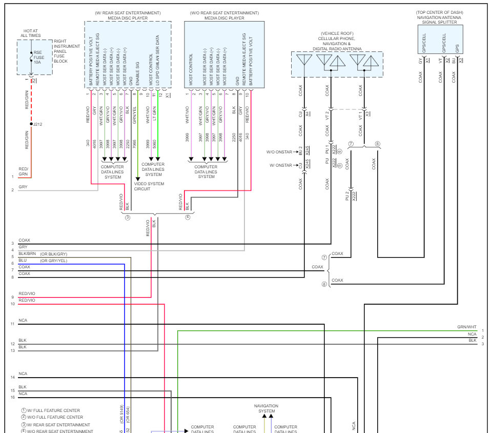
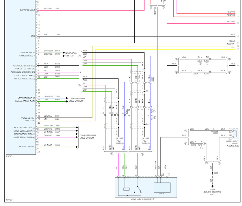
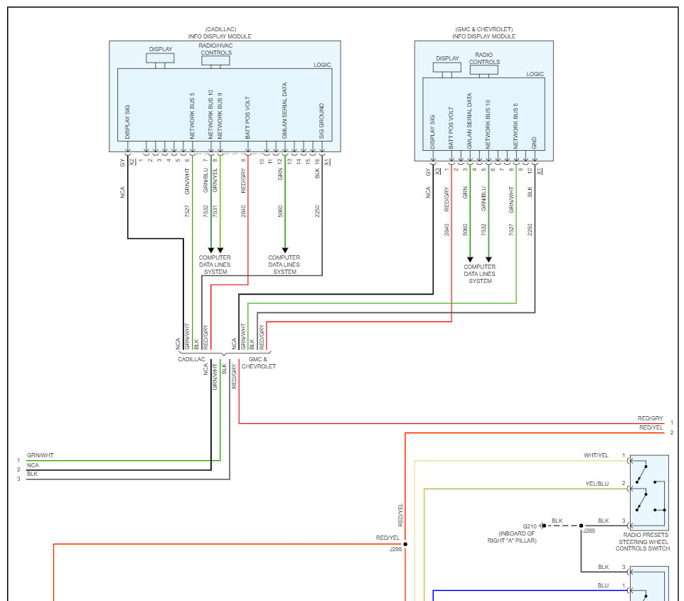
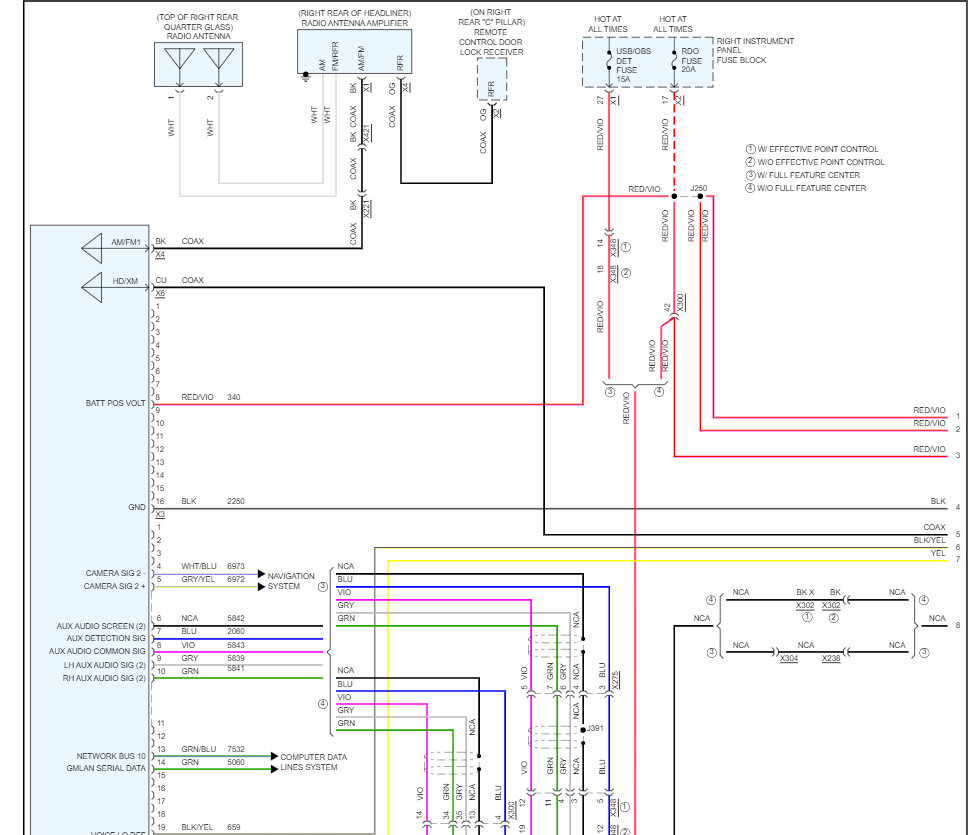
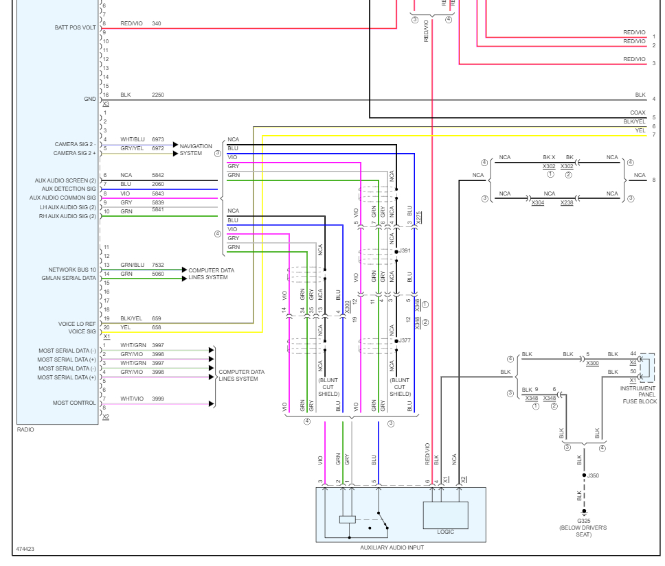
Sure, here is the radio and speaker wiring diagrams so you can see how the system works and I have included a guide to help you test the connections.

https://www.2carpros.com/articles/how-to-check-wiring

Check out the images (below). Please let us know if you need anything else to get the problem fixed.
Apr 17, 2023 at 1:13 PM