Speaker wire color diagram needed

2005 DODGE CARAVAN
193,000 MILES • 3.3L • V6 • 2WD • AUTOMATIC
Avatar
ROBERTKANE05
  • MEMBER
  • 1 POST
I installed an aftermarket stereo and speakers. My issue is trying to figure out the positive and negative of each speaker wire. My van has two dash and 4 door speakers. I'm going to be adding amplifiers, so just would like to make sure all wires are in the correct phase.
Jan 15, 2022 at 4:19 PM
Advertisement
Avatar
SQM
  • CERTIFIED EXPERT
  • 6,383 POSTS
Hello,

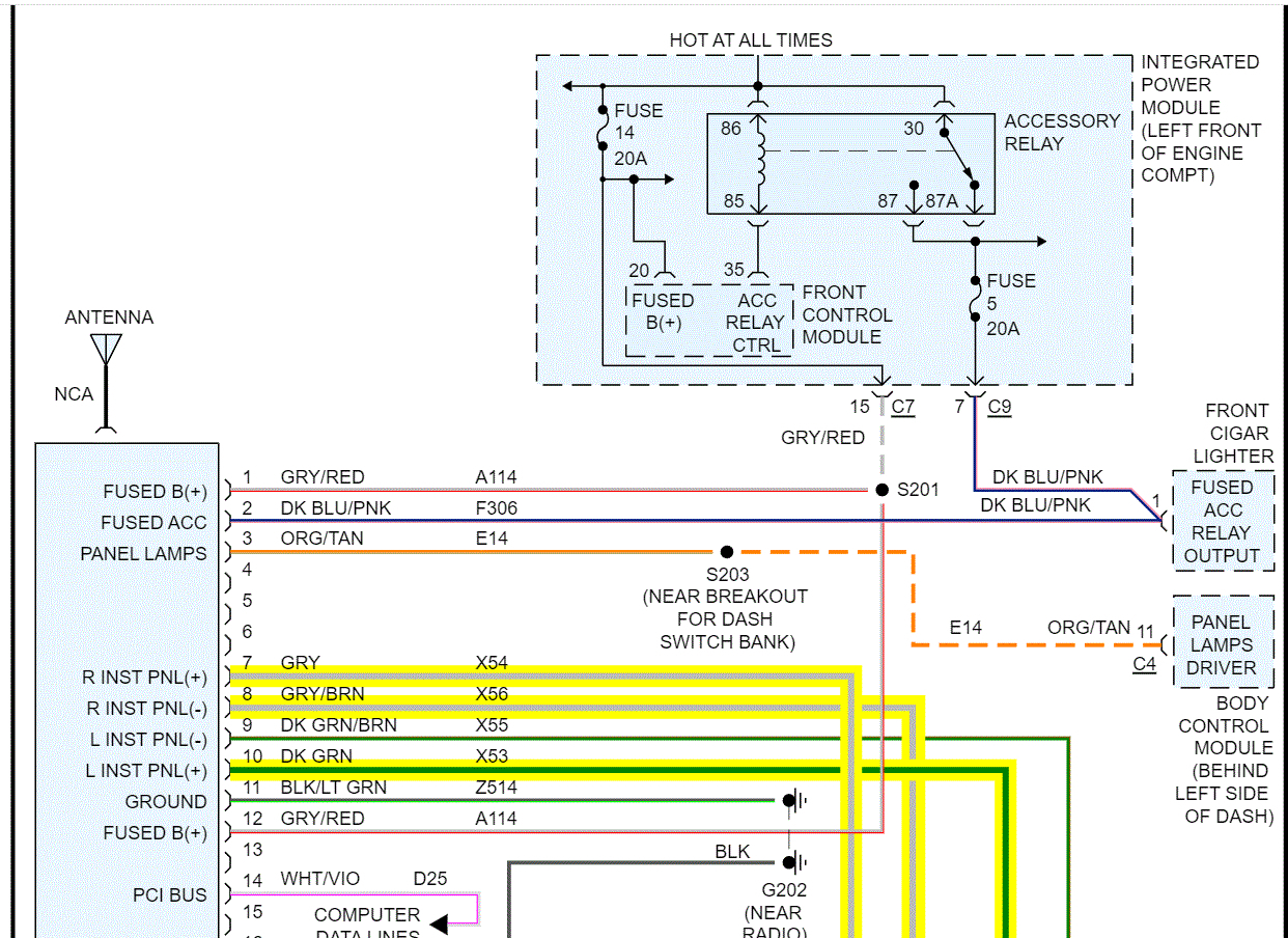
I have attached the pinout for each speaker below.
It shows the positive and negative and the color of the wires.

Please let me know if you have any questions.
Thank you.

https://www.2carpros.com/articles/how-to-check-wiring
Jan 15, 2022 at 5:40 PM
Avatar
JACOBANDNICKOLAS
  • CERTIFIED EXPERT
  • 110,175 POSTS
Hi,

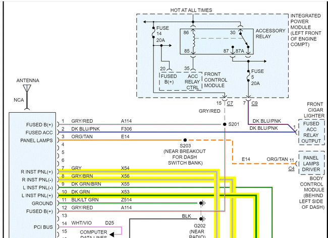
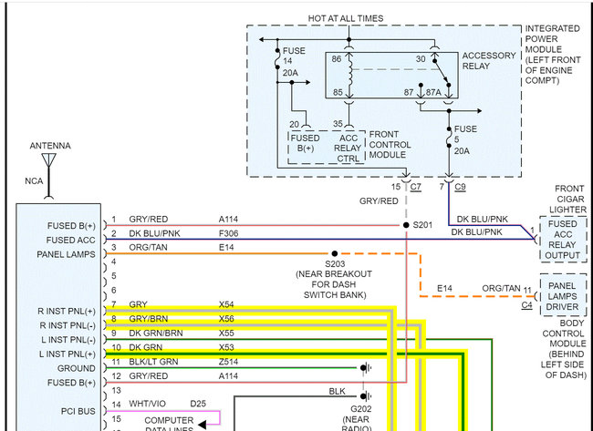
If you look below, I attached the wiring schematic for the basic stereo that came with the vehicle. I highlighted all wires related to the speakers.

If you follow them back to where they would attach to the back of the radio, you will see which are negative and which are positive. Also, the wire colors are included in the schematic, so you know which wire is which.

Let me know if this helps or if you have other questions.

Take care,

Joe

See pics below. Note: I had to cut the schematic in half to make it readable for you. I did overlap the two so you can follow from one to the next.

Jan 15, 2022 at 5:47 PM
Advertisement