Does not start

2000 HONDA PRELUDE
235,400 MILES • 4 CYL • 2WD • MANUAL
Avatar
JAKE TOWER
  • MEMBER
  • 1 POST
I bought the car it needed an alternator so I replaced the alternator. went to go start it didn’t fire. checked spark, sparks twice then stops. change the cap and rotor. Still nothing. then I changed the distributor and same thing. changed my coil and still the same thing.I don’t know what to do.
Feb 27, 2019 at 5:56 PM
Advertisement
Avatar
SCGRANTURISMO
  • CERTIFIED EXPERT
  • 4,897 POSTS
Hello,

This could be a problem with your Crankshaft Position Sensor (CKP). I have included a few links for you below.

https://www.2carpros.com/articles/how-a-crank-shaft-angle-sensor-works
https://www.2carpros.com/articles/symptoms-of-a-bad-crankshaft-sensor
https://www.2carpros.com/articles/crankshaft-angle-sensor-replacement

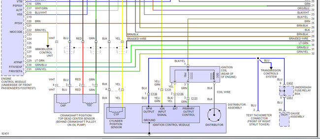
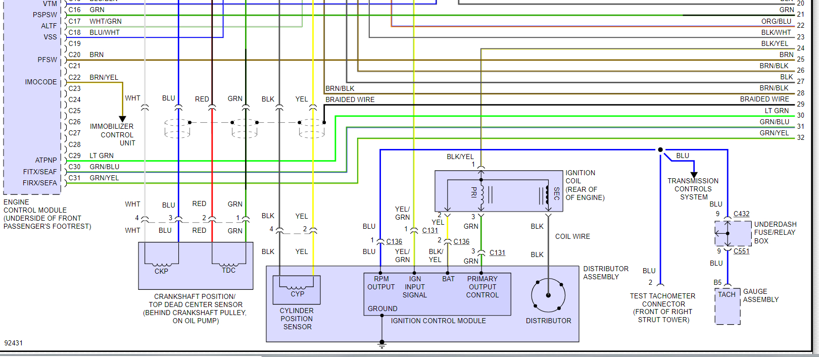
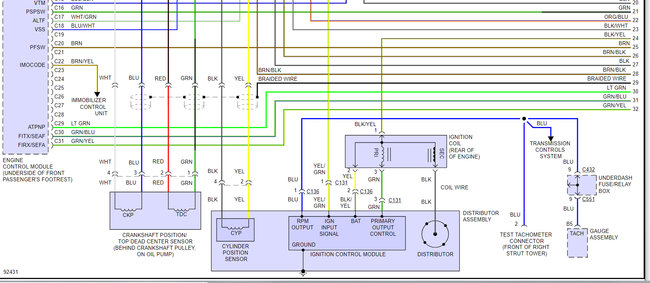
Please go through these guides and then I have included some information specific to your vehicle down below in the diagrams.

Thanks,
Alex
2CarPros
Feb 27, 2019 at 6:42 PM