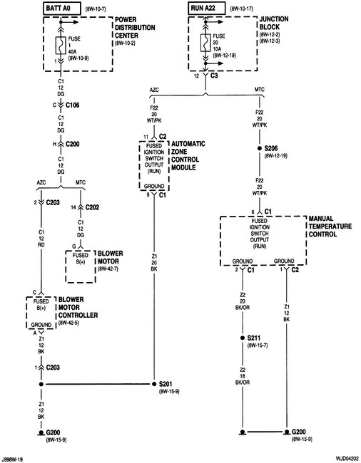
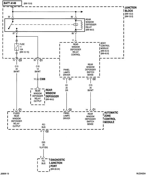
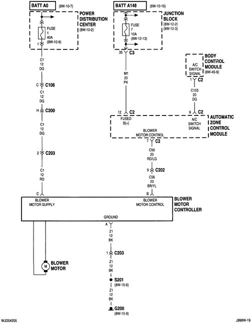
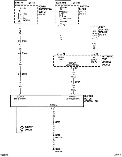
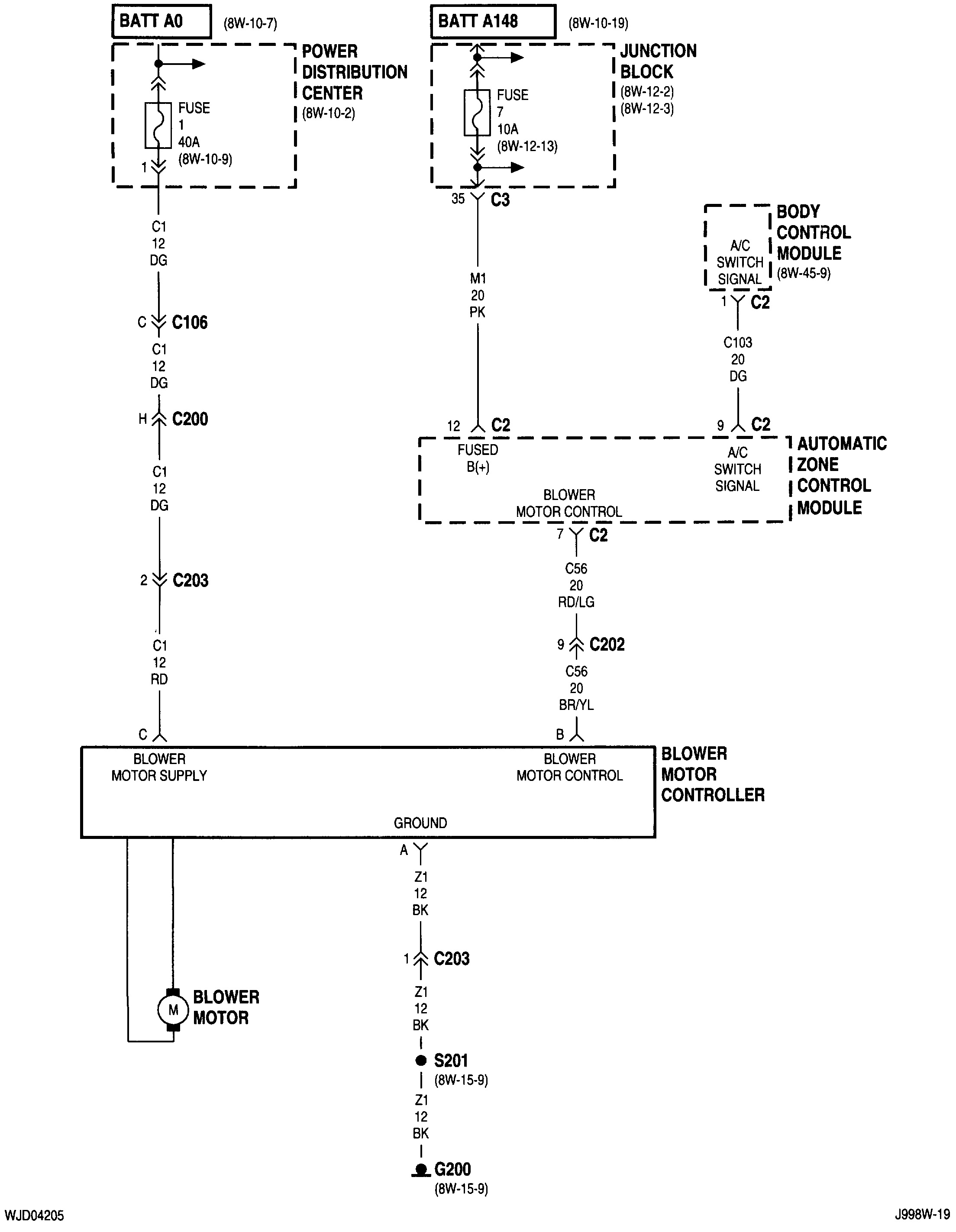
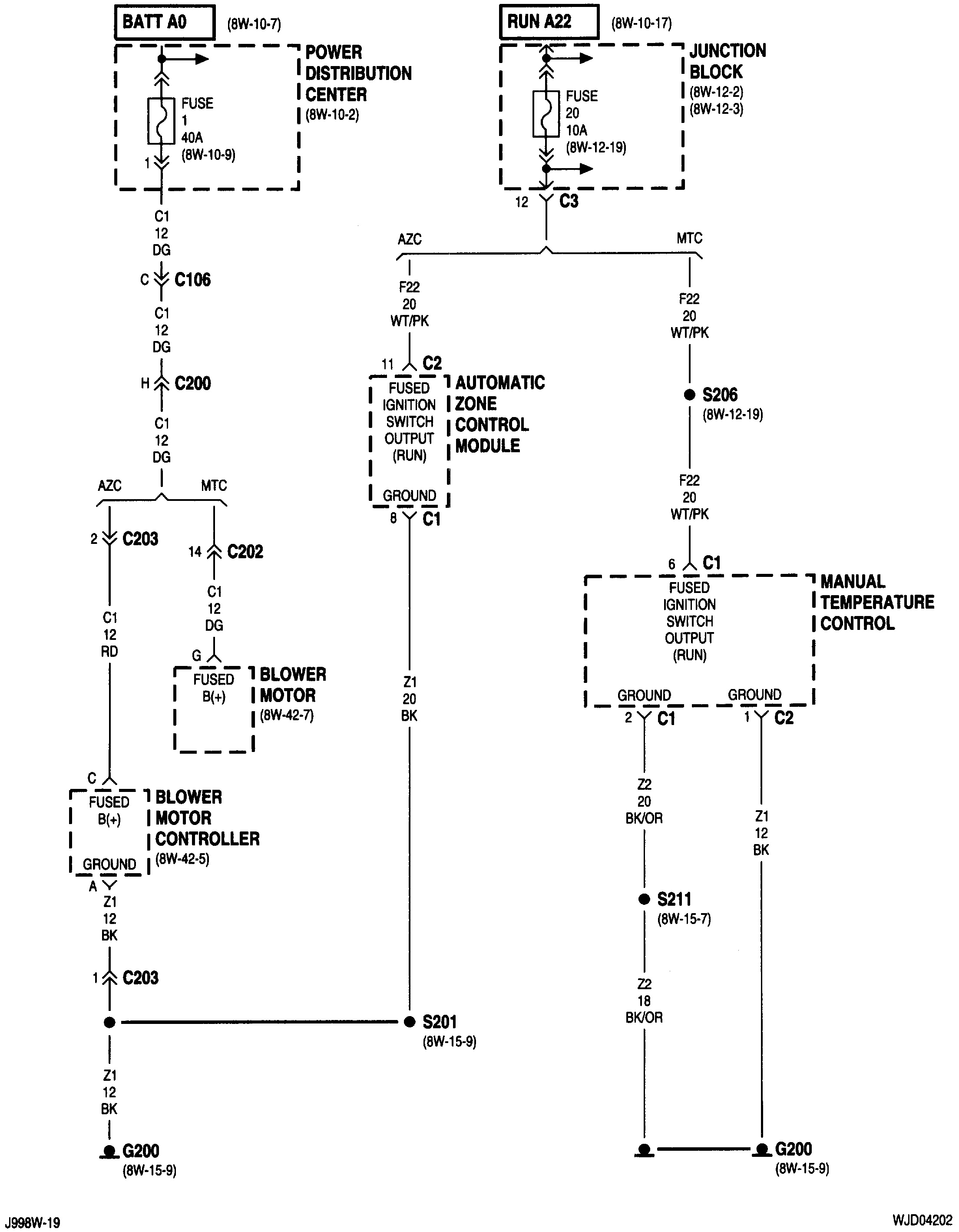
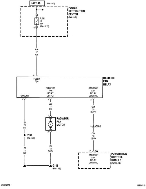
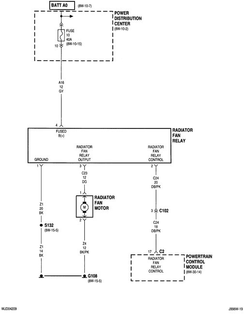
i think the circuit for the heater is normally open with loss of power or ground intermittently making contacts close causing heater fan to operate . It also is not constant more like switching of and on. i have been searching internet to see what relays are under dash above left foot drivers side to see if i could replace a heater blower motor relay.So far i dont see a diagram that shows one. Do think you could help?
Dec 20, 2019 at 6:31 PM





