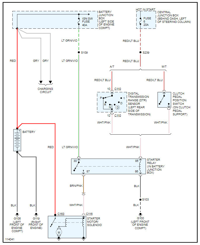
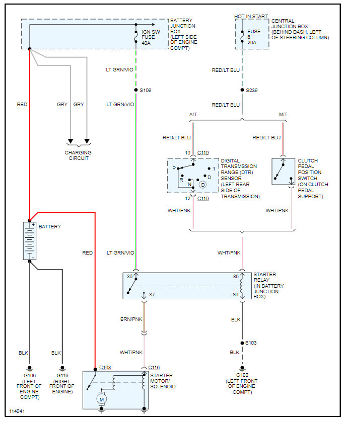
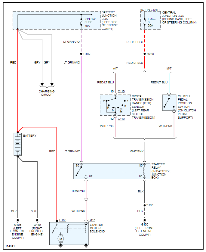
I had a bad battery for a while no money to replace. But when i did replace it i noticed sometimes it would just make one loud click and then nothing. New battery and it's charged! I figured there was a hot spot on the solenoid from all the attempted starts when my battery was bad. Usually if i kept trying it would finally start one time it wouldn't so i let it roll down my driveway until it hit the gutter and then it started. This last time i couldn't get it to turn over at all so i attempted to tap on the solenoid while my friend turned key to crank. It turned over once but then i sparked something and now theres no clicking, no sound nothing. The lights come on windows roll down i swapped the relay with one next to it with same part number. Tried jumping it at the relay. I'm going to lift the car and see if i accidentally disconnected a wire when attempting to get to the solenoid from the top.
Apr 26, 2021 at 3:25 PM



