I was changing my dome light bulb when all power to the interior lights went out

2006 NISSAN ALTIMA
188,000 MILES • 3.5L • 6 CYL • 2WD • AUTOMATIC
Avatar
ISAIAS80
  • MEMBER
  • 1 POST
I checked the fuse and no power going to it. Have taken fuse out and check it and still no power going to it. I have checked it with out fuse and no power getting there.
Dec 9, 2019 at 4:53 AM
Advertisement
Avatar
KASEKENNY
  • CERTIFIED EXPERT
  • 18,907 POSTS
I just want to make sure I understand, you are testing for power at the fuse and you don't have any power? If this is the case, can you tell me what fuse you are on? Maybe get a picture of how you are testing it because we just need to make sure we are on the same page.

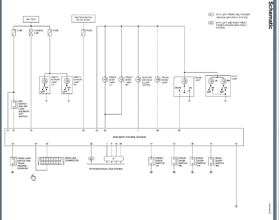
However, if you don't have power to the fuse then you have a wiring issue or PDC issue from the battery. These fuses get power from the battery. Refer to the wiring diagrams for more details.
Dec 10, 2019 at 2:45 PM