solenoids and vacuum hoses

1996 LEXUS ES 300
60,000 MILES • V6 • 2WD • AUTOMATIC
Avatar
KYLIE PIERCE
  • MEMBER
  • 6 POSTS
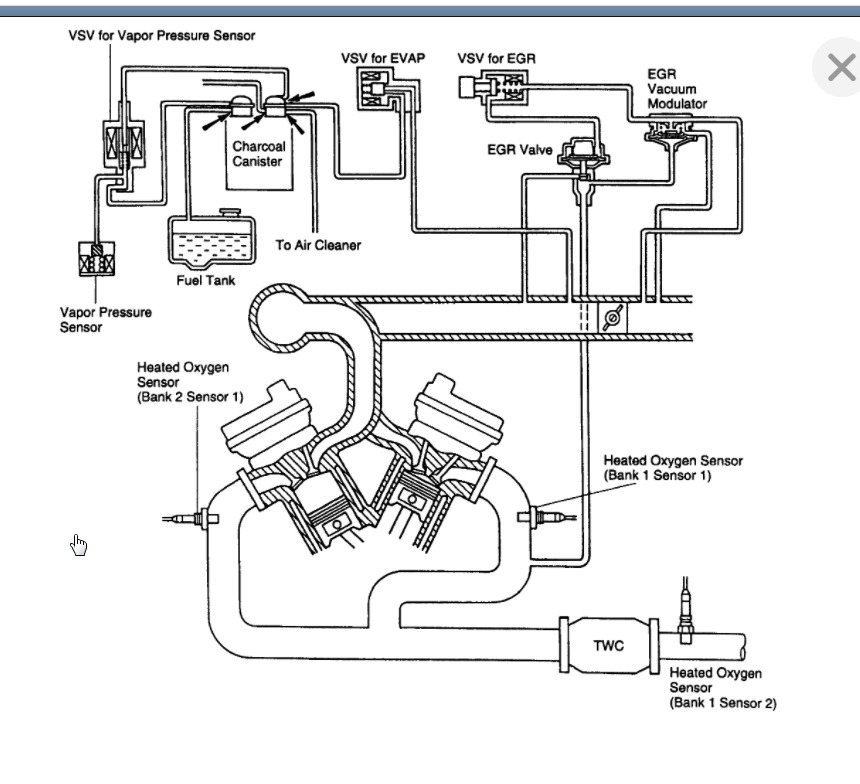
what solenoids are needed on the engine block and how do i run the vacuum hoses? where can i find a picture of the solenoids location and position along with where to run vacuum hoses from them?
Oct 11, 2020 at 5:05 AM
Advertisement
Avatar
KASEKENNY
  • CERTIFIED EXPERT
  • 18,907 POSTS
I am attaching the diagram from the manual. Take a look at this and let us know if you need more info. Thanks.
Oct 11, 2020 at 6:33 AM
Avatar
KYLIE PIERCE
  • MEMBER
  • 6 POSTS
it's an automatic. i believe it's the valve assembly with EGR solenoid, etc. and hose diagram is needed.
Oct 11, 2020 at 7:13 AM
Advertisement
Avatar
KYLIE PIERCE
  • MEMBER
  • 6 POSTS
EVAP
Oct 11, 2020 at 7:26 AM
Avatar
KYLIE PIERCE
  • MEMBER
  • 6 POSTS
i meant to aau EVAP.
Oct 11, 2020 at 7:26 AM
Avatar
KASEKENNY
  • CERTIFIED EXPERT
  • 18,907 POSTS
Sorry. I am confused on what you are looking for. The diagram that I provided has the EVAP system and hose routing. It shows what hose goes to each component.

Just let me know if I am misunderstanding and I will see what we can get.

Maybe get a photo of what you are dealing with and we can see what info you need. Thanks
Oct 11, 2020 at 2:05 PM