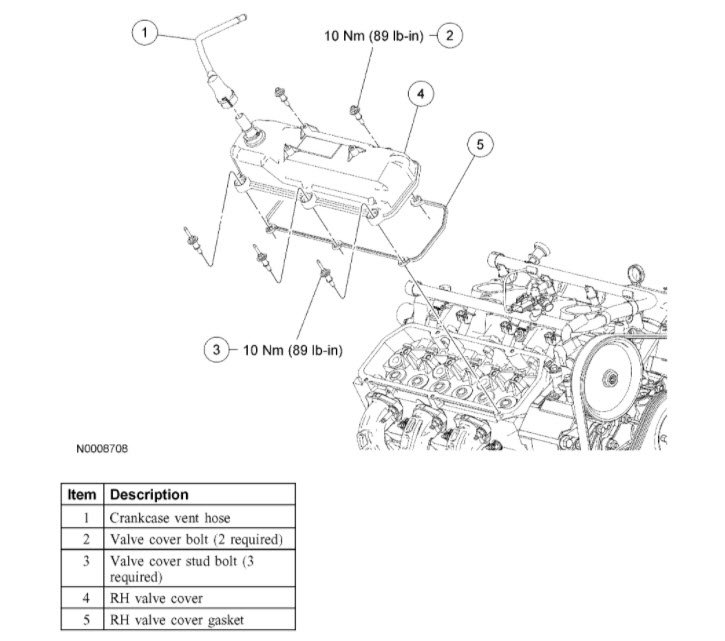
I would like to know in the back of my engine it just started smoking like if something is dripping and hitting the exhaust pipe. do you know what it can be? It doesn't overheat or anything, so what can it be?
Nov 16, 2020 at 12:00 AM

