Had the A/C on blast, suddenly the vent stopped, and smoke came from the glove box, car runs fine otherwise.
Here are all of the things I have done with no luck:
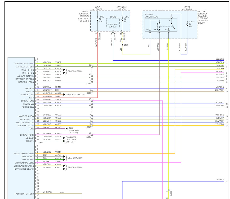
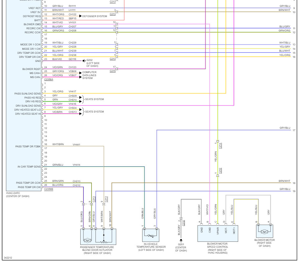
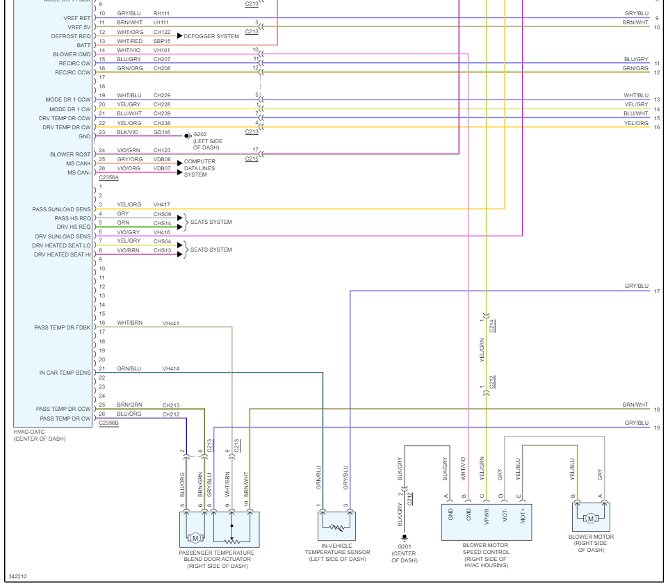
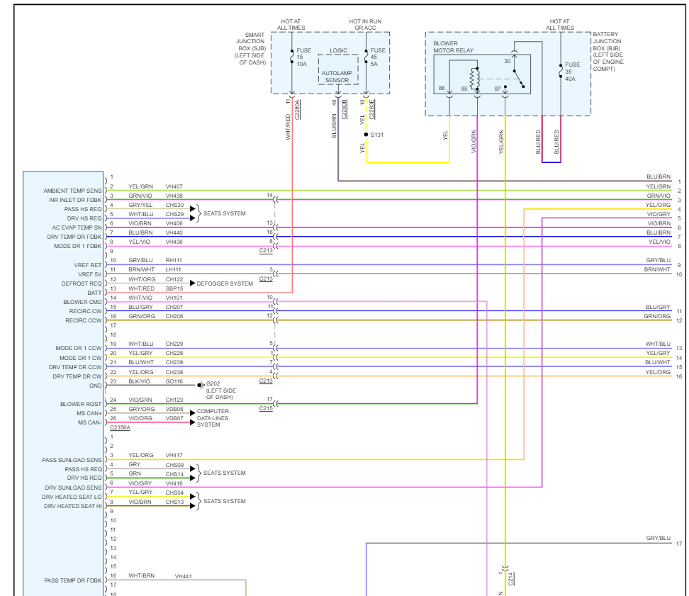
Replaced blower motor (it will not turn on even with the new one).
Checked blower motor resistor (looks fine).
Confirmed air intake was not clogged.
Checked all vent fuses and relays.
I don’t see any burnt connections or evidence of fire; this car looks wicked clean.
Any help or advice you have would be great.
Here are all of the things I have done with no luck:
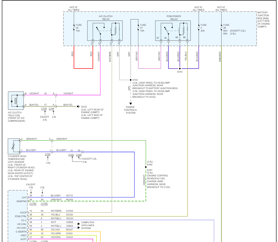
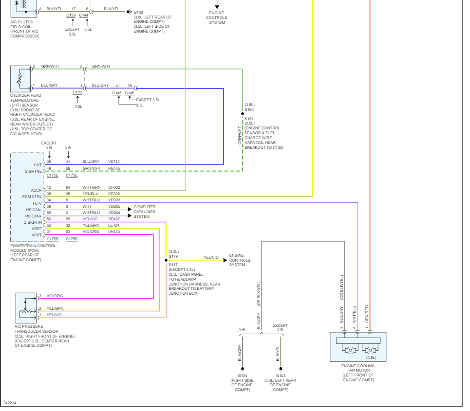
Replaced blower motor (it will not turn on even with the new one).
Checked blower motor resistor (looks fine).
Confirmed air intake was not clogged.
Checked all vent fuses and relays.
I don’t see any burnt connections or evidence of fire; this car looks wicked clean.
Any help or advice you have would be great.
May 23, 2023 at 10:46 AM









