Slow starting

2003 CHEVROLET EXPRESS
298,000 MILES • 6.0L • V8 • 2WD • AUTOMATIC
Avatar
MIKEINMINNEAPOLISMN
  • MEMBER
  • 3 POSTS
When it happens engine barely starts... Maybe 100 rpm at startup. I've tried a different starter and alternator.. Shimmed starter away from ring gear... different OEM flywheel (old one cracked OReillys one only lasted a year .so I did it a third time with GM OEM one and replaced the old rock hard engine and transmission mount).. All new coils OEM. Has recent tuneup 30,000 miles ago... All parts that were replaced as needed... Battery test good... problem has persisted for over 200,000 miles. Wish I could fix it!! Any ideas??
Jan 21, 2020 at 6:48 PM
Advertisement
Avatar
JACOBANDNICKOLAS
  • CERTIFIED EXPERT
  • 110,175 POSTS
Hi,

You know, I had a customer a few years back with a 2003 Suburban with a similar issue. The only difference was it was an all the time problem. It always cranked slow. It ended up being the main ground between the battery and the engine block. Internally, it had corroded and caused excessive resistance and power loss. It's a thought. I suspect you already checked these things. I see you are a mechanic. It just popped into my head when I read your post.

Let me know.

Joe
Jan 21, 2020 at 8:43 PM
Avatar
MIKEINMINNEAPOLISMN
  • MEMBER
  • 3 POSTS
I have but will recheck hot and negative for voltage drop. I've also noticed sometimes the obd network is slowed down a bit. If I plug a obd scanner into port and hit unlock or lock on the remote it takes a few seconds before van locks or unlocks.
Jan 21, 2020 at 9:03 PM
Advertisement
Avatar
JACOBANDNICKOLAS
  • CERTIFIED EXPERT
  • 110,175 POSTS
Just for the heck of it, check that. Also, the idea that things are slowed down is interesting. I would think it could be related.

Let me know what you find.

Joe
Jan 21, 2020 at 9:12 PM
Avatar
MIKEINMINNEAPOLISMN
  • MEMBER
  • 3 POSTS
Do you know where the obd splice pack is on van?
Jan 21, 2020 at 9:24 PM
Avatar
JACOBANDNICKOLAS
  • CERTIFIED EXPERT
  • 110,175 POSTS
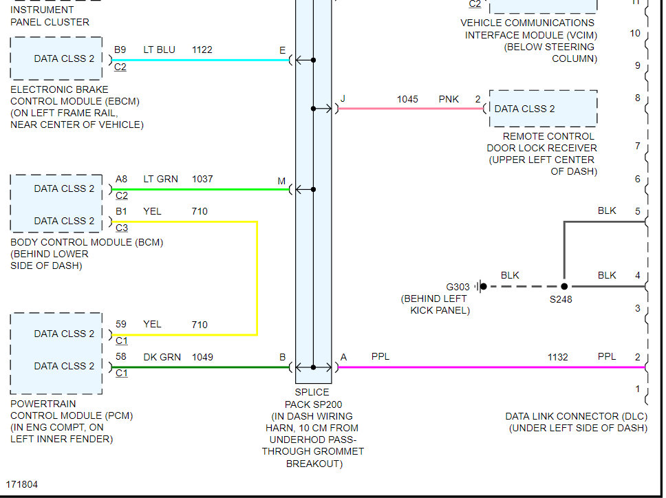
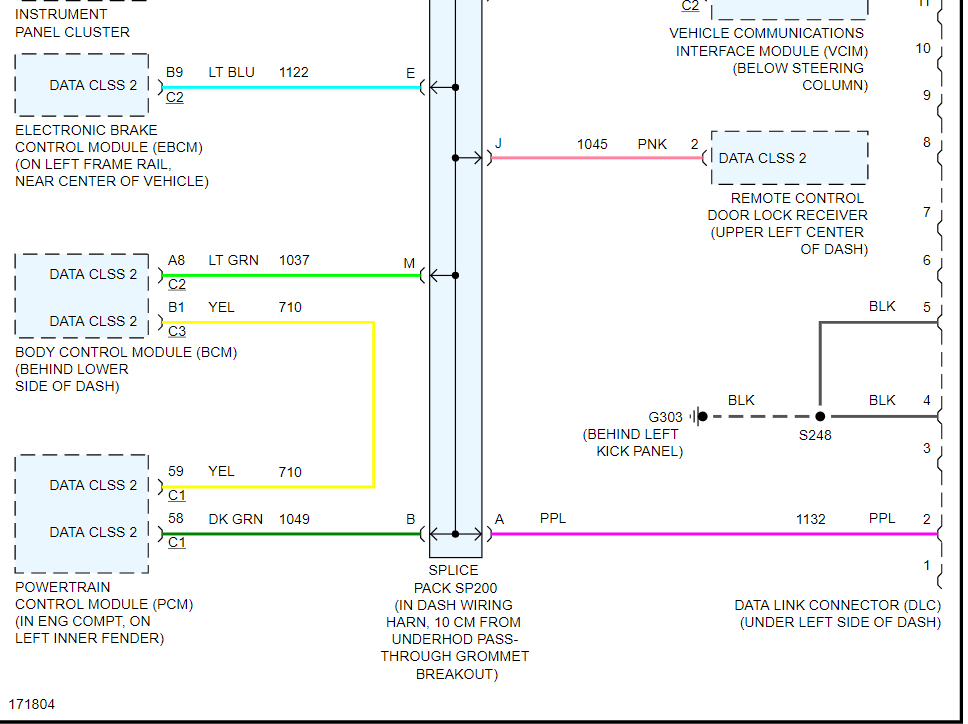
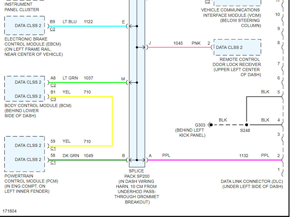
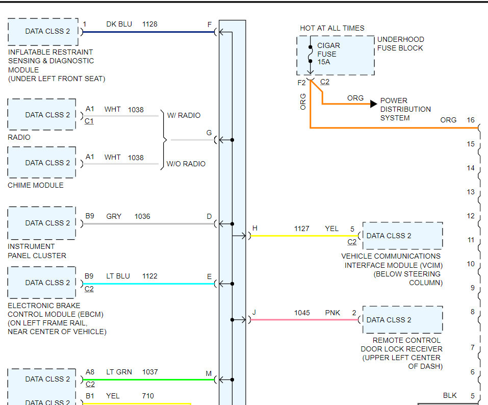
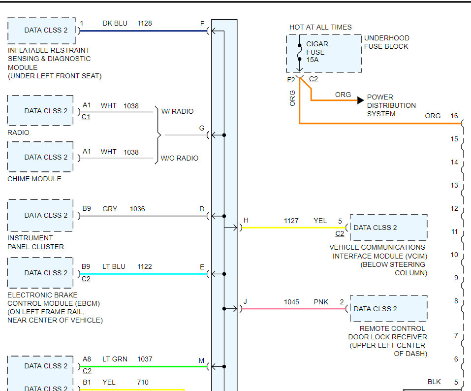
Hi,

In pic 1, I circled location. Pics 2 and 3 are wiring to it. I overlapped pics 2 and 3 so you could read them.

Let me know if this helps.

Joe
Jan 22, 2020 at 7:34 PM