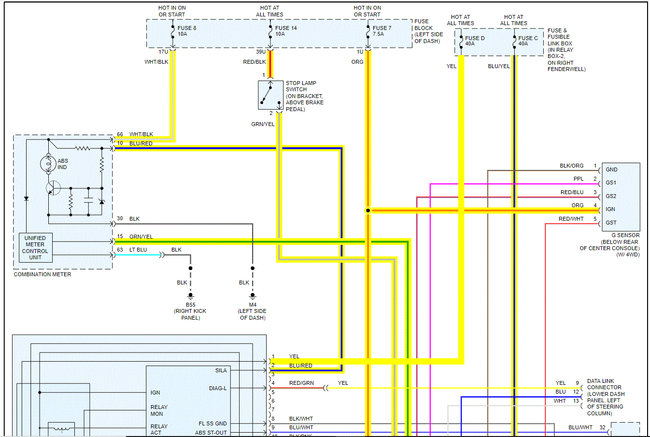
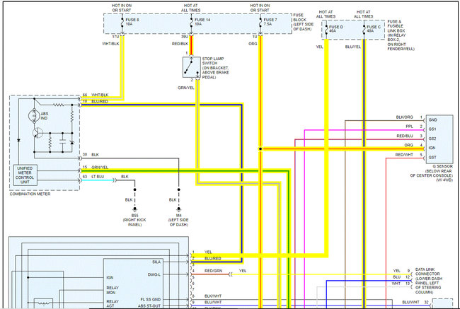
My speedometer, tachometer, temperature gauge and gear indicator (park, reverse, drive, etc.) are not functional. I did clean my engine bay and the issue could be electrical. I did cover up all the necessary components that don’t need to get wet before I did any washing of the engine bay. I have replaced the car battery and I have replaced all of the small fuses in the fuse box under the hood. Here are the engine codes that come up: P1111, P1212 and U1000. Any suggestions as to what the cause may be or what a potential fix could be would be appreciated? Thanks, Thomas
Jul 18, 2021 at 6:38 PM
























