engine misfires?

1991 HONDA ACCORD
125,000 MILES • 2.2L • 4 CYL • 2WD • AUTOMATIC
Avatar
KSAMIAMS
  • MEMBER
  • 10 POSTS
Car runs good when cold in the morning for about 2 miles until temperature hand comes up to normal halfway. Then at cruising speed on level road it has a slight sporadic miss that is hard to feel. Stomp up to a hundred no miss. Climbing a mountain no miss? Changed plugs, rotor button, fuel filter.
Oct 7, 2019 at 12:33 PM
Advertisement
Avatar
KASEKENNY
  • CERTIFIED EXPERT
  • 18,907 POSTS
Hi,

The fact that it doesn't misfire when it is warming up is because it is not looking at sensor data. So when it starts misfiring it is most likely a faulty sensor giving bad data. If it is possible to look at live data with a scan tool, you need to start with o2 sensors. Lets see what the short term fuel trim is when it is misfiring. That will tell us what it is doing and we can go from there.

https://www.2carpros.com/articles/engine-misfires-or-runs-rough
Oct 7, 2019 at 6:56 PM
Avatar
KSAMIAMS
  • MEMBER
  • 10 POSTS
1991 is not capable of running any scan tool I am told unless it throws a light which it never has. Even then tech says that older computer don’t give much specific data even when you get a code. But again does not trigger a light as evidently the computer is not sensitive enough to pick up a miss that that does not even effect the tachometer. All new plugs, wires, gas filter, distributor cap, rotor..a couple sensors replaced included the o2 in the last couple years.
Oct 8, 2019 at 6:09 PM
Advertisement
Avatar
KASEKENNY
  • CERTIFIED EXPERT
  • 18,907 POSTS
Sorry. You are correct. I am just used to dealing with OBDII vehicles. At this point lets assume the spark is ok but we may need to come back to it and check for weak/inconsistent spark.

Let's check and make sure the fuel pump is not loosing pressure after it warms up. This is much easier and less intrusive then digging into the ignition. Clearly if the fuel pump checks out then we can move on. If not, it is good when didn't go into ignition first. Hook up a fuel pressure gauge and just tape it to the windshield so you can see what it is doing when this is misfiring.

https://www.2carpros.com/articles/how-to-check-fuel-system-pressure-and-regulator

If fuel checks out then we can get into ignition. This is the idea of what we are going to need to look at. This is not exactly your issue but we need to verify a good consistent spark.

https://youtu.be/eoodIVGgGyw
Oct 9, 2019 at 6:48 PM
Avatar
KSAMIAMS
  • MEMBER
  • 10 POSTS
New fuel filter was put on and guy checked the fuel pressure. He said the problem wasn’t there. Far as ignition I have put new plugs, wire, rotor, cap.. Again it seems related to when it get warm at operating temp after about 2 miles depending on outside temperature in mornings. Don’t know what else to check ignition wise other then the coil? It has to be something that is being effected only when it gets to temp hand half way. Like clock you can watch the temp hand get to halfway on gauge and look for it to miss sporadically. It does not miss before then or at a idle or at full throttle or going up a mountain. What would change as the engine temperature reaching normal that would cause a miss? EGR valve? PVC valve? Some sensor?
Oct 9, 2019 at 7:04 PM
Avatar
KSAMIAMS
  • MEMBER
  • 10 POSTS
Again this slight miss is only after warm and once you get to cruising speed in drive about 50-70 normal driving. Do not see the miss in the tachometer. Anyway a torque converter would be locking and unlocking at 50-70 in drive. Transmission shifts good. Again you can stomp it and tachometer it out between gears up to a 100 and feel no miss. You never feel it on a mountain pull. It is always when warm and driving about 50-65 at 2,000-3,000 rpm's.
Oct 10, 2019 at 2:26 AM
Avatar
KASEKENNY
  • CERTIFIED EXPERT
  • 18,907 POSTS
This doesn't sound like a misfire. It sounds more like a vacuum leak.

Here is a guide that takes you through this but the best thing is to get a vacuum gauge and hook it to the intake. If you can get a video of this when the engine is running rough we should be able to either eliminate it or know we are on the right path.

https://www.2carpros.com/articles/how-to-use-an-engine-vacuum-gauge

As for other components in the ignition, yes the coil could DEFINITELY cause this when the engine gets warm. There is also the igniter that could cause this. Again, let's rule a vacuum leak first then we can come back to the ignition.
Oct 10, 2019 at 7:01 PM
Avatar
KSAMIAMS
  • MEMBER
  • 10 POSTS
Thanks for the help. How can I get a video of vacuum gauge when it only does it on the highway? Does not miss idling cold or hot? I may just replace the coil (inside the distributor on this) to rule it out but you would think it would not be linked to temp gauge? I can see the coil maybe breaking down as it heats up but not like clock work when the gauge hits 1/2 way? What igniter are you speaking of? I talked to one Honda “expert” and they do work on mostly Honda’s that he said might have to take off the whole “throttle body unit? And manifold which he said was a job to “drill out the ports” so they could clean it? I got confused on that one.
Oct 11, 2019 at 5:27 PM
Avatar
KASEKENNY
  • CERTIFIED EXPERT
  • 18,907 POSTS
Hi,

I don't disagree with your thinking about the ignition. I attached a lot of material about the igniter that will explain it in more detail.

If you can get a vacuum gauge connected to the engine, just tape it to the windshield so you can see it while driving down the road.

However, I may have forgotten that this only does it during highway driving because a vacuum leak is unlikely to do that.

I think doing the coil and igniter may be a good idea for the reason you stated that they are breaking down when they get hot.

Let me know if you have more questions about this. Thanks
Oct 11, 2019 at 7:14 PM
Avatar
KSAMIAMS
  • MEMBER
  • 10 POSTS
I have done everything but replace the coil and igniter. However have have replaced hundreds of dollars worth of parts and no change. Let me break down what is happening as plain as I can.
1. The car never misses when cranked until the temperature hand gets about half way where it stays. run smooth 50-65 until then. When temperature hand hit there about 2 miles driving starts the little sporadic slight miss. Does not effect tachometer.
2. Floor it from 0-100 and feel nothing.
3. I can only feel it in drive after temperature rise to set mark at speed 45-70? Just driving speed.
4. It seemed connected to temp of radiator?
5. Don’t know if connected but will surge when idling when cranked or return home.. again sometimes it don’t. That is sporadic too. Don’t even know if it is connected because it don’t miss when idling even hot or surging 1500-2000 rpm's.
6. I haven’t checked but don’t seem to get the gas mileage it should. Running out of options other then taking it to a expert who will probably replace everything on it again one by one.
7. Is it still possible a coil, igniter, or sensor.. If the miss is connected to the water temperature?
Oct 15, 2019 at 6:00 AM
Avatar
KASEKENNY
  • CERTIFIED EXPERT
  • 18,907 POSTS
I don't think the actual temp is what is related. I think it just acts up when it is hot. That means it is most like electrical related because these are the components that are sensitive to heat. At this point, I suspect one of these components that we talked about but there is no proof so it would be a guess.

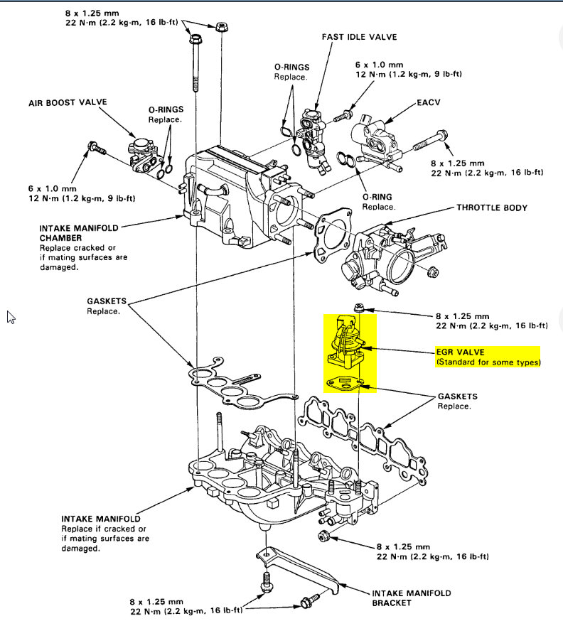
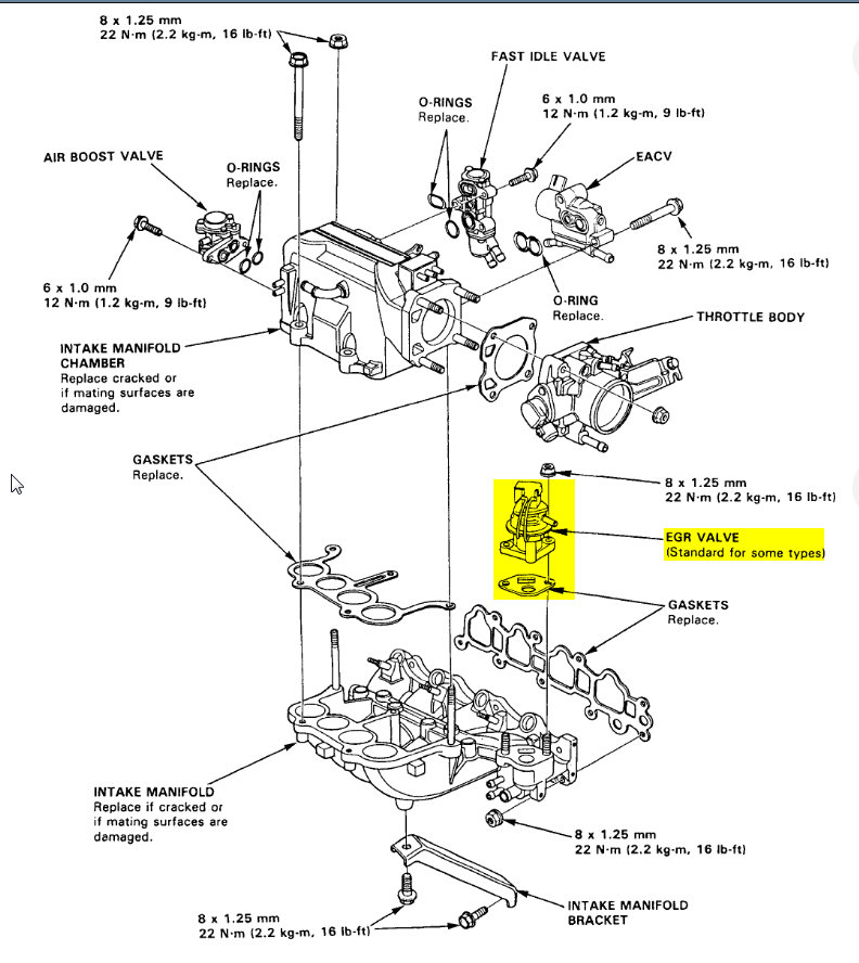
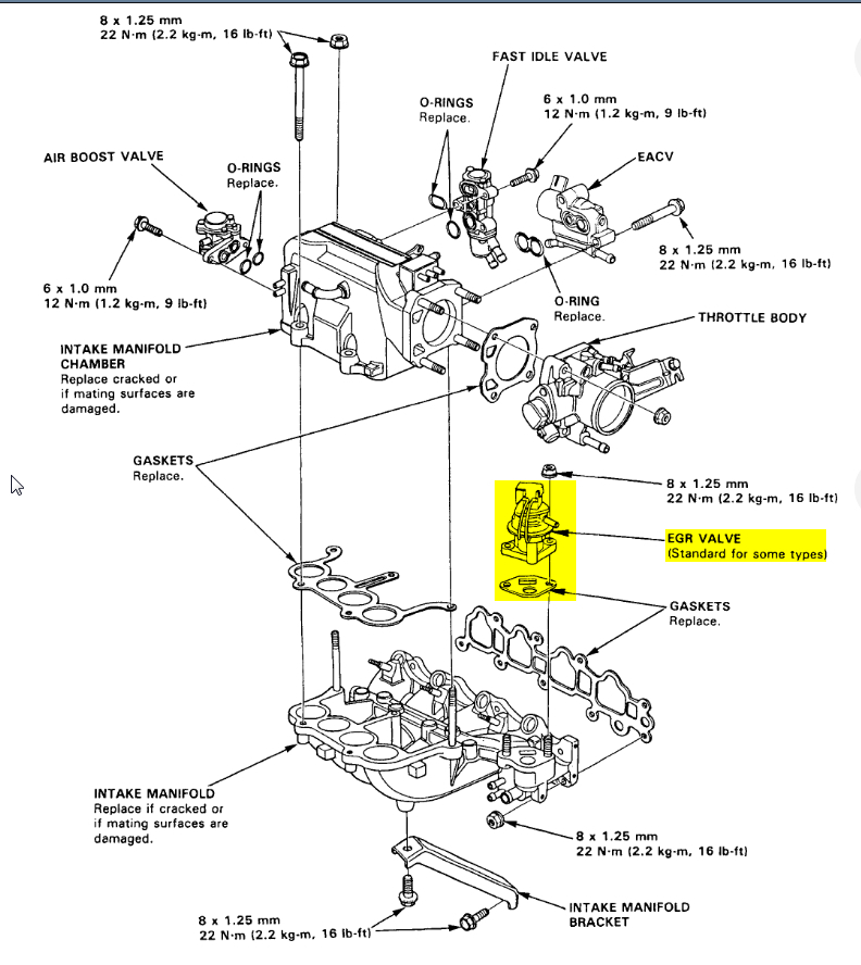
Before you do that, I would recommend cleaning the EGR valve and port. There is a chance that if this is sticking that you are getting a lean misfire at cruise because that is when the EGR is open allowing flow to reduce emissions and improve fuel economy. If this is not functioning then it will cause a slight misfire. Also this will go away when you step on the throttle because you are opening the throttle and closing EGR. Seems to fit your issue.

You want to clean it using carburetor cleaner or they may make an EGR cleaner chemical so that would be fine. Clean the valve and the ports on the engine side or just replace the valve if you are not sure you can get it clean.
Oct 15, 2019 at 5:17 PM
Avatar
KSAMIAMS
  • MEMBER
  • 10 POSTS
EGR valve is one thing I have not cleaned. When you say “Clean the valve and the ports“ . What valve name you taking about? What ports?
Whatever it is the temp hand can predict it to the minute. You can make a mark on the temp hand of normal operating temp and watch it get there. Takes about 2 miles depending on outside temps. Soon as it gets to that mark of normal operating temp it will start missing slight and sporadic in seconds. Best guess..which valve would do that..EGR or the other valve? Or ports not clear on exactly which valve you talking about EARC? Where are the ports?
Oct 15, 2019 at 5:38 PM
Avatar
KSAMIAMS
  • MEMBER
  • 10 POSTS
Story EACV?
Oct 15, 2019 at 5:38 PM
Avatar
KSAMIAMS
  • MEMBER
  • 10 POSTS
EGR valve symptoms. My car does none of these?
Engine Performance Issues

Another common sign of a bad EGR valve is engine performance issues. A clogged or malfunctioning EGR valve can disrupt the vehicle’s air-fuel ratio, which can cause engine performance issues such as a reduction in power and fuel efficiency. The vehicle may also stall or hesitate while accelerating.

2. Rough Idle

One of the most common symptoms of a problem with the vehicle’s EGR valve is a rough idle. It is not uncommon for EGR valves to malfunction and become stuck in the open position. This can lead to exhaust gas recirculation, which causes rough idling even when the conditions are not desirable. It may also contribute to a smell of fuel as well

2. Pinging or Knocking Soud During Acceleration

Commonly known as a spark knock, a pinging or knocking sound may occur when the car is accelerating. This means the fuel is detonating within the engine instead of burning steadily. A faulty EGR valve causing this issue doesn’t allow in the right amount of exhaust to dilute the air-fuel mixture and lower combustion chamber temperatures. If this continues to happen, it can lead to other engine component failures. The EGR valve will need to be replaced or cleaned of built-up carbon deposits.

4. Check Engine Light Comes On

An illuminated Check Engine Light is another symptom of bad or failing EGR valve. If the computer detects an issue with the vehicle’s EGR valve circuit or position, it will set off the Check Engine Light in order to notify the driver of the issue. The Check Engine Light can be activated by a wide variety of other issues, so having the computer scanned for trouble codes is highly recommended.

The EGR valve is an important emissions component, especially for vehicles in states with strict emissions regulations. You won’t be able to pass a smog test with a faulty EGR valve. If you suspect your vehicle’s EGR valve of having an issue, have the vehicle inspected by a professional technician to determine if the vehicle needs an EGR valve replacement.
Oct 15, 2019 at 6:08 PM
Avatar
KASEKENNY
  • CERTIFIED EXPERT
  • 18,907 POSTS
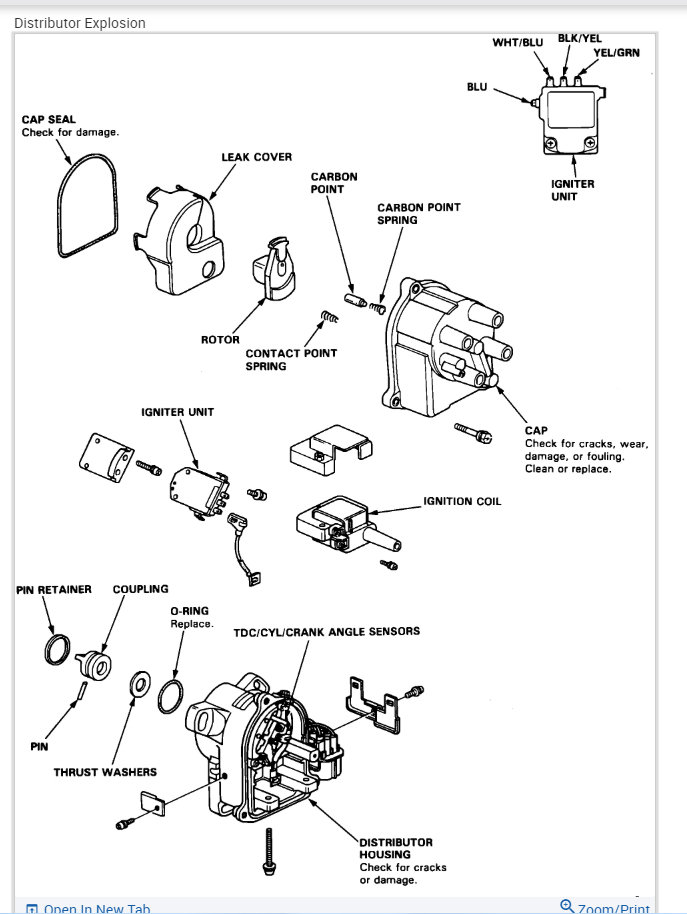
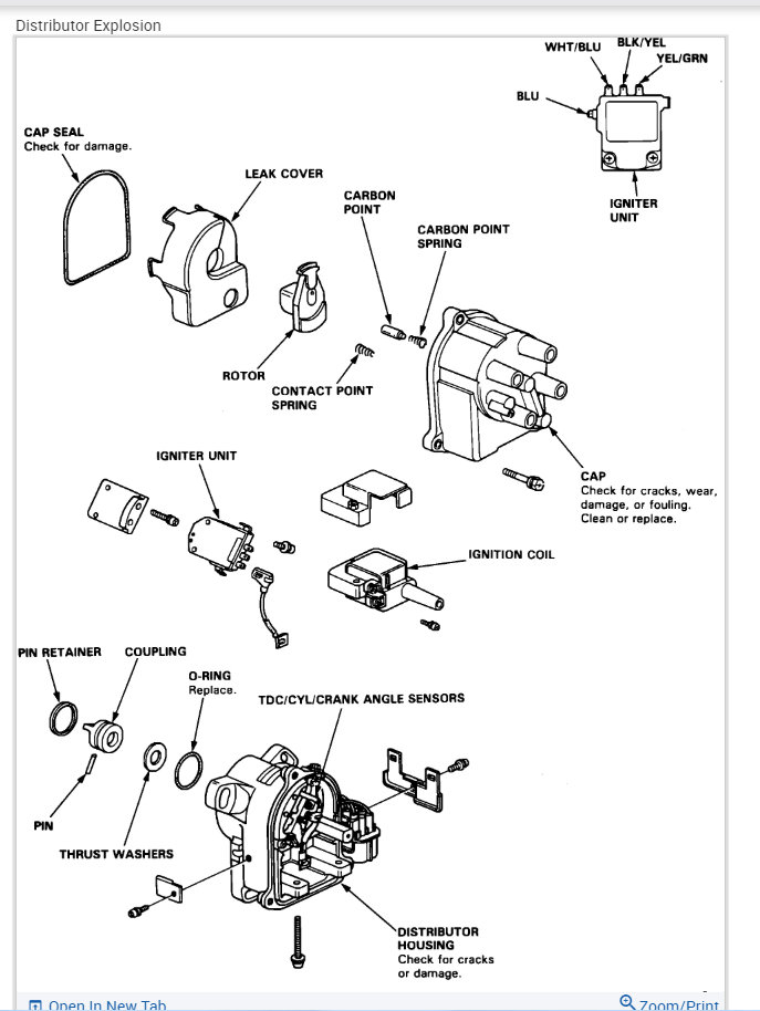
No. The EGR not EACV. The EACV is used for controlling idle speed and not used during highway cruising.

The EGR is opened based on engine temp, engine load, and NOx output. EGR is opened primarily at steady throttle and speed. So if your issue starts at a certain temp this could still apply because the PCM is using it when it gets to operating temp.

Those items that you listed are just the most common symptoms of an EGR valve. It is not limited to just those things and you do not have a common issue so I wouldn't expect just a common repair to correct this.

The ports that I am talking about are the ports for the valve and on the intake.

Here is a video that gives more detail. Clearly this is a different vehicle so ignore his operation discussion because yours is different so you can jump to the 4:40 mark if you want. However he shows the EGR port on the intake and then on the valve and how to clean it.

https://youtu.be/iT8Iww44nZM

If it were me, I would clean it and retest. I get you have spent a bit of money and time on this and it is frustrating but all I can do is give you the best advice I have based on my knowledge and what you are describing. Cleaning the valve and looking in the intake port for build up doesn't cost anything other than the cost of a spray cleaner if you don't already have it.
Oct 15, 2019 at 6:59 PM
Avatar
KSAMIAMS
  • MEMBER
  • 10 POSTS
I better understand that now. I will try that by weekend and see what happens. Thanks will let you know if that has been the problem all along. Hopefully so.
Oct 16, 2019 at 2:06 AM
Avatar
KASEKENNY
  • CERTIFIED EXPERT
  • 18,907 POSTS
Sounds great. Please let us know what happens and we can go from there. We will wait to hear back. Thanks for the update.
Oct 16, 2019 at 8:16 PM
Avatar
VAVINE
  • MEMBER
  • 2 POSTS
I started the engine ,but number 3 and 4 cylinders not firing.
Jan 11, 2021 at 6:16 PM (Merged)
Avatar
HMAC300
  • CERTIFIED EXPERT
  • 48,601 POSTS
Avatar
VAVINE
  • MEMBER
  • 2 POSTS
Thanks a lot, I replaced the distributor with a second hand one, swapped the fuel injectors, but still the same with the engine check light still on. Do you think the fuel should continuously flow out from the pressure regulator with the ignition switch on?
Jan 11, 2021 at 6:16 PM (Merged)
Avatar
HMAC300
  • CERTIFIED EXPERT
  • 48,601 POSTS
Fuel pressure should be 34-41psi at idle.
Jan 11, 2021 at 6:16 PM (Merged)
Avatar
STEVENKEEHNER
  • MEMBER
  • 1 POST
My car just started miss firing lately. It only does it in drive, not in park. It also does it around 1000-2000 rpms. instead of a smooth acceleration it goes " vrooom put put put put vrooom. If i hold the brake and accelearate it hesitates around 1500 rpms, just put put put is all i get, but it gets over it at a higher rpm and runs smooth then. . I changed my spark plugs their wires and seals around valve gaskets. Is there a way i can fix this?
Jan 11, 2021 at 6:16 PM (Merged)
Avatar
RASMATAZ
  • CERTIFIED EXPERT
  • 75,992 POSTS
You might as well give it a major tune-up and see what happens-if not come on back and we''l get into the fuel and ignition system.
Jan 11, 2021 at 6:16 PM (Merged)
Avatar
BMRFIXIT
  • CERTIFIED EXPERT
  • 19,053 POSTS
What I would do is complete the tune up as change the wires cap rotor and check the coil
which design u have for the coil is it in the cap or out
look for an oil leak in the distributor and the cap

distributor may be at fault too check it out
Jan 11, 2021 at 6:16 PM (Merged)
Avatar
FRANK1235
  • MEMBER
  • 1 POST
the car starts up just fine. after running for a short period of time it starts to misfire and sometimes stalls out. after waiting about 5 min. it will resart and run just fine with no misfire. after the initial start it runs pretty much great the rest of the day, even after turning off the engine and resarting ?
Jan 11, 2021 at 6:16 PM (Merged)
Avatar
KHLOW2008
  • CERTIFIED EXPERT
  • 41,814 POSTS
Hi frank1235, Thank you for the donation. The symptoms are consistent with an intermittently failing PGM-FI main relay. I would suggest removing it and resoldering the circuit board, this is a known issue.


https://www.2carpros.com/forum/automotive_pictures/192750_PGMFIRelay90Accord_9.jpg

Jan 11, 2021 at 6:16 PM (Merged)
Avatar
JEFFHOBBS33
  • MEMBER
  • 1 POST
would it be obvious if the engine has a dead cylinder?Also, wouldn't there be a noticable temble in the engine if the motor mounts are broken?
Jan 11, 2021 at 6:17 PM (Merged)
Avatar
MHPAUTOS
  • CERTIFIED EXPERT
  • 31,937 POSTS
Hi there,

When you say a dead cylinder, yes... it would make a huge impact on a 4 Cly engine, a faulty engine mount will normally show up during engine accelerations the torque of the engine will cause it to move on the fault mount, if the engine is running poorly (due to a faulty Cly) it will tend to shake a bit more, but this will depend on how bad the mount is.

Mark (mhpautos)
Jan 11, 2021 at 6:17 PM (Merged)
Avatar
MASTERTECHTIM
  • CERTIFIED EXPERT
  • 4,750 POSTS
i would think so. you will see the engine jumping up and down when accelerating if engine mounts are worn out.
Jan 11, 2021 at 6:17 PM (Merged)
Avatar
LISAS3104
  • MEMBER
  • 1 POST
I have a 1990 Honda Accord 5 speed manual transmission. The problem started with the motor occasionally surging when in neutral. By surging, I mean it would rev up and down when in the neutral position.
A week or so later, it has started jumping or skipping really bad when going uphill like it is trying to cut off but never does. Almost like you need to change gears. Maybe skipping but doesn't seem like its a skip though.
I have been driving it here and there but it is my daughter's car and I am afraid for her to go very far in it. I want my car back so somebody please tell me what to do. A couple of mechanics have looked at it but have frowned at the thought of working on it.
Jan 11, 2021 at 6:17 PM (Merged)
Avatar
KIN CHAN
  • MEMBER
  • 453 POSTS
this problem sounds interesting especially a few mechanics came up with nothing.Can you.give me some more information?
mileage?
engine size?
how many miles since last tune up?
were there any mechanical work perform soon before this symptom occur?
did the check engine light came on when symptom occur?
were there any codes being extract from the ECM?
Jan 11, 2021 at 6:17 PM (Merged)
Avatar
BRUCE HUNT
  • CERTIFIED EXPERT
  • 3,754 POSTS
Have one of those exact autos. Had that same problem.

Replaced the IAC valve with no success.
Checked for low level on coolant.
Bled the coolant system of air.
Fiddled with vacuum lines.
The problem was resolved with a new intake manifold gasket.

Now your problem might be stemming from a different cause but I would wager than a look into those areas might fix the problem.

The manifold can be checked with a smoke bomb as they use in furnaces. Find the escaping smoke and you found the leak.
Jan 11, 2021 at 6:17 PM (Merged)
Avatar
14TULIPS
  • MEMBER
  • 3 POSTS
After they changed the timing belt (they put on a Dayco 92544 timing belt on), they said it was mis-firing. Then they ran the diagnostics to find that cylinder #1 was not firing. They replaced the spark plugs, changed the cables and distributor cap, checked the fuel injectors, removed and replaced the timing belt again. Now my car shakes when it is stopped or if you are moving slowly, once you get moving it runs just fine though. Any suggestions?
Jan 11, 2021 at 6:18 PM (Merged)
Avatar
BRUCE HUNT
  • CERTIFIED EXPERT
  • 3,754 POSTS
In order to do the work that they had to do, it was necessary to disconnect the motor mount. Did they get it hooked back up properly or was it bad? Another question along those lines is the motor mount bad on any other part of the car? Check the mounts out. I assume that they got the misfire fixed?
Jan 11, 2021 at 6:18 PM (Merged)
Avatar
14TULIPS
  • MEMBER
  • 3 POSTS
The engine mounts are fairly new, so they didn't need replacing. I just replaced them about 2 years ago.
That's the problem. The misfiring has not been fixed, because they are not sure why it is not firing. They offered the suggestion to have the head sent to a machine shop because they think the valve for cylinder 1 has burned. Not sure how this would have happened though. My car was working fine when I took it in (8am) but during the time that it took to replace a timing belt, somehow a valve was burned? What other reasons would there be for why a cylinder is not firing?
Jan 11, 2021 at 6:18 PM (Merged)
Avatar
BRUCE HUNT
  • CERTIFIED EXPERT
  • 3,754 POSTS
Two that come to mind are so simple that they should be very obvious. If fact, they are so obvious that you probably won't try them, but here goes. It is easy to put in new plugs but it is also easy to crack a plug. It will fire but not all the time. Another is a bad wire. They can look great, but manhandling wires can cause them to fail and they can fail such that it idles terrible but seems to run fine at high speed. It could be a valve but I would doublt that.
Jan 11, 2021 at 6:18 PM (Merged)
Avatar
14TULIPS
  • MEMBER
  • 3 POSTS
Well, it seems that the new spark plugs work just fine. They removed the plugs to test them on the engine, and they all fired everytime, it was just once it was installed that it wouldn't fire.

They also replaced both the distributor cap and the cables, so I am fairly sure those are not the problem either.
Jan 11, 2021 at 6:18 PM (Merged)
Avatar
BRUCE HUNT
  • CERTIFIED EXPERT
  • 3,754 POSTS
Once the belt was installed that is failed to fire? As I said no one believes the two areas. You would be surprised how often this happens. It has to be simple. The wrong person pulling on a plug wire and that wire will fire but not right. Installing and cracking a plug is easy, a lot easier that burning a valve. Did they get everything reconnected properly again after the install? The answer will be yes but to the next person that looks they will spot something that was not reconnected.
Jan 11, 2021 at 6:18 PM (Merged)
Avatar
DANMAC520
  • MEMBER
  • 1 POST
When it is warm, it misfires and hesitates at low speeds, such as pulling away from a stop. It improves when speed increases. I replaced the cap & rotor, plugs, wires, pcv and air filter hoping to solve the problem, and because it was needed. The electrode of the old plugs was an ashen-white color. What am I missing?
Jan 11, 2021 at 6:18 PM (Merged)
Avatar
BACKYARDMECHANIC
  • CERTIFIED EXPERT
  • 337 POSTS
A misfire can be caused by a ignition or fuel problem. You haven't said the check engine light is on so I will assume it is not a engine management issue. Since you have change the most commom causes here are some things to look into. The coil , faultly ignition module. On the fuel side check for Dirty injectors, low fuel pressure, faulty injectors,and clogged fuel filter. Also check for a vacuum leak and a faultly ERG valve can cause misfires. If all of the above checks out then this leaves a compression problem due to burnt or bent valves or leaking head gasket. FYI a spark plug that has heavy ash deposits may indicate a coolant leak from the head gasket or a cracked head. A misfire can also be caused by weak valve springs or worn cam lobes, This can be detected through the use of a vacuum gauge.
Good luck Backyardmechanic :?
Jan 11, 2021 at 6:18 PM (Merged)