Sliding doors not working

2000 HONDA ODYSSEY
196,000 MILES • 3.5L • 6 CYL • 2WD • AUTOMATIC
Avatar
ANGELAT
  • MEMBER
  • 1 POST
Recently both sliding doors have quit working. Only the passenger side would open but not latch and the driver side would not work whatsoever. My battery died and after the jump the passenger door would not do anything and the driver tried to open but the latch at the lock seems stuck. Any help would be greatly appreciated.
Dec 10, 2018 at 11:00 AM
Advertisement
Avatar
STRAILER
  • CERTIFIED EXPERT
  • 53,855 POSTS
Hello,

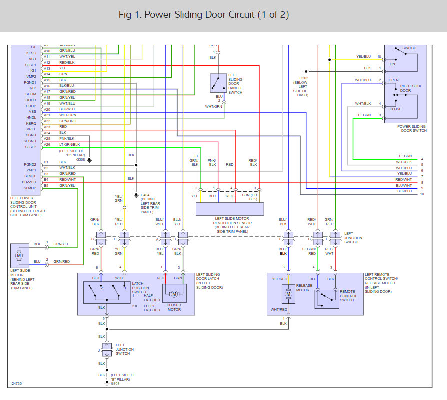
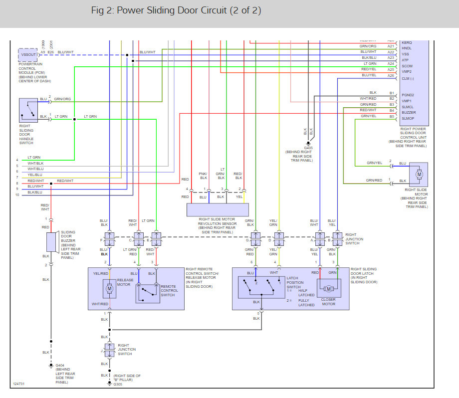
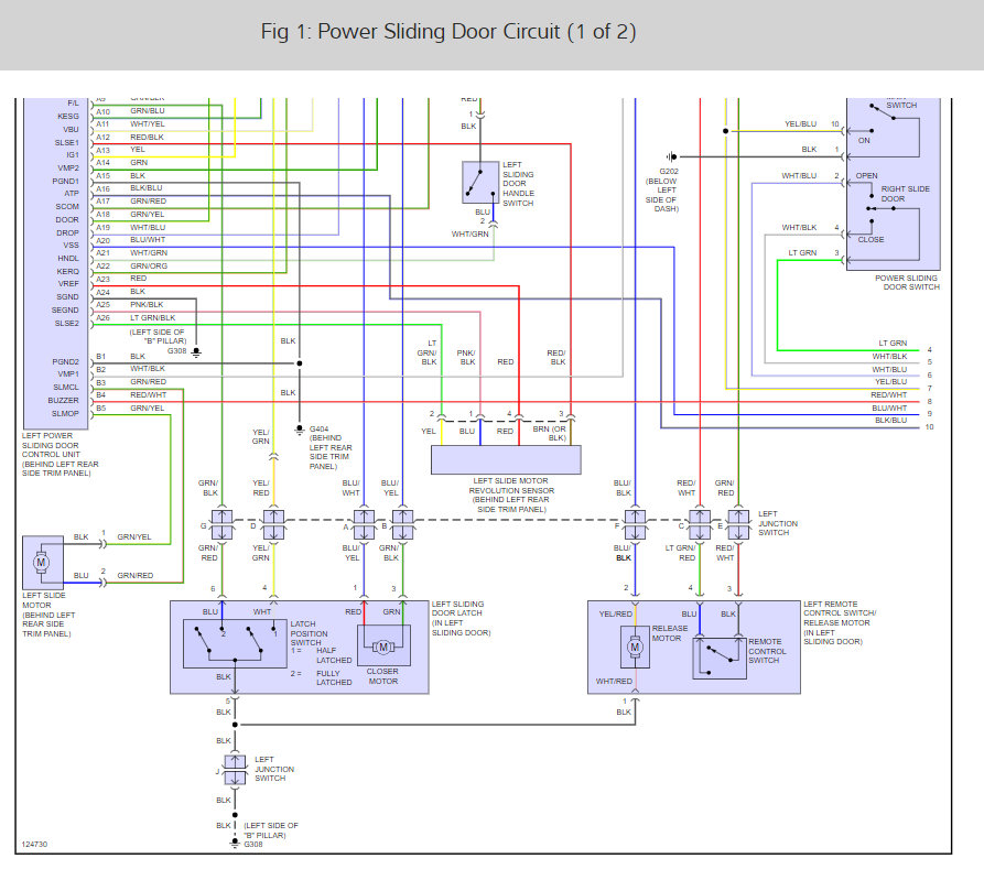
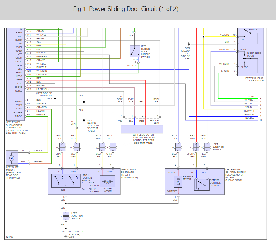
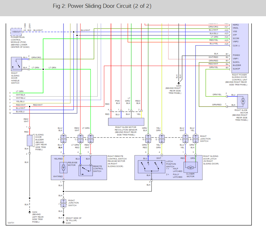
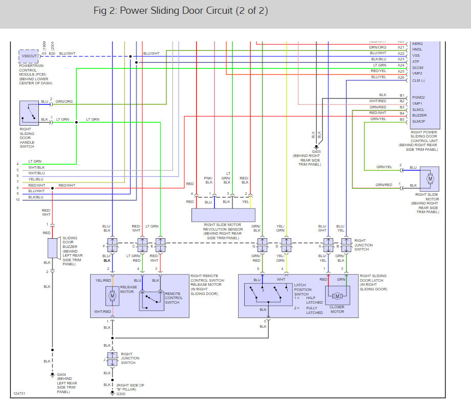
It sounds like you had a voltage surge which took out one of the six fuses (1, 13, 9, 61, 5 and 52) that run the system. Let's start by following this guide to check for power at the fuses. Here are the fuse location and the sliding door wiring diagrams below:

https://www.2carpros.com/articles/how-to-check-a-car-fuse

Check out the diagrams (below). Please let us know what you find.

Cheers, Ken
Dec 11, 2018 at 12:22 PM