signals, both stopped working?

2006 FORD F-350
140,000 MILES • V10 • 2WD • AUTOMATIC
Avatar
DAN POLK
  • MEMBER
  • 1 POST
turn signals both stopped working at the same time, do not go on at all, much less flash. The emergency flasher works well. This is an old Budge Rent a truck, type van turned into a flatbed. It has been a good vehicle.
Dec 19, 2022 at 4:54 PM
Advertisement
Avatar
JACOBANDNICKOLAS
  • CERTIFIED EXPERT
  • 110,175 POSTS
Hi,

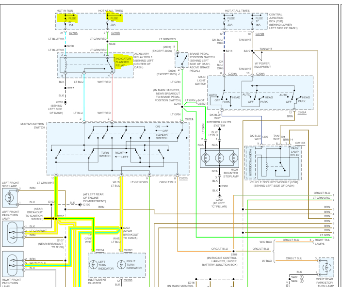
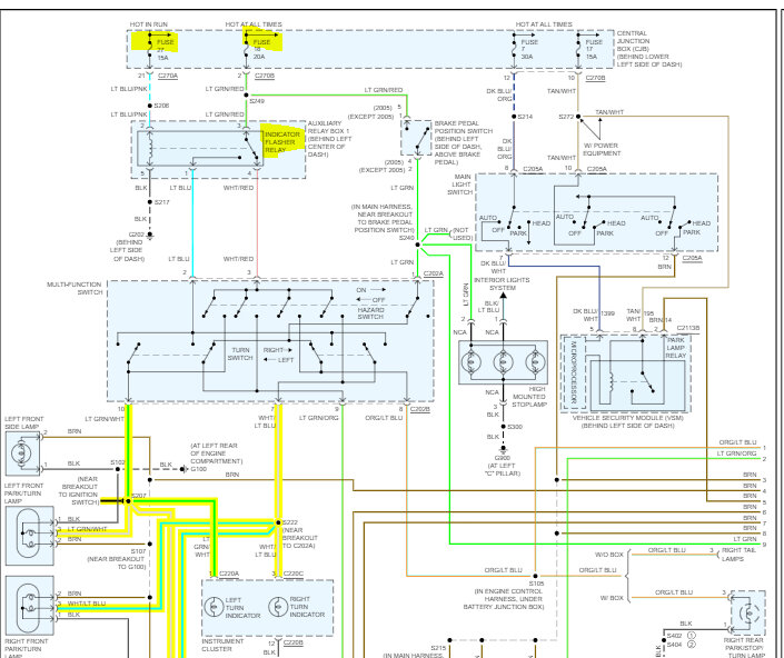
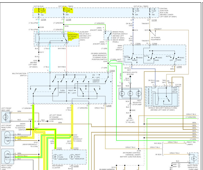
If the signals failed completely, either we lost power from one of two fuses, the flasher relay is bad, or the switch is bad. If I had to guess, I would say either a fuse or the flasher relay,

If you look at the picture below, I highlighted two fuses along with the flasher relay. First, check the fuses. Additionally, make sure they have power to and from them.

Here is a link you may find helpful:

https://www.2carpros.com/articles/how-to-check-a-car-fuse

If they are good, then we need to check the flasher relay.

Let me know what you find.

Take care,

Joe

See pics below. Note: Pic 2 is the CJB under the left side of the dash and pic 3 is the auxiliary relay box 3 behind the left-center side of the dash.
Dec 19, 2022 at 9:15 PM