Hi,
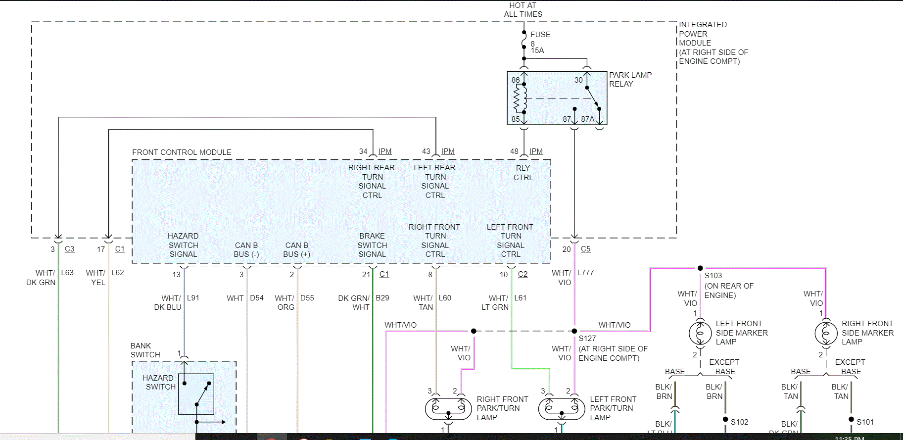
This vehicle has an integrated power module (IPM). Often times, the pins on the module corrode or break and cause this type of issue.
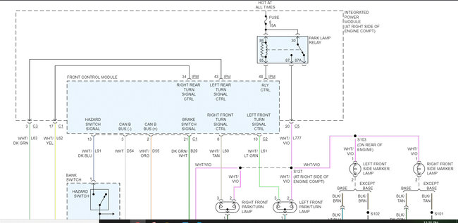
The way to determine if there is a break down in communication within the vehicle's CAN bus system, you need to scan the modules via a CAN scan. CAN stands for computer area network. If you look at the pics below, you will see where it indicates CAN in the wiring schematics. In pic 2, I circled computer area data lines for you to see.
Here is a video that shows how and why a CAN bus scan should be done and how it's done:
https://youtu.be/InIlnsjOVFA
This is what I suggest having done. Let me know if you have questions or need help.
Joe
Images (Click to enlarge)
Jul 4, 2020 at 8:42 PM