Side view mirror wiring?

2006 FORD F-150
199,000 MILES • 5.4L
Avatar
CRAIGOLAW
  • MEMBER
  • 2 POSTS
I have upgraded my mirrors to turn signal indicator and puddle lights. What can I do to have the additional wiring for those functions?
Mar 2, 2023 at 11:02 AM
Advertisement
Avatar
STRAILER
  • CERTIFIED EXPERT
  • 53,855 POSTS
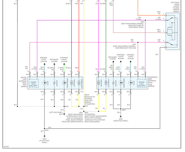
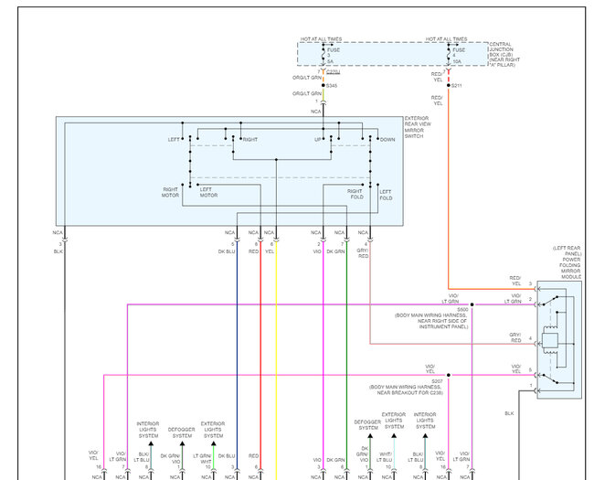
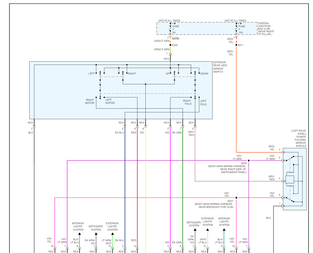
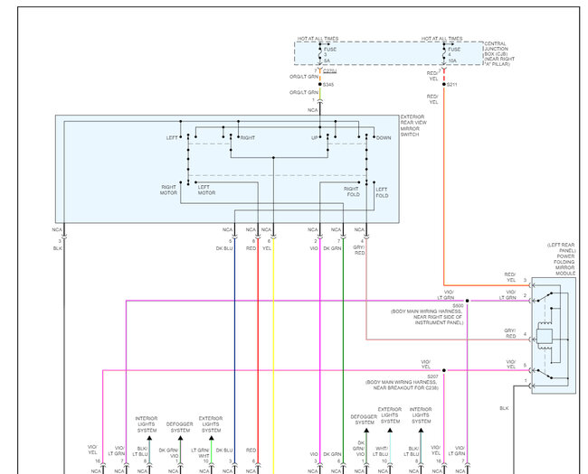
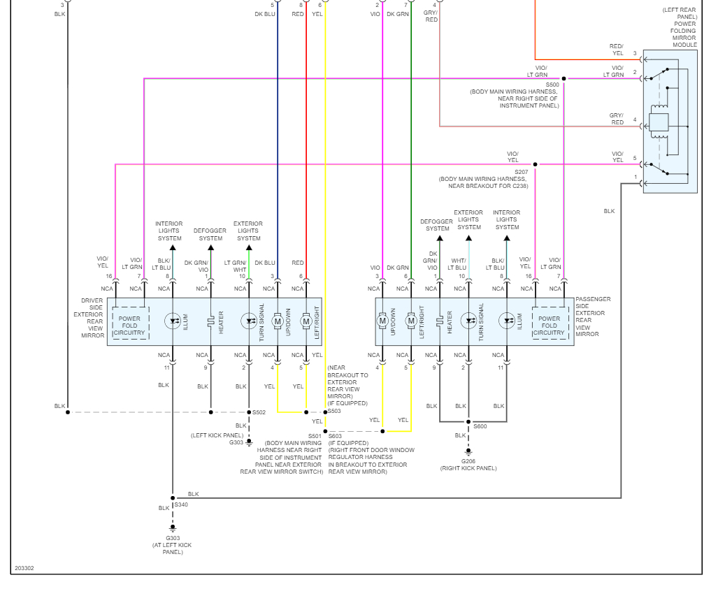
Yep, there are extra power leads and grounds that need to be run, here are the mirror wiring diagrams so you can see what needs to be run. Check out the images (below). Please let us know if you need anything else to get the problem fixed.
Mar 3, 2023 at 9:37 AM
Avatar
CRAIGOLAW
  • MEMBER
  • 2 POSTS
Yes, thanks for the response. How do I get the wiring and connectors?
Mar 3, 2023 at 10:01 AM
Advertisement
Avatar
STRAILER
  • CERTIFIED EXPERT
  • 53,855 POSTS
This can be done by going to a wrecking yard and cutting them out or you can buy the harness from the dealer.
Mar 4, 2023 at 10:43 AM