Side & Rear Lights will not work

1998 VOLVO V70
300,000 MILES
Avatar
DAVIDVINOGRAD
  • MEMBER
  • 2 POSTS
People,

The side, rear and instrument panel lights will not come. The headlights, brake lights, turn signals and backup lights are fine. This is true for both positions of the lights control switch. All fuses appear to be OK.

Where do I start ?

Thanks,

David
Oct 23, 2013 at 5:53 AM
Advertisement
Avatar
HMAC300
  • CERTIFIED EXPERT
  • 48,601 POSTS
check bulbs first for side lights check to see if instrument lights get power
Oct 23, 2013 at 7:01 AM
Avatar
DAVIDVINOGRAD
  • MEMBER
  • 2 POSTS
People,

Given these are all the lights that should come on when the headlight switch is in position 1 or 2, I would think there is a common cause, like a relay that is failing. Any idea where this relay is located, its id, and how to test it.?

Dave
Oct 23, 2013 at 9:50 AM
Advertisement
Avatar
HMAC300
  • CERTIFIED EXPERT
  • 48,601 POSTS
if the bulbs are burnt out they won't come on until you check to see if they are getting power or not. check fuses c26 c35 and c8 in central fuse box then check the bulbs for the side marker also make sure that you rlight dimmer in car for instruments isn't turned all the way down. If you bulbs are good on sidemarkers the see if the hot wire is hot if it is and bulbs are good then check grounds for sides markers as those can be bad. there is only one relay and it's for headlight so they would not work if relay was bad.
Oct 23, 2013 at 12:04 PM
Avatar
HMAC300
  • CERTIFIED EXPERT
  • 48,601 POSTS
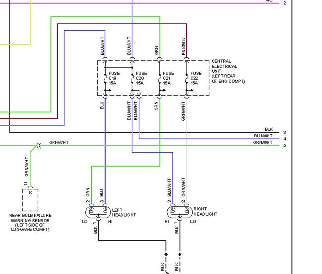
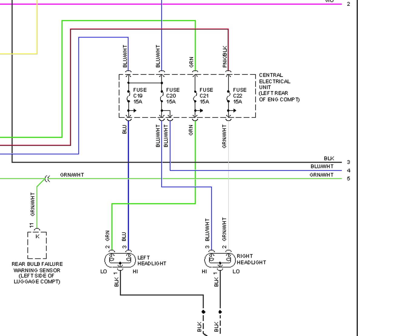
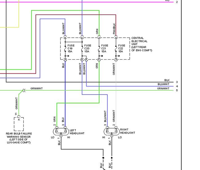
also check these fuses in trunk
Oct 23, 2013 at 12:10 PM