Side mirrors wiring diagram

2010 TOYOTA TACOMA
120,000 MILES • V6 • 2WD • AUTOMATIC
Avatar
JESUS BERRIOS2
  • MEMBER
  • 9 POSTS
I need the wiring diagram of the side mirrors for my truck. Thanks for the help!
Jan 14, 2019 at 9:16 AM
Advertisement
Avatar
JACOBANDNICKOLAS
  • CERTIFIED EXPERT
  • 110,175 POSTS
Hi and thanks for using 2CarPros.

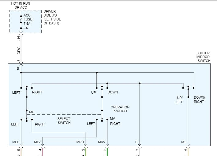
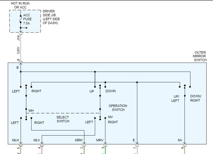
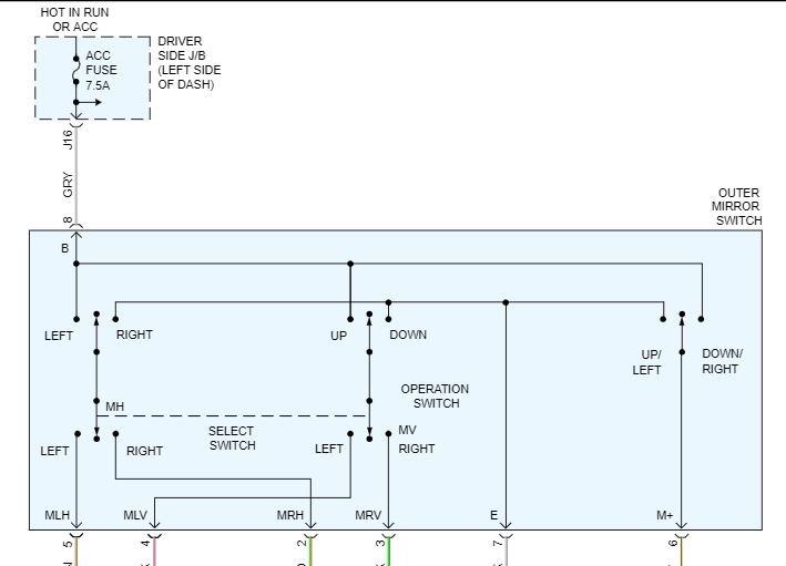
I attached the schematics. There are two different set ups. One is standard power windows (pictures 1 and 2) and the other is Electrochromic Mirror. (pictures 3 and 4). I had to break the schematic into two parts because of size, but I overlapped them so you could follow.

I noted that you indicate "Little Knowledge, so here are a few links you may find helpful.

https://www.2carpros.com/articles/how-to-use-a-test-light-circuit-tester

https://www.2carpros.com/articles/how-to-use-a-voltmeter

https://www.2carpros.com/articles/how-to-check-wiring

Let me know if this is what you needed or if you have other questions.

Take care,
Joe
Jan 14, 2019 at 8:43 PM
Avatar
JESUS BERRIOS2
  • MEMBER
  • 9 POSTS
Perfect! That's just what I needed thanks a lot!
Jan 16, 2019 at 10:40 AM
Advertisement
Avatar
JACOBANDNICKOLAS
  • CERTIFIED EXPERT
  • 110,175 POSTS
Glad to help. Let me know if you need anything.

Take care,
Joe
Jan 16, 2019 at 5:23 PM