Side marker lights and fogs lights are not working

2004 JAGUAR XJ8
140,000 MILES • 4.3L • V8 • 2WD • AUTOMATIC
Avatar
GREENXJ8
  • MEMBER
  • 1 POST
But all other lights work. fuses are good, relays good.
Sep 5, 2019 at 11:56 AM
Advertisement
Avatar
STRAILER
  • CERTIFIED EXPERT
  • 53,854 POSTS
Hello,

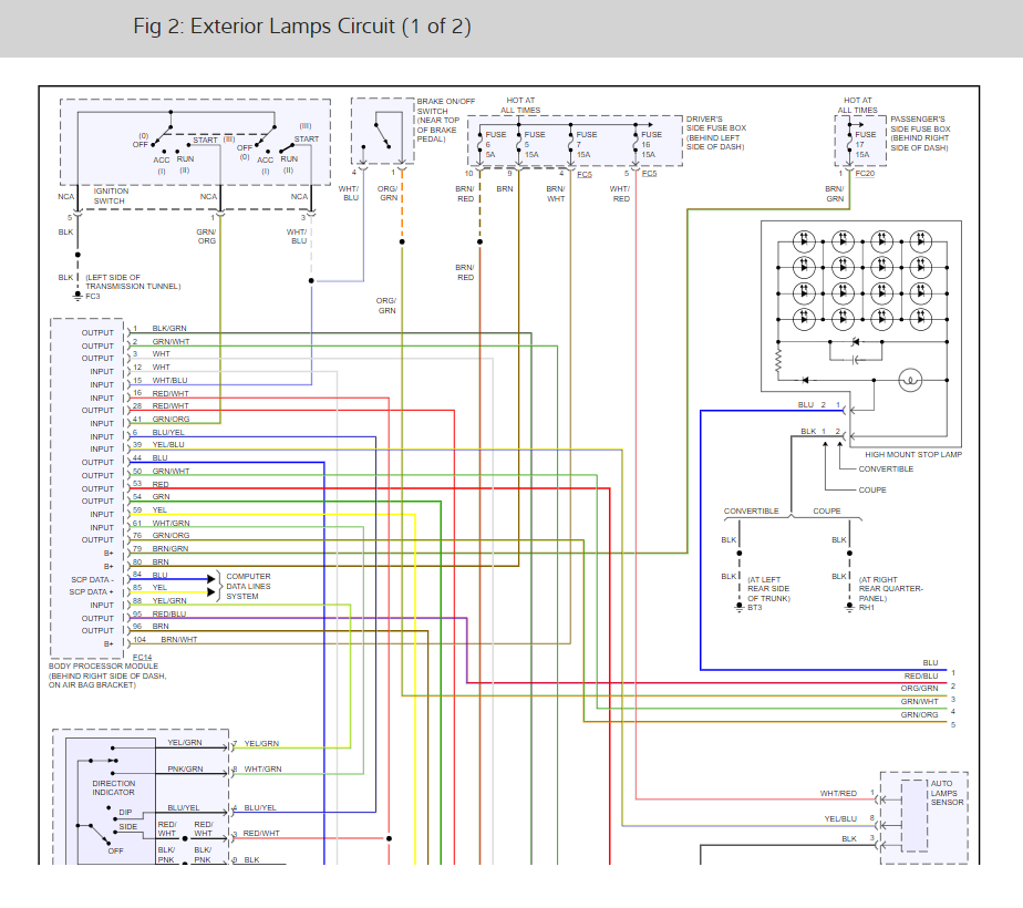
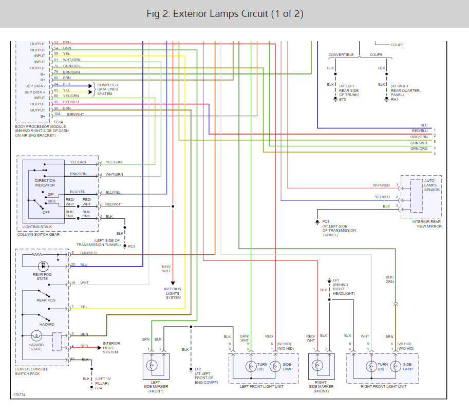
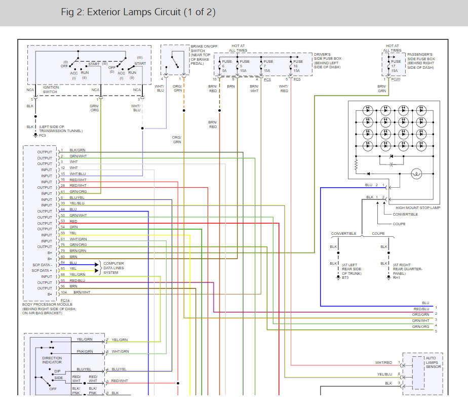
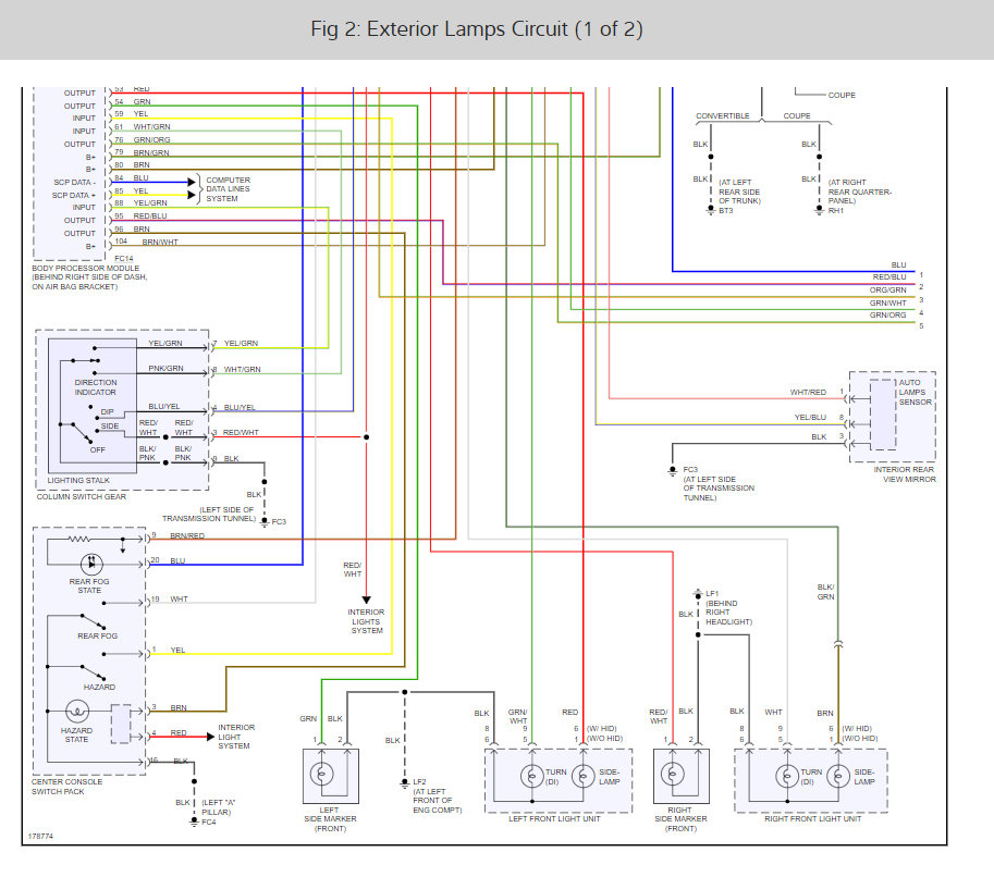
There are a hand fuse of fuses and relays that run the system we should check the fuses first. here are the wiring diagrams so you can see how the system works and which fuses and relays to check:

https://www.2carpros.com/articles/how-to-check-a-car-fuse

and

https://www.2carpros.com/articles/how-to-check-an-electrical-relay-and-wiring-control-circuit

Check out the diagrams (below). Please let us know what you find. We are interested to see what it is.
Sep 7, 2019 at 1:35 PM