wiring diagram for third brake light?

2015 HYUNDAI SONATA
100,000 MILES • 2.0L • 4 CYL • 2WD • AUTOMATIC
Avatar
JOSHUA LEBOEUF
  • MEMBER
  • 1 POST
So the two side brake lights are staying on, but only when the car is powered on. The middle one works as normal. Is this an easy fix?
Jul 26, 2019 at 9:59 AM
Advertisement
Avatar
STRAILER
  • CERTIFIED EXPERT
  • 53,854 POSTS
Hello,

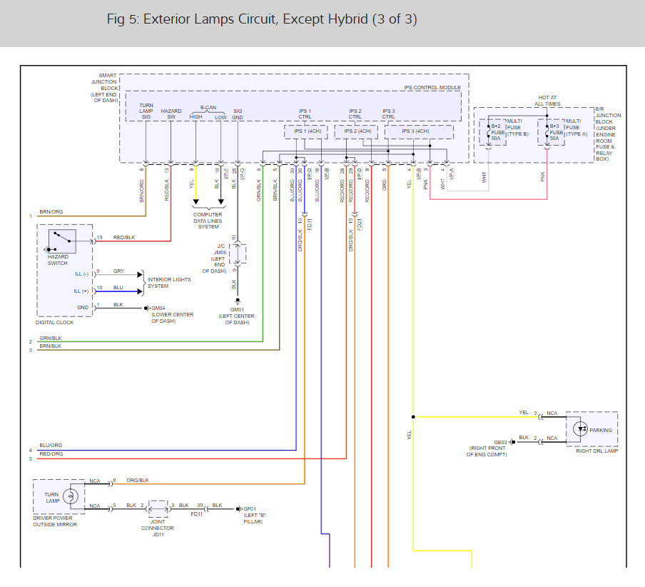
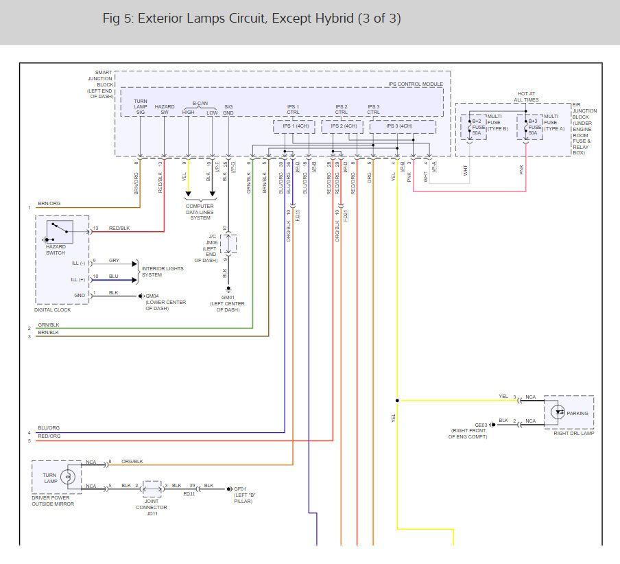
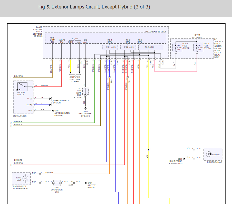
This sounds like the brake light control module is out. To be sure here is a guide to check the outputs to the brakes lights and the brake light wiring diagrams so you can see how it works with the module location (right side of dash) so you can check the electrical connector for corrosion:

https://www.2carpros.com/articles/how-to-check-wiring

Check out the diagrams (below). Please let us know what you find. We are interested to see what it is.
Jul 28, 2019 at 12:30 PM