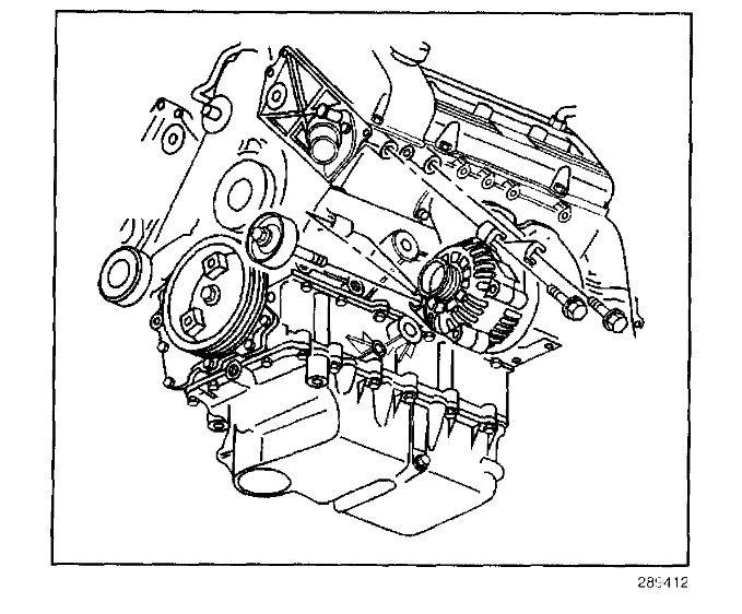
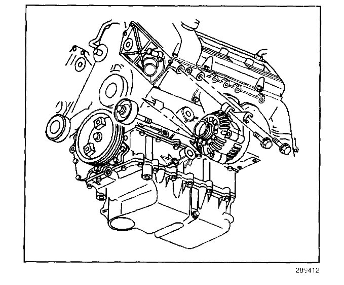
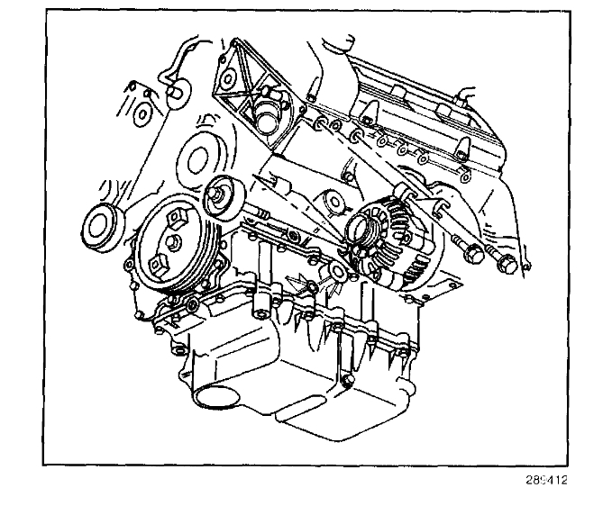
Alternator location

2002 OLDSMOBILE INTRIGUE
119,000 MILES • 3.5L • 4 CYL • 2WD • AUTOMATIC
Avatar
  • MEMBER
  • 1 POST
Bad alternator. Please show me where the alternator is located at with a picture.
Jul 19, 2019 at 9:05 AM
Advertisement
Avatar
SCGRANTURISMO
  • CERTIFIED EXPERT
  • 4,897 POSTS
Hello,

In the diagrams down below I have included the step by step directions from the vehicle manufacturer for the removal and installation of your vehicle's alternator. It does have pictures of where the alternator is located in the guide. Please go through the guide and get back to us with what you are are able to find out, or how things go.

Thanks,
Alex
2CarPros
Jul 19, 2019 at 10:24 AM