Short and wiring or something indicator light shuts off half the truck

1995 CHEVROLET SILVERADO
129,000 MILES • 5.7L • V8 • 4WD • AUTOMATIC
Avatar
JULION MCCLURESR
  • MEMBER
  • 2 POSTS
When I start my truck and shipping the engine light doesn't come on and sometimes when it's on, you're driving down the road it goes off, that loses your heat, and cruise control. I don't know what else, I just changed the ignition module because the gauges were not working and now this is a problem.
Jul 1, 2022 at 2:36 PM
Advertisement
Avatar
STRAILER
  • CERTIFIED EXPERT
  • 53,854 POSTS
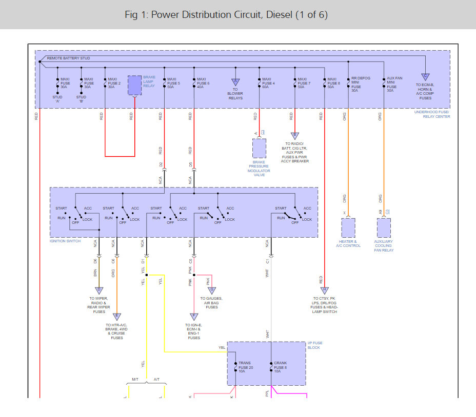
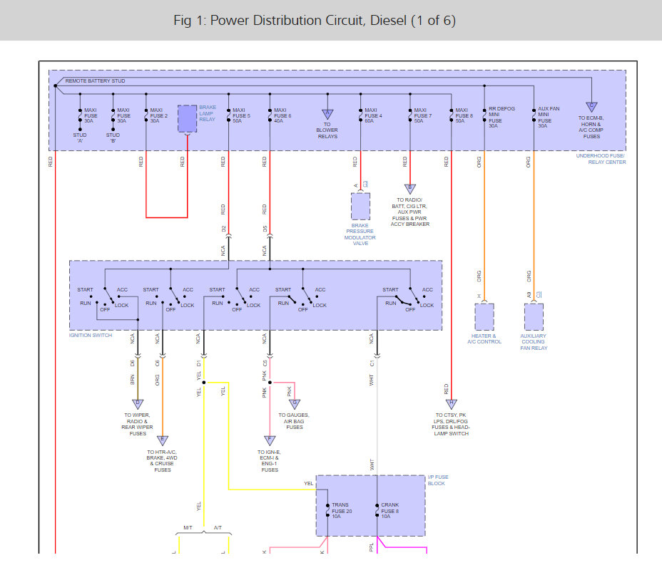
This is common when the ignition switch goes out. To be sure, here is a guide to help you to test for power at the brown, yellow, pink, and orange wire with the ignition switch on. You should do the test when the gauges etc., are not working.

https://www.2carpros.com/articles/how-to-use-a-test-light-circuit-tester

See how the system works by clicking the image ignition wiring diagrams below. Check out the diagrams (below). Please let us know what you find. We are interested to see what it is.
Jul 2, 2022 at 1:37 PM
Avatar
JULION MCCLURESR
  • MEMBER
  • 2 POSTS
I've already changed the ignition switch out twice thinking that it was it because that was it on the first one it worked for about a week on this one and then now, I got the issue of the indicator light on the shift is not working but now I turn the heater on and indicated like won't work at all turn the heater off indicator light works now what's the issue.
Jul 2, 2022 at 1:43 PM
Advertisement
Avatar
STRAILER
  • CERTIFIED EXPERT
  • 53,854 POSTS
That sounds like a bad ground, I would check the under dash ground points, here are the locations in the diagrams below.

Jul 3, 2022 at 10:34 AM