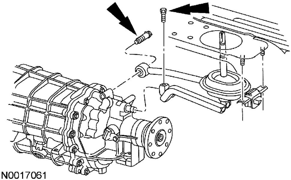
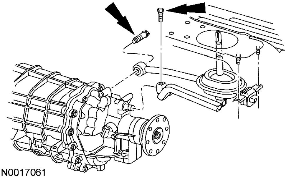
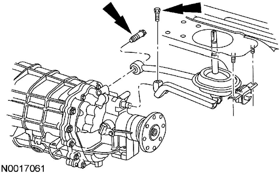
I was getting onto the interstate and shifting from fourth to fifth and let the clutch out and I was in neutral and it wouldn't "find" fifth gear. Got to a stop and the shifter won't "find" any gears. It just moves around freely not finding anything. Took boot off and looked down at bar (linkage I guess) and the bar is moving. Before this happened going into third would sometimes slightly grind. I don't think it's the forks but I do not know. I haven't ever faced this issue and I've been working on cars since I was 14 (I'm 40 now). Haven't had a manual in a long time but I wasn't shifting hard or anything. I just got this car an hour before this happened. Looking at the under side it does appear this car was pulled out of the mud recently. It's caked under there in nasty Alabama clay.
Side note: I read something about a brake light switch. Does the manual transmission switch operate the same way but not allowing to shift out of neutral? Would not make complete sense but I just don't know. Car does start.
Side note: I read something about a brake light switch. Does the manual transmission switch operate the same way but not allowing to shift out of neutral? Would not make complete sense but I just don't know. Car does start.
Nov 6, 2019 at 10:30 AM
