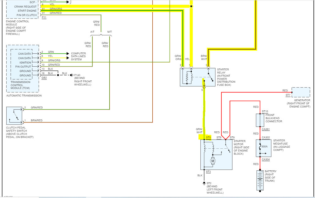
Shifter is stuck in Park and the lights dim but the starter doesn't respond when the key is turned.
A beeper sounds when the key is turned off.
It still will not turn over if I release the shift lock manually and place the shifter in Neutral.
Ther's no current at starter solenoid trigger. (Starter is okay)
Brake lights work when petal is depressed but there's no audible click coming from the shifting module.
Question: Is the shift module part of the starter circuit and will a new one resolve both issues?
A beeper sounds when the key is turned off.
It still will not turn over if I release the shift lock manually and place the shifter in Neutral.
Ther's no current at starter solenoid trigger. (Starter is okay)
Brake lights work when petal is depressed but there's no audible click coming from the shifting module.
Question: Is the shift module part of the starter circuit and will a new one resolve both issues?
Apr 27, 2023 at 11:27 AM

