Shifter hard to put in gear

2008 VOLKSWAGEN GTI
215,000 MILES • 4 CYL • TURBO • 2WD • MANUAL
Avatar
NASER NASER
  • MEMBER
  • 836 POSTS
Most of the time when I get to a traffic light, and when am about to take off, it is difficult putting it in first gear, doesn't grind, once you take off second is also a bit hard then with speed rest of the gears are smooth... has higher miles. is it possible the transmission is low on oil? I see some oil around the engine and transmission or is it usually the shifter needs lubrication?
Apr 20, 2020 at 3:59 PM
Advertisement
Avatar
JACOBANDNICKOLAS
  • CERTIFIED EXPERT
  • 110,175 POSTS
Hi,

Chances are it isn't low fluid, but anything is possible. Here are directions for checking the level. The attached pictures correlate with the directions.

______________________________

2008 Volkswagen GTI (1K1) L4-2.0L Turbo (CBFA)
Transmission Fluid, Checking
Vehicle Maintenance Fluids Fluid - M/T Testing and Inspection Component Tests and General Diagnostics 02Q Transmission Transmission Fluid, Checking
TRANSMISSION FLUID, CHECKING
Transmission Fluid, Checking

Special tools, testers and auxiliary items required

Torque Wrench (5-50 Nm) (V.A.G 1331)

Triple Square Socket Driver (3357)

Transmission fluid, refer to the parts catalog.

- Remove the noise insulation.

- Remove the oil fill plug - arrow -.


pic 1


The oil level is correct when the transmission is filled up to the lower edge of the fill hole.

- Install the plug - arrow - with a new seal.

- Tighten the plug - arrow - to specification, refer to.

When filling, note the following:

- Remove the plug - arrow -.

- Top off the oil to the lower edge of the fill hole.

- Install the plug - arrow - with a new seal.

- Tighten the plug - arrow - to specification, refer to.

- Install the noise insulation.

Different Versions of the Oil Fill and Oil Drain Plugs


pic 2


I - Oil filler or drain plug with multipoint socket head, 45 Nm

II - Oil filler or drain plug with hex socket head, 30 Nm

________________________________________

As far as the linkage and lubricating, there isn't a specific procedure. However, let me know about the fluid level. Once we determine that is correct, then I will locate a few pic of portions of the linkage you may want to try lubricating. It could also deal with a worn nylon grommet.

Let me know what you find or if you have other questions.

Take care,
Joe
Apr 20, 2020 at 8:29 PM
Avatar
NASER NASER
  • MEMBER
  • 836 POSTS
Have not yet checked fluid. but even when she is not started does the same thin. I am including pictures and videos. can you spot anything that doesn't look right?
Apr 21, 2020 at 10:50 AM
Advertisement
Avatar
JACOBANDNICKOLAS
  • CERTIFIED EXPERT
  • 110,175 POSTS
Hi,

It's really hard to tell from the pics / video. There are several bushings, pins, springs and so on that can be an issue. I don't know if will help, but I will attache the entire break down of the system. It is a lot. The attached pics will correlate with directions and descriptions. Take a look through it and see if you can identify anything that looks worn, out of place, or broken with your vehicle.

I did note that the one shifter lever on the transmission is aftermarket. I'm not sure if other things were replaced as well. As you go through this overview, you will find areas that are recommended to be lubricated.

______________________________

Here is all the info / overview. Please don't be overwhelmed.

_____________________________

2008 Volkswagen GTI (1K1) L4-2.0L Turbo (CCTA)
Shift Mechanism Overview
Vehicle Transmission and Drivetrain Manual Transmission/Transaxle Shifter M/T Service and Repair Removal and Replacement 02Q Transmission Shift Mechanism Overview
SHIFT MECHANISM OVERVIEW
Shift Mechanism Overview

Note the radio code on vehicles with a coded radio.

When working on the shift mechanism in the engine compartment, disconnect the Ground (GND) cable from the battery.

If the battery is to be reconnected, observe the work sequence after connecting the battery.

When working on the shift mechanism in the engine compartment, remove the complete air filter housing, if it is located above the shift mechanism. Refer to one of the following:

Diesel engine.

Gas engine.

To replace the operating cables, remove the shift mechanism. Refer to => [ Shift Mechanism ] See: Shifter M/T > Removal and Replacement > Shift Mechanism.

Do not bend the operating cables.


pic 1


I - => [ Shift Knob and Cover ]

II - => [ Shift Lever and Housing, through 10.06 ]

II - => [ Shift Lever and Housing, from 11.06 ]

III - => [ Shift and Selector Cables ]

Shift mechanism, removing and installing. Refer to => [ Shift Mechanism ] See: Shifter M/T > Removal and Replacement > Shift Mechanism.

Shift mechanism, adjusting. Refer to => [ Shift Mechanism, Adjusting ] See: Shifter M/T > Adjustments > Shift Mechanism, Adjusting.

Shift Knob and Cover


pic 2


1 Emblem

Can be carefully pried off a plastic or leather shift knob.

2 Shift Lever Knob

With boot

The shift knob and boot cannot be separated from each other.

Always replace together

Removing and installing, refer to one of the following:

Eos, GTI through 2009, Golf/GTI from 2010, refer to => [ Shift Knob, Boot and Noise Insulation ] See: Shifter M/T > Removal and Replacement > Shift Knob, Boot and Noise Insulation.

3 Clamp

Always replace

For securing the shift knob to the shift lever.

Secure on the shift knob using the hose clamp pliers (V.A.G 1275).

4 Cover for Center Console

Combined in one piece with the center console on some versions.

5 Noise Insulation

Not equipped on all vehicles.

Arrow on noise insulation points in direction of travel.

Catches are arranged in varying intervals.

Therefore, installation is only possible in one position.

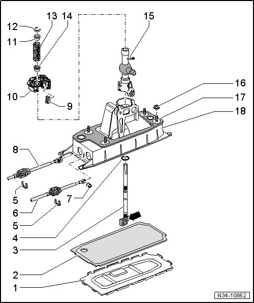
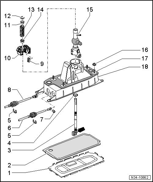
Shift Lever and Housing, through 10.06

Lubricate the bearing areas and the sliding surfaces.

Allocate the grease, refer to the parts catalog.


pic 3


1 Retaining Washer

Removing and installing, refer to.

2 Bushing

3 Spring

4 Bushing

5 TORX Bolt

5 Nm

6 Cover

7 Damper

8 Damper

9 Bearing Shell

10 Shift Lever Guide

11 Damping Washer

12 Gasket

Between the shift housing and floor.

Self-adhesive.

Adheres to the shift housing.

13 Shift Lever

14 Shift Housing

15 Bushing

16 Pivot Pin

17 Guide Bushing

18 Spring

Installing, refer to.

19 Selector Bracket

20 TORX Bolt

5 Nm

21 Gasket

Always replace

22 Base Plate

Always replace

Bend open the tabs to remove.

23 Selector Cable

On the selector bracket

Removing and installing, refer to.

24 Shift Cable

Removing and installing from/to shift lever guide. Refer to.

25 Retaining Washer

Always replace

26 Nut

M6 = 8 Nm

M8 = 25 Nm

Quantity: 4

27 Bushing

Only fits in one position.

28 Retaining Washer

Always replace

Selector and Shift Cable, Removing and Installing


pic 4


- Remove the retaining disc from the shift cable - A - and the selector cable - B -.

To do this, lift up the retainer using a screwdriver - arrow 1 - and press off the locking washer - arrow 2 -.

- Remove the shift cable - A - from the shift lever mount.

- Remove the selector cable - B - from the selector elbow mount.

Spring Installing


pic 5


- Insert the spring so that the leg - A - contacts the upper part of the pin - arrow -.

- Then pull the leg - B - far enough downward so that it rests on the underside of the pin - arrow -.

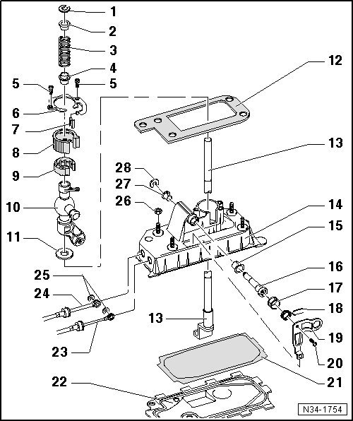
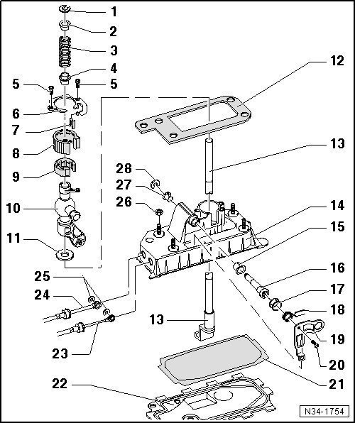
Shift Lever and Housing, from 11.06

Lubricate the bearing areas and the sliding surfaces.

Allocate the grease, refer to the parts catalog.

Shift mechanism, disassembling and assembling. Refer to => [ Shift Mechanism, from 11.06 ] See: Manual Transmission/Transaxle > Overhaul > Shift Mechanism, from 11.06.


pic 6


1 Base Plate

Bend open the tabs to remove.

Always replace

2 Gasket

Always replace

3 Shift Lever

Can be removed and installed with the shift lever guide - item 15 - installed.

4 Damping Washer

Slide out of the shift lever as far as the stop - arrow -.

5 Retaining Washer

Do not damage the cables when removing.

Always replace

6 Selector Cable

Pry off of the selector bracket.

Press onto the selector bracket inside the shift mechanism.

Installed positions, refer to => [ Shift and Selector Cables, Installed Positions ] See: Shift Cable, M/T > Removal and Replacement > Shift and Selector Cables, Installed Positions.

7 Bushing

8 Shift Cable

Pry off of the shift lever guide.

Press onto the shift lever guide inside the shift mechanism.

Installed position, refer to => [ Shift and Selector Cables, Installed Positions ] See: Shift Cable, M/T > Removal and Replacement > Shift and Selector Cables, Installed Positions.

9 Damper

10 Bearing Shell

Is damaged during removal.

Always replace

11 Bushing

12 Retaining Washer

Removing and installing, refer to.

13 Spring

14 Bushing

15 Shift Lever Guide

16 Nut

M6 = 8 Nm

M8 = 25 Nm

Quantity: 4

17 Gasket

Between the shift housing and floor.

Self-adhesive.

Adheres to the shift housing.

18 Shift Housing

With spring and selector bracket.

Spring and selector bracket cannot be removed.

Lock Washer, Removing and Installing


pic 7


- To remove and install the lock washer - arrow A -, push the spacer bushing - arrow B - to the stop using a screwdriver in - direction of arrow C - and pull off the lock washer.

Do not tilt the bushing when pushing down.

The groove in the shift lever for the lock washer must be visible.

Carefully release the tension on the spring.

Shift and Selector Cables

Lubricate the bearing areas and the sliding surfaces.

Allocate the grease, refer to the parts catalog.


pic 8


1 Shift Cable

Connects with cable retainer - item 18 -.

Installed position, refer to => [ Shift and Selector Cables, Installed Positions ] See: Shift Cable, M/T > Removal and Replacement > Shift and Selector Cables, Installed Positions.

From 11.06 changed fastener on shift lever inside shift mechanism.

2 Selector Cable

Connect with cable retainer - item 11 -.

Installed position, refer to => [ Shift and Selector Cables, Installed Positions ] See: Shift Cable, M/T > Removal and Replacement > Shift and Selector Cables, Installed Positions.

From 11.06 changed fastener on selector bracket inside shift mechanism.

3 Retaining Washer

Always replace

Discontinued on shift mechanisms from 11.06. Refer to => [ Shift Lever and Housing, from 11.06 ].

4 Retaining Washer

Always replace

Do not damage cables when removing.

5 Shift Housing

6 Bolt

20 Nm

For the cable bracket

Quantity 2

The nut - item 10 - is then deleted.

7 Cable Mounting Bracket

Can be made of plastic or metal

Passat, Passat CC, CC, and Golf/GTI from 2010: made of plastic.

8 Grommet

Cable mounting bracket to transmission.

9 Spacer

10 Nuts

20 Nm

For the cable mounting bracket.

11 Cable Retainer

Adjust the shift mechanism after installation, refer to => [ Shift Mechanism, Adjusting ] See: Shifter M/T > Adjustments > Shift Mechanism, Adjusting.

For the selector cable to relay lever.

Do not interchange, the cable locking mechanism for the selector cable to the linkage lever and the shift cable to the transmission shift lever are different.

From 03.07 installed with a plastic relay lever, refer to => [ Plastic Relay Lever ] See: Shift Cable, M/T > Components > Plastic Relay Lever.

Removing and installing to a plastic relay lever, refer to => [ Plastic Relay Lever ] See: Shift Cable, M/T > Components > Plastic Relay Lever.

Allocation, refer to.

12 Relay Lever

Installed position, refer to.

Adjust the shift mechanism after installation. Refer to => [ Shift Mechanism, Adjusting ] See: Shifter M/T > Adjustments > Shift Mechanism, Adjusting.

Can be made of plastic or metal.

The metal relay lever is placed in the bushings - item 13 - and secured with a retaining washer - item 14 -.

From 03.07 the relay lever is made of plastic. Refer to => [ Plastic Relay Lever ] See: Shift Cable, M/T > Components > Plastic Relay Lever.

Plastic relay lever, removing and installing with cable retainer. Refer to => [ Plastic Relay Lever ] See: Shift Cable, M/T > Components > Plastic Relay Lever.

The bushings and retaining washers are not needed with the plastic relay lever.

13 Bushing

Not needed with a plastic relay lever.

14 Retaining Washer

Always replace

Not needed with a plastic relay lever.

15 Slide Shoe

16 Transmission Shift Lever

Installing, refer to.

Installed position, refer to.

Adjust the shift mechanism after installation. Refer to => [ Shift Mechanism, Adjusting ] See: Shifter M/T > Adjustments > Shift Mechanism, Adjusting.

Starting in 06.06 there is a smaller pin diameter for the cable retainer.

17 Self Locking Nut

23 Nm

Always replace

18 Cable Retainer

Adjust the shift mechanism after installation. Refer to => [ Shift Mechanism, Adjusting ] See: Shifter M/T > Adjustments > Shift Mechanism, Adjusting.

For the shift cable to transmission shift lever.

Do not interchange, the cable locking mechanism for the selector cable to the linkage lever and the shift cable to the transmission shift lever are different.

Allocation, refer to.

Allocation of Cable Retainers


pic 9


The holes in the cable retainers have various diameters.


pic 10


Smaller Pin Diameter for the Shift Cable Retainer, Starting in 02.06

pic 11



pic 12


Transmission Shift Lever, Installing


pic 13

- When positioning the transmission shift lever, make sure the gap - arrow A - is placed over the missing selector shaft teeth - arrow B -.

Transmission Shift Lever/Relay Lever, Installed Position


pic 14


1 Transmission shift lever
2 The relay lever engages into the guide rail of the transmission shift lever, via the guide shoe - arrow -.

Cable Retainer, Replacing


pic 15


- Pull the securing mechanism forward at the cable retainer on the shift and selector cables as far as the stop - 1 arrows - and then release it to the left - 2 arrows -.

- Remove the shift cable lock washer - 3 - from the transmission selector lever - 1 -.

- Remove the shift cable from the pin.


pic 16


Metal Relay Lever

- Remove the retaining washer - 4 - for the selector cable from the relay lever - 2 -.

- Remove the selector cable from the pin.

Plastic Relay Lever

- Remove the relay lever with the cable retainer, refer to => [ Plastic Relay Lever
from 03.07 ] See: Shift Cable, M/T > Components > Plastic Relay Lever.

- Pry the cable retainer off, refer to => [ Plastic Relay Lever
from 03.07 ] See: Shift Cable, M/T > Components > Plastic Relay Lever.

Continuation For All Shift Mechanisms

- Apply a small amount of grease onto the pin on the transmission shift lever - arrows - and on the relay lever - 2 -.

Allocate the grease, refer to the parts catalog.

- Replace the lock washer - 3 - and, with the metal relay lever, the retaining washer - 4 - after each disassembly.

- Secure the shift cable with the lock washer - 3 - and, with the metal relay lever, selector cable with retaining washer - 4 -.

If a plastic relay lever is installed, it must be installed together with the cable retainer. Refer to => [ Plastic Relay Lever
from 03.07 ] See: Shift Cable, M/T > Components > Plastic Relay Lever.

Adjust the shift mechanism. Refer to => [ Shift Mechanism, Adjusting ] See: Shifter M/T > Adjustments > Shift Mechanism, Adjusting.

______________________________

Let me know if any of that helps.

Take care,
Joe
Apr 21, 2020 at 6:25 PM
Avatar
NASER NASER
  • MEMBER
  • 836 POSTS
Thanks, ya i know these cars have ton of stuff to lubricate and i have already done so already under the boot and in the engine compartment. The first gear sometimes wont go in until you try to force it many times and sometimes goes in smoothly. Ya i noticed the exs tuning piece that is why am not sure whether someone didn't do something right or forgot to add something or forgot to install a washer or whatever. Hard to tell. I will play with it based on the pics . Thanks again
Apr 21, 2020 at 6:56 PM
Avatar
JACOBANDNICKOLAS
  • CERTIFIED EXPERT
  • 110,175 POSTS
You are very welcome. If you have a chance, let me know what you find. I'm interested in knowing.

Take care,
Joe
Apr 21, 2020 at 7:05 PM