Transmission will not shift into park

2008 CHRYSLER PT CRUISER
135,000 MILES • 6 CYL • 2WD • AUTOMATIC
Avatar
AUSTIN WALKER
  • MEMBER
  • 1 POST
Once in neutral it will go into drive easily and first and third gear easily. Once you attempt to shift to reverse it becomes very difficult but refuses to shift into park. What could resolve this issue?
May 9, 2020 at 7:44 PM
Advertisement
Avatar
DANNY L
  • CERTIFIED EXPERT
  • 5,648 POSTS
Hello, I'm Danny.

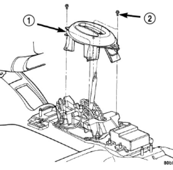
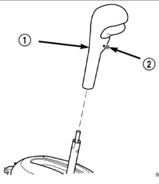
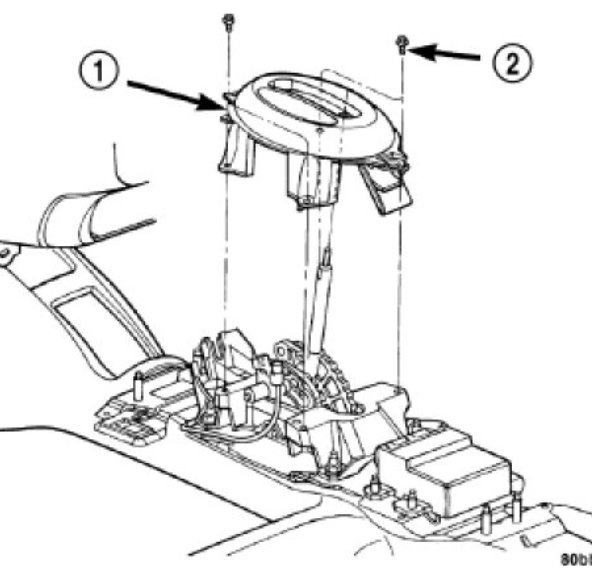
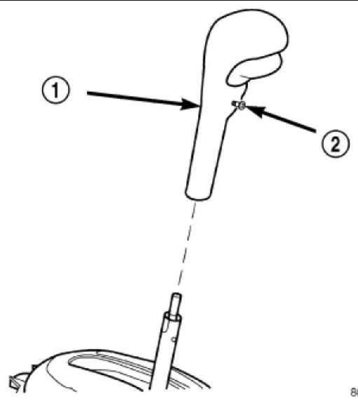
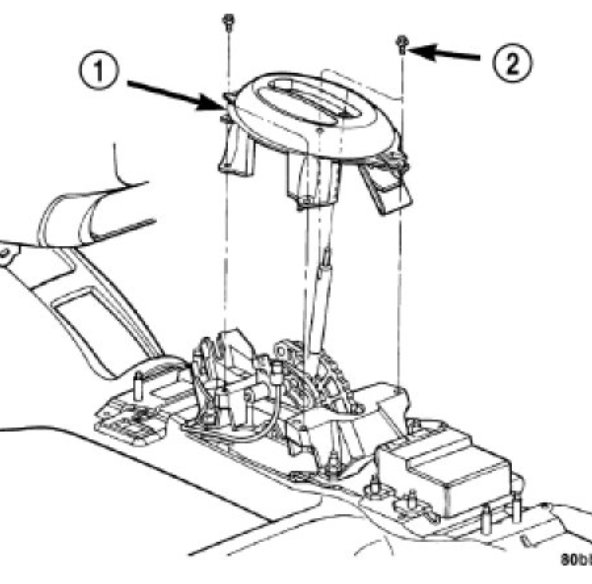
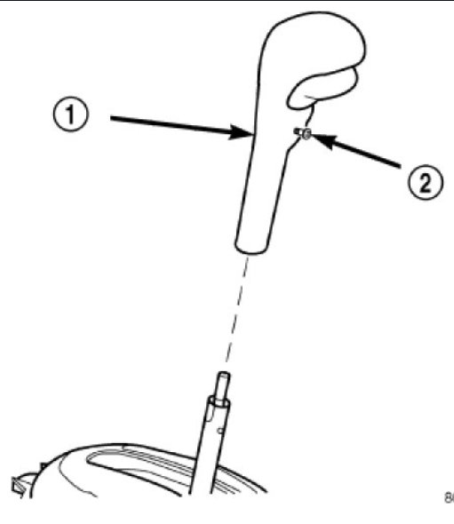
It sounds like you might be having an issue with the shift interlock cable.
I've attached picture steps below showing how to replace for your car below.Hope this helps and thanks for using 2CarPros.
May 9, 2020 at 8:31 PM