Shifter cable Issue

2007 CHRYSLER PT CRUISER
80,000 MILES • 2.4L • 4 CYL • 2WD • AUTOMATIC
Avatar
ERIC SHULTS
  • MEMBER
  • 7 POSTS
On the shifter cable connector inside the vehicle at the shifter is there supposed to be a small C clamp where the connector rod goes into shifter cable connector by the rubber bushing? Mine either fell off or did not have one. Trying to put back together. Thanks
Aug 22, 2019 at 11:30 AM
Advertisement
Avatar
KASEKENNY
  • CERTIFIED EXPERT
  • 18,907 POSTS
Hi,

I believe the rubber bushing holds it in place. However, this part is more than likely used in past products or other products and they use a c clip to hold it in place, which is why that notch is there. If you want to put one in, you are not hurting anything so if it were me, I would just put one on and cover all my bases. However, the service information just says to remove the cable and does not mention a c clip so I suspect it does not call for one.

Let me know if you have more questions. Thanks
Aug 22, 2019 at 12:57 PM
Avatar
ASEMASTER6371
  • CERTIFIED EXPERT
  • 52,796 POSTS
Good afternoon,

Yes, there should be a C clip that will hold that shaft in place.

If you cannot find it, remove the shaft and go to a parts house and get a clip that will fit.

Roy
Aug 22, 2019 at 12:58 PM
Advertisement
Avatar
ERIC SHULTS
  • MEMBER
  • 7 POSTS
Guys, thank you for the responses. Much appreciated. The shifter cable end on the transmission side is very stiff. Is there a way to grease, or oil this somehow? My battery tray is rusted some so I know water is getting on this plus it's mounted straight up and down. If you can oil/lube this can you explain how I would do this? I cannot find anything online about it. Guys talk about it but no ones shows how to do it. Thanks again.
Aug 22, 2019 at 1:09 PM
Avatar
ASEMASTER6371
  • CERTIFIED EXPERT
  • 52,796 POSTS
No, there is no lubricating the cable. If it is stiff, it will need to be replaced.

Roy

REMOVAL


imageOpen In New TabZoom/Print

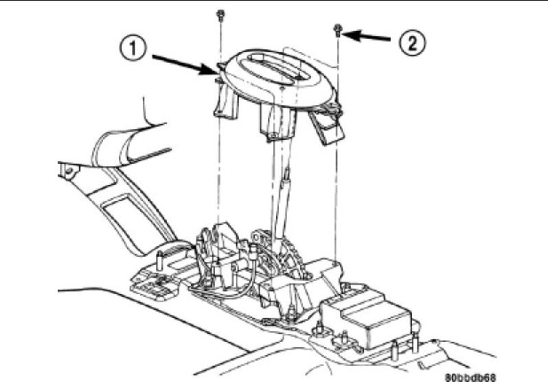
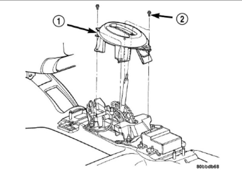
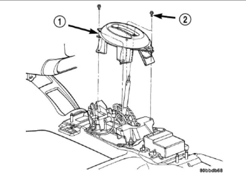
1. Loosen set screw (2) and remove knob (1) from shifter handle.


imageOpen In New TabZoom/Print

2. Remove the center console assembly (1).


imageOpen In New TabZoom/Print

3. Remove shifter bezel (1).


imageOpen In New TabZoom/Print

4. Disconnect shift cable (3) from shifter mechanism (1).
5. Remove three grommet plate to floor pan nuts as shown in.


imageOpen In New TabZoom/Print

6. Remove air cleaner assembly (1).


imageOpen In New TabZoom/Print

7. Disconnect both battery cables, remove battery hold down clamp and bolt, and remove battery (1).


imageOpen In New TabZoom/Print

8. Remove battery tray (1) from bracket.


imageOpen In New TabZoom/Print

9. Disconnect shifter cable (2) from shift lever (1) and remove from bracket.
10. Raise vehicle on hoist.


imageOpen In New TabZoom/Print

11. Remove catalytic converter heat shield (1).


imageOpen In New TabZoom/Print

12. Remove remaining grommet plate (1) screw and remove cable assembly (2) from vehicle.
Aug 22, 2019 at 1:26 PM
Avatar
ERIC SHULTS
  • MEMBER
  • 7 POSTS
Roy, there is no way to just lubricate the transmission arm where the cable attached on the transmission side? It just seems like the arm is slightly rusted. Its hard to move. I checked to see if the cable is binding and it appears not to be as far as can tell. I am a novice so I am not sure how a shifter cable goes bad. Forgive me. It just feels like the arms on the transmission is super stiff.
Aug 22, 2019 at 1:40 PM
Avatar
ASEMASTER6371
  • CERTIFIED EXPERT
  • 52,796 POSTS
No there is not. The rust has invaded the cable inside the casing. It is a long cable and you can not get any lubricant into the inner cable.

You need to replace the cable to get it working smoothly.

Roy
Aug 22, 2019 at 1:42 PM
Avatar
ERIC SHULTS
  • MEMBER
  • 7 POSTS
What would cause the cable to bind? The cable itself looks fine. It doesn't look like it's catching on anything. The transmission shifter cannot be moved hardly at all. It is very stiff. Maybe I am wrong. Again I know nothing about shifter cables. Sorry for the novice questions. We all gotta learn somewhere.
Aug 22, 2019 at 1:46 PM
Avatar
ERIC SHULTS
  • MEMBER
  • 7 POSTS
Okay, gotcha. I sincerely appreciate all your help.
Aug 22, 2019 at 1:47 PM
Avatar
ERIC SHULTS
  • MEMBER
  • 7 POSTS
"Well after a week of driving in the rain the problem came back, this time the shifter was so tight that the cable popped out of the shifter but it didn't break. I removed the air filter assembly and battery then moved the battery tray out of the way, this revealed the other end of the shift cable which is connected to the end of the shift arm and mounting bracket. The steel shift arm and shift shaft were all rust and the shaft was binding where it goes into the aluminum transmission case. The three mounting bolts were removed that held on the mounting bracket so the shift shaft could be moved regardless of the shifter placement. It was almost impossible to rotate the shift arm/ shaft even with a tool for leverage. Since the shift shaft is mounted pointed up from the case, water can get in there and cause rust which binds the assembly. I sprayed the assembly with penetrating oil and heated up the housing a little to free it up some then used a long wrench to move the arm back and forth. The whole shift arm and shift shaft are now covered in grease to keep any water out and the shifter now moves freely because the grease has gotten between the metal parts. I hope this fixes it for good."
This is from another PT cruiser forum and why I was asking about my questions. This posters description is spot on with mine for an automatic.
Aug 22, 2019 at 2:10 PM
Avatar
ASEMASTER6371
  • CERTIFIED EXPERT
  • 52,796 POSTS
Okay, keep me updated.

Roy
Aug 22, 2019 at 2:42 PM