Hi,
Thanks for the video. I can see the range sensor is working. That's a good thing. LOL As far as the issue, I noticed the engine light is on. At this point, we really need to scan the can-bus as I mentioned above. That will let us know if there is an electronic issue with the circuit. Other than that, line pressure will need to be checked to see if it is low.
I know it feels like I'm walking you from one thing to another, but without scanning for codes, it is a guessing game. Also, I know you may not be able to scan the can-bus. If that is the case, then we need to see if the transmission line pressure is within spec. Since nothing happens when shifting and this happened suddenly, there is a good chance there is a problem with the pressure solenoid in the transmission. So, we have two ways to identify if pressure is an issue, scan, or pressure test, which includes the use of a scan tool.
I attached the directions below for the pressure test. Also, I read through a few technical bulletins regarding line pressure issues related to a plugged cooler. That's one of the reasons asked about the fluid condition. However, based on what you said, it sounds like that isn't an issue.
Regardless, let me know what I can do to help. I wish I could just say replace a part, but it's never that easy.
Take care,
Joe
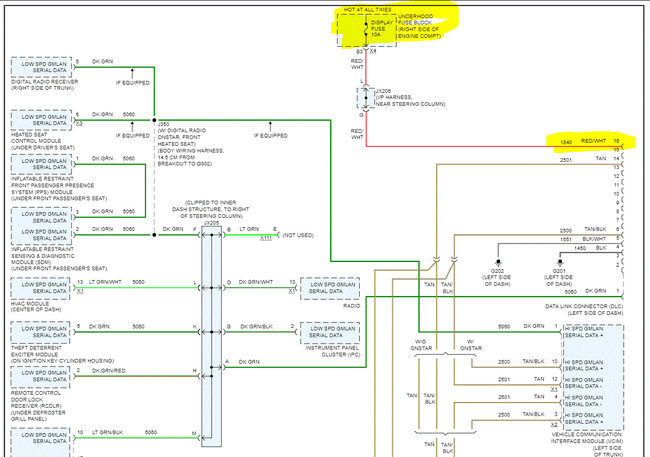
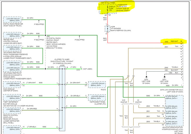
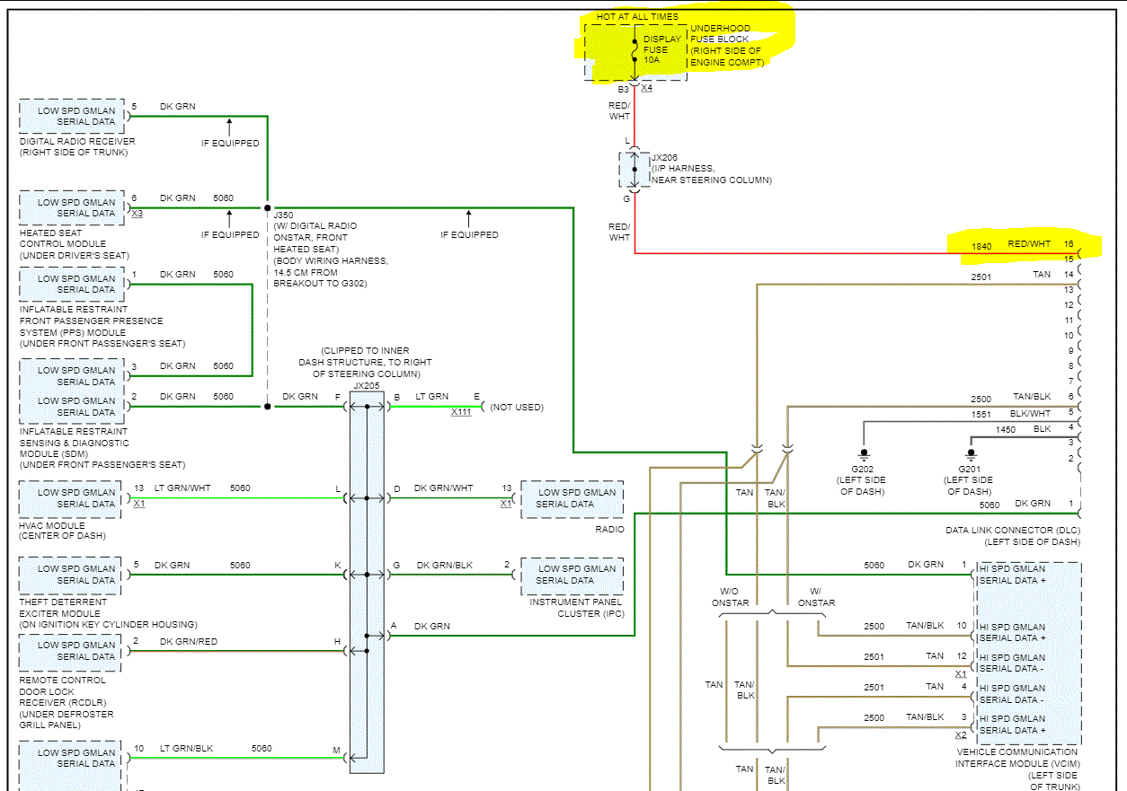
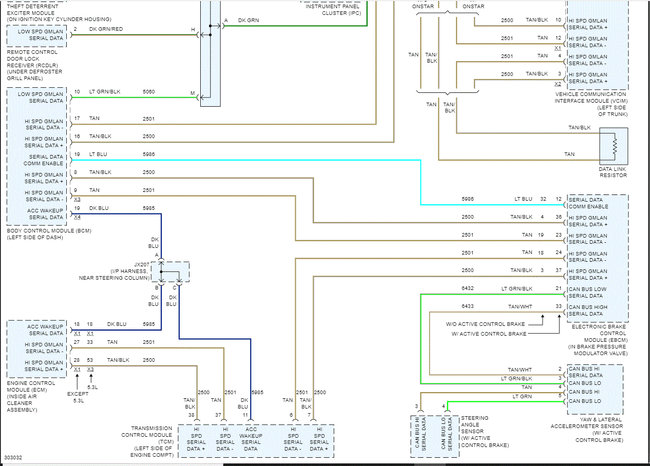
See pics below.
Images (Click to enlarge)
Nov 2, 2021 at 6:38 PM