Hello,
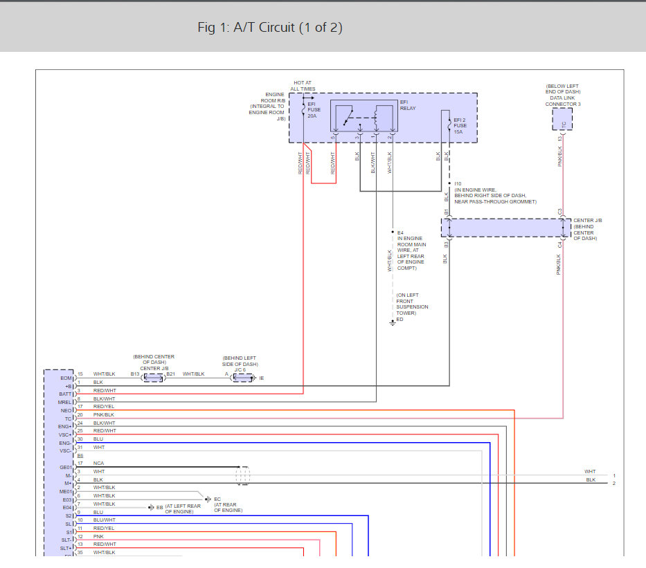
No solenoid has its own fuse, but there are five fuses that run the transmissions system which you need to check. Here is a guide to help you and the fuse location along with the transmission wiring diagrams so you can see how the system works:
https://www.2carpros.com/articles/how-to-check-a-car-fuse
Check out the diagrams (below). Please let us know if you need anything else to get the problem fixed.
Cheers, Ken
Images (Click to enlarge)
May 26, 2021 at 6:43 PM