Shift resistance

1998 HONDA ACCORD
270,000 MILES • 2.3L • 4 CYL • 2WD • AUTOMATIC
Avatar
MUSICGENIUS83
  • MEMBER
  • 29 POSTS
As I came home today when I attempted to put my car in park my shifter wouldn't go all the way up to Park and it popped back into neutral and the only way I can get it to stay and park is by putting force on it. I can feel resistance when I go from neutral to park there's nothing wrong with any of the other gears and they all work. it drives fine but when I lift up to go into park I have to put pressure on it and it almost feels like the same pressure you would have pulling your emergency brake when I try to put it in park. I have to put a certain amount of pressure on it and there's resistance to get it in park FYI every other time that I do this and put it in the park I can get the key out of the ignition. I'm assuming it might have something to do with the range solenoid because when I disconnected the harness to the shift position solenoid and plugged it back in then it let me take the key out of the ignition. it's like it's not recognizing that it's in park and I don't know if there's some kind of adjustment that I could do or do I need to replace the shift range sensor all together?
Sep 20, 2019 at 2:10 PM
Advertisement
Avatar
JACOBANDNICKOLAS
  • CERTIFIED EXPERT
  • 110,175 POSTS
Welcome to 2CarPros.

The shift range sensor shouldn't cause restriction, but anything is possible. And yes, there is an adjustment on the shift cable. What I need you to do is this. Disconnect the shift cable at the transmission to see if the shifter is easier to move. At that point, it won't be connected to the transmission, so if it seems tight, we know it is the cable.

______________________

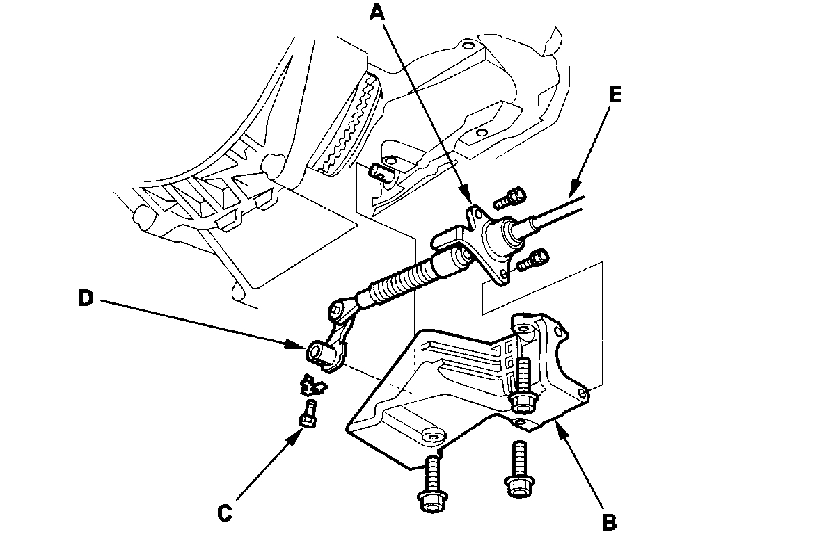
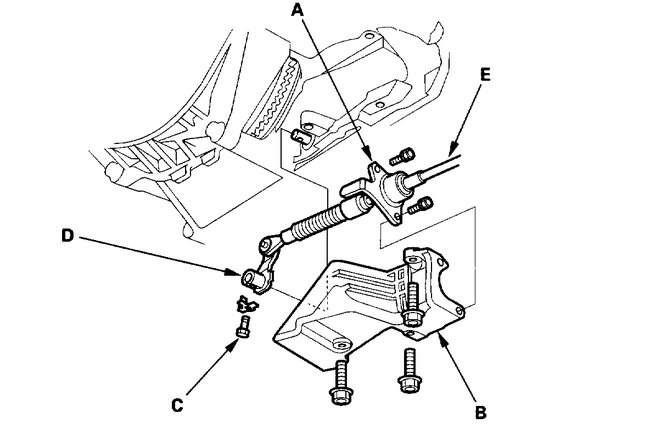
Here are the directions for removal and replacement of the shift cable. I'm adding everything so you can see where it attaches on both ends as well as how it is routed. The attached pictures correlate with the directions.

_____________________

1998 Honda Accord DX Sedan L4-2254cc 2.3L SOHC MFI
Procedures
Vehicle Transmission and Drivetrain Automatic Transmission/Transaxle Shift Linkage Shift Cable Service and Repair Procedures
PROCEDURES
Replacement
1. Raise the front of the vehicle, and make sure it is securely supported.
2. Set the parking brake, and block the rear wheels securely.
3. Shift the transmission into R position.
4. Remove the console panel.


pic 1


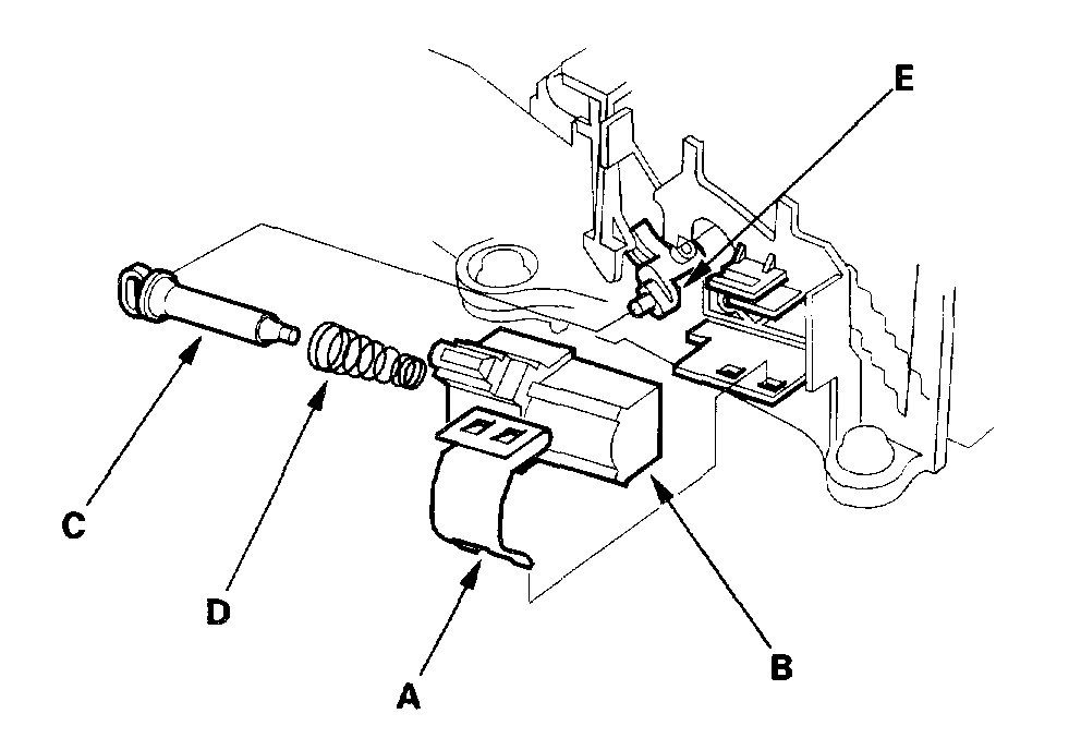
5. Remove the nut securing the shift cable end (A), then separate the shift cable end from the shift lever assembly.


pic 2


6. Rotate the socket holder (A) on the shift cable (B) counterclockwise a quarter turn, then slide the holder to remove the shift cable from the shift lever bracket base (C).

NOTE: Do not remove the shift cable by twisting the shift cable guide pipe (D).

7. Remove the floor heat shield.


pic 3


8. Remove the shift cable guide bracket (A) and grommet (B).


pic 4


9. Remove the bolts securing the shift cable holder (A), then remove the shift cable cover (B).

NOTE: To prevent damage to the control lever joint, remove the bolts securing the shift cable holder before removing the bolts securing the shift cable cover

10. Remove the lock bolt (C) securing the control lever (D), then remove the shift cable (E) with the control lever.
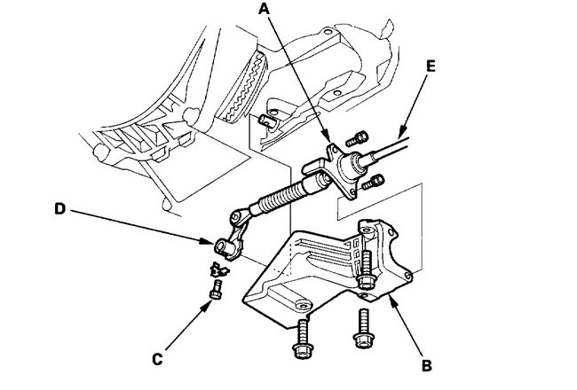
11. Insert the new shift cable through the grommet hole, then install the shift cable guide bracket.
12. Verify that the transmission is in R position on the control shaft.


pic 5


13. Install the control lever (A) with the shift cable (B) on the control shaft (C). Do not bend the shift cable excessively.
14. Install the lock bolt (D) with a new lock washer (E), then bend the lock washer tab against the bolt.
15. Install the shift cable cover (F), then install the shift cable holder (G) on the cover.

NOTE: To prevent damage to the control lever joint, be sure to install the shift cable holder after installing the shift cable cover to the torque converter housing.

16. Install the floor heat shield.
17. Turn the ignition switch ON (II), and verify that the R position indicator light comes on.


pic 6


18. If necessary, push the shift cable until it stops, then release your hand. Pull the shift cable back one step so that the shift position is in R.
19. Turn the ignition switch OFF.


pic 7


20. Insert a 6.0 mm (0.24 inch) pin (A) into the positioning hole (B) on the shift lever bracket base through the positioning hole on the shift lever assembly.


pic 8


21. Rotate the socket holder (A) on the shift cable (B) counterclockwise a quarter turn, then slide the holder onto the shift lever bracket base (C). Install the shift cable end (D) over the mounting stud (E) by aligning its square hole (F) with the square shape (G) at the bottom of the stud. Rotate the holder clockwise a quarter turn to secure the shift cable.

NOTE: Do not install the shift cable by twisting the shift cable guide (H).


pic 9


22. Verify that the shift cable end (A) is properly installed on the mounting stud (B).
23. If not properly installed, remove the shift cable from the shift lever bracket base, and reinstall the shift cable. Do not install the shift cable end on the mounting stud while the shift cable is on the shift cable bracket base.


pic 10


24. Install the tighten the nut.
25. Remove the 6.0 mm (0.24 inch) pin that was installed to hold the shift lever.
26. Move the shift lever to each gear, and verify that the A/T gear position indicator follows the transmission range switch.
27. Start the engine, and check the shift lever operation in all gears.

____________________________________

Let me know if this helps or if you have other questions.

Take care,
Joe


Sep 20, 2019 at 9:01 PM
Avatar
MUSICGENIUS83
  • MEMBER
  • 29 POSTS
Thank you so much for the information in the pictures. just to be clear before I get this started when you say detach the shift cable are you meaning the Ten Pin sensor in my engine that connects to the shift position sensor or the literal cable that's going from my gear shift to the transmission itself? I've seen pictures of it but I've never looked under the car to see the actual cable. I just wanted to make sure that's what you were referring to is the part under the car that's connected to the transmission.
Sep 21, 2019 at 9:22 AM
Advertisement
Avatar
JACOBANDNICKOLAS
  • CERTIFIED EXPERT
  • 110,175 POSTS
Welcome back:

The actual cable. Also, make sure the park brake is secure and I would recommend blocking the wheels to prevent the vehicle from even having a chance of moving.

In this situation, we are trying to determine if the cable is the issue. No electrical components should be unplugged.

Let me know what you find and you are very welcome.

Take care,
Joe
Sep 21, 2019 at 9:58 PM
Avatar
MUSICGENIUS83
  • MEMBER
  • 29 POSTS
Okay so I tried to get the shift cable off of the transmission but I couldn't get under the car far enough to do it my space is limited and I had to go underneath the passenger front tire so I was able to take the outer plate off and I was able to move around the shift cable and I actually moved it back and forth through the gears manually with my hand I replace the plate and inspected the rest of the cable and everything was tight and nothing look rested or torn or loose when I returned to my car and turned it over I went through the gears twice and both times each gear jerked into place pretty hard I turn the car off and let it rest for about 15 minutes and when I start it again I went through the gears twice again and they were back to normal only this time I had a code that I pulled with my scan tool p1705 which I know has to do with the range or neutral switch I went to the engine and unplug the harness and tested pins 1/3 and 10 for continuity and it showed continuity so I knew that wasn't broken I've attached 3 pictures and I wanted to know if you could tell me with this certain gray wire harness why is the only time that I can get in and out of park without forcing it and the only time that I can get my key out of the ignition is when I disconnect this clip and when I reconnect it I have to press really hard to get it in the park again and I still can't get my key out like the computer is not recognizing it I'm at a total loss here thanks for the help so far I hope I can get this problem solved
Sep 22, 2019 at 7:04 PM
Avatar
MUSICGENIUS83
  • MEMBER
  • 29 POSTS
PS.my gear shift can move to every gear and back into gear without having my foot on the brake and without having the key in the ignition I've inspected the cable inside the car that is attached to the gear shift and the cable under the car and they are working fine I can start my car in park and neutral but not in Reverse or drive so I'm finding it hard to understand how the car could be tripping the code for the neutral switch if I've already tested it with a meter and it said it's fine and it's not allowing me to start the car and drive so it seems to be working.
Sep 23, 2019 at 8:17 AM
Avatar
JACOBANDNICKOLAS
  • CERTIFIED EXPERT
  • 110,175 POSTS
Welcome back:

The wiring harness in the pic above appears to be for the park interlock system. With the engine off and your foot off the brake, can you shift from park? I have a feeling that part is the problem.

Let me know.
Sep 23, 2019 at 8:13 PM
Avatar
MUSICGENIUS83
  • MEMBER
  • 29 POSTS
Yes I can, no key, no foot on brake , still can shift to all heard, and disconnecting that is the only way I can get key out, and when I disconnect out harness the tightness of moving it into Park and it popping out of park into neutral doesn't happen when that's not connected there's resistance almost like there's something in the way or there's a spring holding it from going into park smoothly if it's not unplugged.
Sep 23, 2019 at 8:51 PM
Avatar
MUSICGENIUS83
  • MEMBER
  • 29 POSTS
I will attach a couple more pictures from a different viewpoint because I can shift without my foot being on the break or the key in the ignition I have no doubt that the shift interlock solenoid is probably bad but the clip that I'm referring to is going directly into the shift assembly itself it's a four wire clip and two of the wires are red and they lead to the light bulb that illuminates the gears and the other two are black and white and they go directly into the mechanism I guess you would call it the shift assembly you can see black electrical tape around the wires that are leading to the four at the clip.
Sep 23, 2019 at 9:17 PM
Avatar
JACOBANDNICKOLAS
  • CERTIFIED EXPERT
  • 110,175 POSTS
Welcome back:

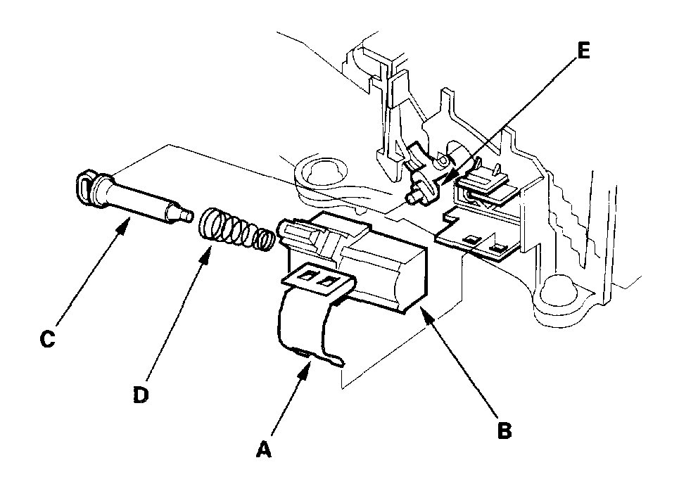
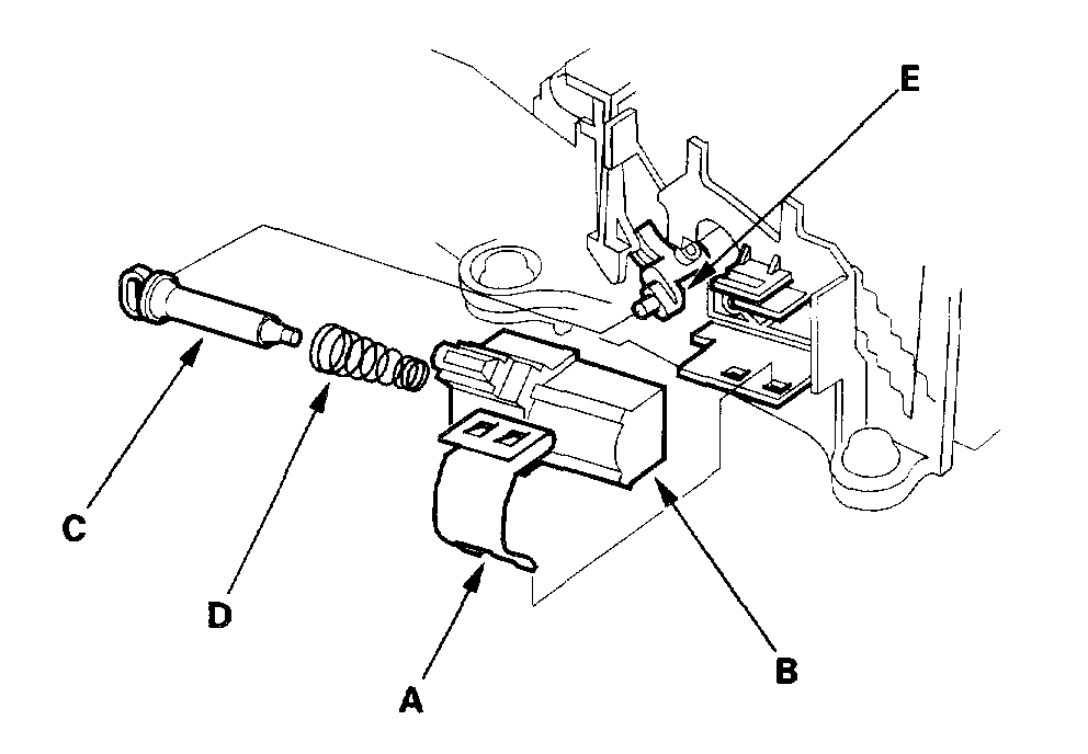
The second pic is a good one of the shift interlock solenoid. I attached a pic below of it as well. Now, I have a feeling that something may have come disconnected with the solenoid, so I want you to remove it and inspect to see if all is properly attached and nothing is broken. Here are the directions for removal and replacement. That solenoid could be causing the increased pressure requirements. The second pic correlates with the directions.

__________________________________

Procedures
Vehicle Powertrain Management Transmission Control Systems Actuators and Solenoids - Transmission and Drivetrain Actuators and Solenoids - A/T Shift Interlock Solenoid Service and Repair Procedures
PROCEDURES
Replacement
1. Remove the center console.
2. Disconnect the shift lock solenoid 2P connector.


pic 2


3. Pry the shift lock solenoid clamp (A) with a screwdriver, then remove the shift lock solenoid (B).
4. Install the shift lock solenoid plunger (C) and plunger spring (D) in the new shift lock solenoid.
5. Install the shift lock solenoid by aligning the joint of the shift lock solenoid with the tip of the shift lock stop (E).
6. Secure the shift lock solenoid with the clamp, then connect the shift lock solenoid connector.

____________________________

Let me know if that helps and what you find.

Joe
Sep 24, 2019 at 6:01 PM
Avatar
MUSICGENIUS83
  • MEMBER
  • 29 POSTS
Hello again, just letting you know that I removed the shift interlock solenoid and there's absolutely nothing wrong with it. I kind of cleaned it up a bit and it has continuity in it and there's nothing wrong with the spring or the pain that moves back and forth it works 100%. I forgot to mention last time that when I have the key in and I put my foot on the brake and take it off the solenoid moves the little white clip back and forth that's for the locking mechanism. so it definitely works but doing some investigation and a lot of cleaning. I found out that there was a loose screw in between the gear shift in the console and so that was where the resistance was coming from when I was trying to put it in the park. so I had solved that problem it moves in and out of park very smoothly and now that I took that screw out the shift interlock solenoid is working and it's locking the gear shift. I can no longer move it out of park without my key in in the foot on the brake. so I believe what it was doing was that when I thought the interlock was faulty. I believe that the gear shift was never truly being moved forward enough to lock the little plastic mechanism so now that I have that problem solved there still a problem of the key staying in the number one position unless I unplug the harness. in the picture that I showed the colors of the wires that are going to my gear shift that connect to that great clip I followed them up into the dashboard in looked inside the steering column and those same two wires look like they're going towards the keyhole. so I'm assuming it's some kind of electrical connection to let the key hole in the ignition switch know that the car is in park so it can release your key. so I'm wondering if it isn't something to do with the ignition switch. once again all the gears are working fine. the interlock solenoid is working fine. I just can't get my key out of the car unless I unhook that clip. sorry for the long message I appreciate your help so far. any ideas?
Sep 30, 2019 at 5:44 PM
Avatar
JACOBANDNICKOLAS
  • CERTIFIED EXPERT
  • 110,175 POSTS
Welcome back:

Okay, there are only a couple things left. The key interlock solenoid / switch needs to be checked. When you push the key into the ignition switch, battery voltage is provided to the key interlock solenoid. If the A/T shift lever is in PARK, the parking pin switch provides ground to the key interlock solenoid, energizing the solenoid and allowing the key be turned to the LOCK position. Here are the directions for testing power to that solenoid. If it is good, then there is an issue with the parking pin switch. Interestingly, it works when you unplug the connector. So at this point, I can't be sure what the cause is. However, I need you to also check the wiring on the pin switch. Make sure nothing is loose. This switch provides ground so if there is no ground, the key won't come out. See the second set of directions for testing the pin lock switch.

Here are the directions, and yes it could be the switch itself.

Key Interlock Solenoid/Switch Test
Vehicle Transmission and Drivetrain Automatic Transmission/Transaxle Shift Interlock Testing and Inspection Component Tests and General Diagnostics Key Interlock Solenoid/Switch Test
KEY INTERLOCK SOLENOID/SWITCH TEST
Test
SRS components are located in this area. Review the SRS component locations, precautions, and procedures in SRS before performing repairs or service.
1. Remove the driver's dashboard lower cover.
2. Disconnect the key switch 7P connector from the steering lock assembly.


pic 1


3. Check for continuity between the No. 5 and No. 7 terminals when the key is pushed, and check for no continuity when the key is released.
4. Check that the key cannot be removed with power connected to the No. 7 terminal and ground connected to the No. 3 terminals.
If the key cannot be removed, the key interlock solenoid is OK. If the key can be removed, replace the steering lock assembly (the key interlock solenoid is not available separately).

__________________________________________________

1998 Honda Accord DX Sedan L4-2254cc 2.3L SOHC MFI
Park Pin Switch Test
Vehicle Transmission and Drivetrain Automatic Transmission/Transaxle Shift Interlock Testing and Inspection Component Tests and General Diagnostics Park Pin Switch Test
PARK PIN SWITCH TEST
Test
1. Remove the center console.


pic 2 and pic 3


2. Disconnect the park pin 4P connector.
3. Shift the shift lever into the P position, then check for continuity between the No. 3 and No. 4 terminals. There should be no continuity.
4. Shift the shift lever out of the P position, and check for continuity between the terminals in step 3. There should be continuity.
5. If the park pin switch is faulty, replace the shift lever bracket base.

NOTE: The park pin switch is not available separately from the shift lever bracket base.



Let me know what you find.

Joe
Sep 30, 2019 at 7:51 PM
Avatar
MUSICGENIUS83
  • MEMBER
  • 29 POSTS
Okay I checked continuity on the Park Pin switch it had continuity on the terminals 3 and 4 when I had it in reverse and when I put it into park it has zero continuity just like your direction said. I'm confused about the ignition lock switch. I have a Haynes book for my 1998 Accord and the Google search images. the ones in my book don't show a 7 pin connector it shows a 5-pin or even a 4. I'll send a picture of it. I know it's the ignition switch because it goes right to the ignition. when I Google ignition lock switch it shows me a picture of this red clip that comes out of the back of the fuse box under the steering wheel. I'm not sure if it's a different one or not and yes I agree that it's surprising and kind of weird that I can get my key in and out just fine when the pin switch isn't connected, but when it is it won't let me kind of a reversal.
Oct 1, 2019 at 2:05 PM
Avatar
JACOBANDNICKOLAS
  • CERTIFIED EXPERT
  • 110,175 POSTS
The only thing Alldata shows is the 7 pin. I double checked. Maybe it has something to do with the production date, but again nothing is indicated. I even went back a year, and 1987 shows an 8 pin connector and 1999 shows a 7 pin connector. The only other thing I can think of is the fact that although the connector is a 7 pin, there are only 5 pins in it. Does that make sense? Looking at you 2nd pic, that is what it appears you have.

Is the one on your vehicle 5 pin?

Let me know.

Joe
Oct 1, 2019 at 5:56 PM
Avatar
MUSICGENIUS83
  • MEMBER
  • 29 POSTS
Yes, I pulled it out and it's definitely the ignition switch clip I'm just not sure where to put the test leads to check it. this is a close picture what it is:
Oct 1, 2019 at 9:29 PM
Avatar
JACOBANDNICKOLAS
  • CERTIFIED EXPERT
  • 110,175 POSTS
Welcome back:
I'm not sure what to say on that set up. I have nothing on it. However, if everything else checks good, the switch must be the issue.

Let me know what you find. I will try to help in any way I can.

Joe
Oct 2, 2019 at 7:08 PM