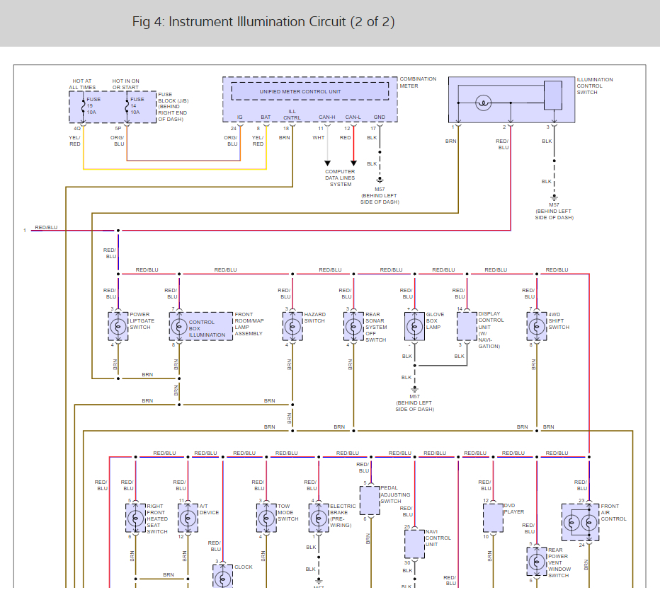
I no longer have back lighting for my shift controller or my heating and air controller system. I want to know if this is a fuse or a light bulb problem? And the simplest way to repair them.
Feb 12, 2018 at 10:10 AM









