Shift lever stuck

1993 CHEVROLET S-10
202,200 MILES • 2.8L • V6 • 2WD • MANUAL
Avatar
CANNON1349
  • CERTIFIED EXPERT
  • 861 POSTS
My friend was coming home one night and said that the truck got stuck in gear. Got the truck home, and up on ramps. Shift lever will not budge a bit. Removed the shift lever, and can see that the offset shift lever inside the transmission is in fifth gear. How would I fix this problem?
Feb 6, 2018 at 5:17 PM
Advertisement
Avatar
STRAILER
  • CERTIFIED EXPERT
  • 53,854 POSTS
Hello,

It sounds like something is broken inside the transmission it will need to be taking apart to see what happened.

Here is a guide to help you see what you are in for when taking the transmission out:

https://www.2carpros.com/articles/transmission-replacement-removal-manual

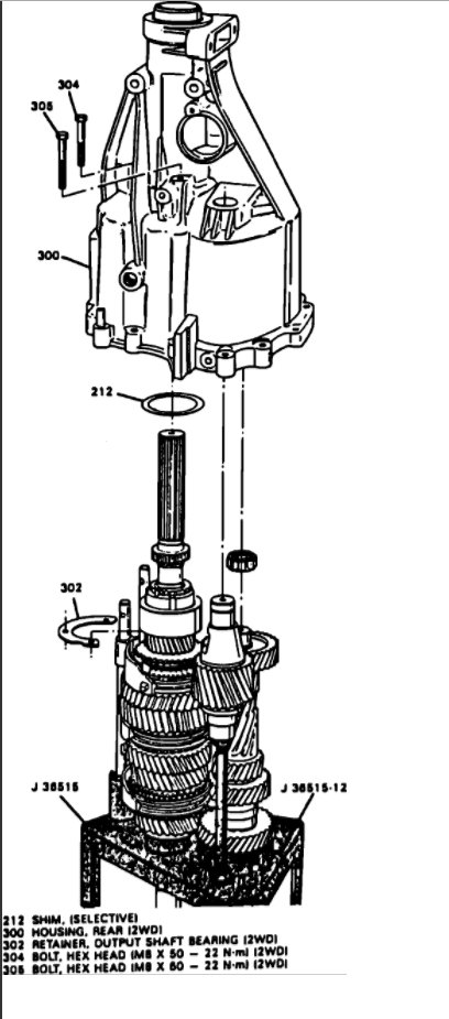
Check out the diagrams (below).

Let us know what happens and please upload pictures or videos of the problem.

Cheers, Ken
Feb 8, 2018 at 10:23 AM
Avatar
CANNON1349
  • CERTIFIED EXPERT
  • 861 POSTS
I drained the trans, since apparently the fluid had never been changed. Of course some gray sludge at the bottom, including where the offset lever is on the shift plate. Will a refill with fresh fluid fix anything (I'm doubtful)? I think I am gonna try to rebuild it, sounds like a great learning experience. Are there any guides for rebuilding this one? Its the only 5-speed manuals they put in these.
Mar 5, 2018 at 5:06 PM
Advertisement
Avatar
STRAILER
  • CERTIFIED EXPERT
  • 53,854 POSTS
I applause your enthusiasm. You will need a full set of tools and have access to a press this guide can help you see.

https://youtu.be/_FzmmBoa4Tg

Here is a full parts explosion and step by step to rebuild the transmission,

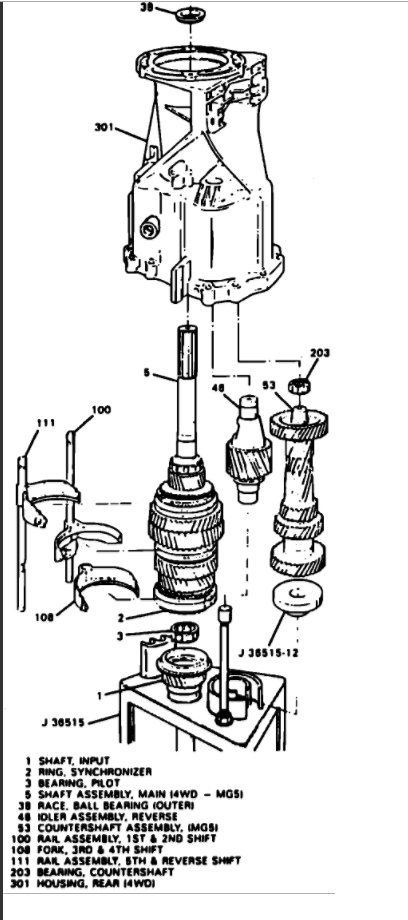
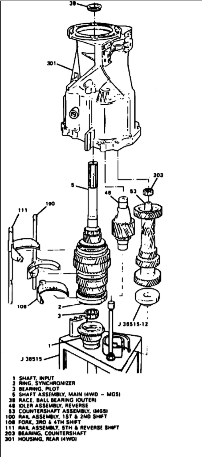
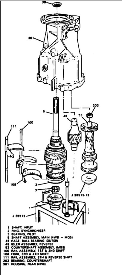
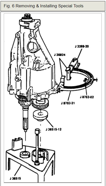
Remove idler shaft support bolt (311) and bottom two bolts. Refer to Figs. 1 through 4 to aid in disassembly and assembly of transmission.
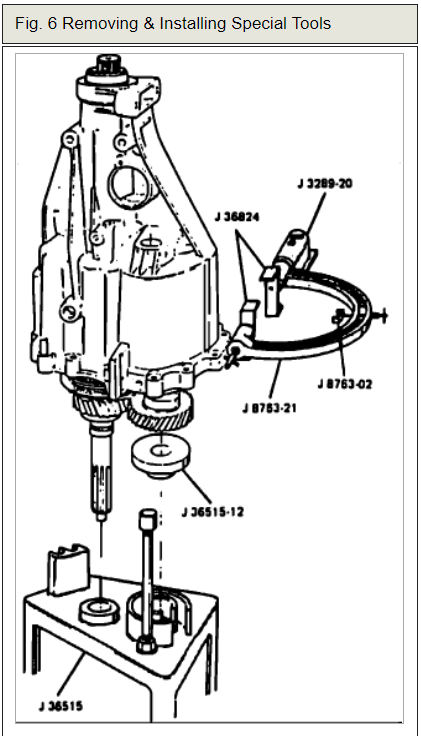
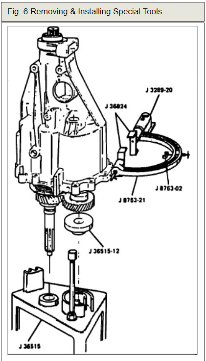
Install holding fixture tools as shown in Fig. 5.
Remove back-up lamp switch assembly.
Remove bolt (317) and electronic speed sensor assembly (314) (2WD models only).
Remove detent plug (245) using plug remover tool No. J-36509 and No. J-23907 or equivalents, then remove spring (244) and plunger (243).
Remove two bolts (236), detent spring cover (325), springs (324) and balls (323).
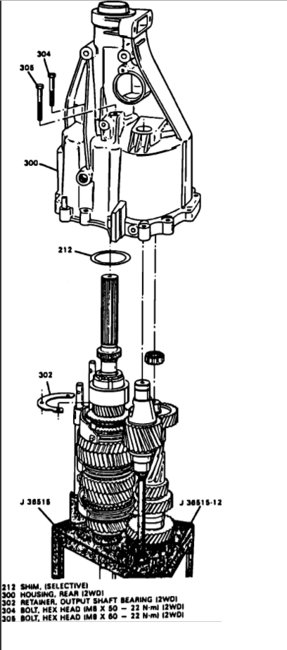
Remove output shaft oil seal (320) on 4WD models using seal remover tool No. J-36825 and No. J-23907 or equivalents. Screw No. J-36825 into one of three perforated holes in seal.
Position unit vertically and remove six bolts (204) and input shaft retainer assembly (205). Save input bearing retainer washer (208).
Remove selective snap ring (210), input shaft spacer (211), ball bearing inner race (215) and shim (212), then position horizontally.
Remove front housing to rear housing bolts (312) and drive dowels (321) from front housing, then remove front housing (200).
Remove countershaft bearing (203).
Remove ball bearing inner race (217) and roller bearing (218).
Remove idler shaft support (310) and four rollers (118), then remove roll pin (120) by pulling shift shaft forward and cocking it to detent cover side. Support shift shaft end while driving out finger roll pin. Slide shaft all the way back and cock over to detent spring cover side.
Remove shift shaft socket assembly roll pin (122). Pin will fall into case. Do not use excessive force as this will "peen" the shift shaft and damage rear housing shift shaft bearing, causing increased shift effort.
Remove shift shaft (116), shift shaft socket assembly (123) and finger (121).
Remove 3rd and 4th shift fork roll pin (107) using large pair of diagonal cutters to pry it out. If roll pin (107) breaks off, place transmission in 3rd gear, cut off remainder of roll pin and drive through.
Remove plug (326) by hitting it on one side, thus cocking it.
Remove 3rd & 4th rail (109) as follows:
Ensure 1-2 and 5-reverse rails are in neutral.
Drive through the plug hole (326) enough to expose roll pin hole (107), then insert punch and pull out shift rail while twisting it.

Check out the diagrams (Below)

Please let us know what you find. We are interested to see what it is.

Cheers, Ken
Mar 6, 2018 at 12:14 PM
Avatar
CANNON1349
  • CERTIFIED EXPERT
  • 861 POSTS
So the drain and fill actually got the lever unstuck, but of course it is extremely hard to shift. I am suspecting a broken shift lever/pad. This is a T5 manual transmission, and the Haynes manual says that I can take out the transmission and leave the bell housing on the vehicle. Is this so? Also, it says nothing about draining the engine oil, should I?
Mar 21, 2018 at 5:31 PM
Avatar
STRAILER
  • CERTIFIED EXPERT
  • 53,854 POSTS
Yes you can leave the bell housing but I would take it off so you can inspect or replace the clutch which makes the transmission work much better. Yes drain the oil, also check the pilot bearing here are guides to help you see what you are in for when doing the job.

https://www.2carpros.com/articles/how-to-replace-a-clutch

and

https://www.2carpros.com/articles/pilot-bearing-replacement

Let us know what happens.

Cheers, Ken
Mar 22, 2018 at 10:16 AM
Avatar
CANNON1349
  • CERTIFIED EXPERT
  • 861 POSTS
So I got the trans out and partially apart. Unfortunately the best case scenario didn't happen, that is having the shift forks broken and only replacing the shift forks. Now I need some help determining the real problem here. The first video I have is spinning the gears and looking closely at them, they look somewhat worn and you can hear the deep sound the gears make when spun. I took off the retainer for the input shaft. The second video shows how loose the input shaft was, and right after that video it just fell off. Maybe the problem is here? The needle bearings (pictured) look kind of beat up, and the shim (pictured) is also bent. I'm open to thoughts and willing to take any pictures.
Mar 28, 2018 at 2:40 PM
Avatar
STRAILER
  • CERTIFIED EXPERT
  • 53,854 POSTS
Fantastic great videos and pics, it looks like you will nee to replace some bearings which will require a press.

You have all the diagrams to get the transmission apart above in this post. Please take a video telling me what the problem is and we will rebuild it step by step.

Mar 28, 2018 at 4:09 PM
Avatar
CANNON1349
  • CERTIFIED EXPERT
  • 861 POSTS
The problem was the shift lever being stuck after getting the vehicle stuck in the snow. Could worn bearings cause that? I see that most rebuild kits for this actually only come with bearings, synchro rings, and shims (maybe). The gears look okay (I guess) from what I can tell.

So, the input shaft is supposed to fall apart like that? Or does the problem stop at the bent shim? I know that since the trans is apart it's easy to say "go ahead" and replace everything, but I'll have to go buy the cheap 7-ton (or 10) press from Harbor Freight if that's the case.
Mar 28, 2018 at 4:17 PM
Avatar
STEVE W.
  • CERTIFIED EXPERT
  • 15,113 POSTS
The input shaft has the bearings inside it and it just slides over the output shaft stub. The shaft is held in place by the bearings on that shaft and the larger tapered bearing that rides in the stub that is bolted to the face of the transmission. The bearings prevent them from turning together but you are going to need to inspect the bearing races machined in the input shaft and on the output shaft very close. Those bearing rollers show signs of water and rust damage. That will easily chew up the races as well.

Being stuck in gear can easily be caused by worn bearings as it allows the shafts to move in relation to each other and if a hand or ? was to hit the shifter at the right moment it could jam the gear into the teeth enough to cause it to stick.

I would price out the kit and any other needed parts (possibly the input and output shafts if they are worn).
Mar 28, 2018 at 6:24 PM
Avatar
CANNON1349
  • CERTIFIED EXPERT
  • 861 POSTS
I found a rebuild kit under $100.00 that would replace only bearings, racers, snap rings, gaskets, etc. But no gears, pins, springs, forks, etc. That would be sufficient?
Mar 28, 2018 at 6:45 PM
Avatar
STEVE W.
  • CERTIFIED EXPERT
  • 15,113 POSTS
That is what most manual transmission kits contain. Then if you needed a different part like a shift fork or an input shaft you buy those as needed because they do not normally need to be replaced.
If they included all the internal parts that could be worn or bad you would be buying a remanufactured transmission, not a rebuild kit.

That is why you go through and examine each part and measure for wear. The rebuild manual on that transmission will give you the measurements, wear points and good/not good numbers for each part.
In 99% of the rebuilds you replace any bearings, gaskets, seals, syncro rings, snap rings, and shims so you can do the job.

One item I do not see on your list is replacing the clutch itself. Unless it has been changed within the past twenty to thirty thousand miles, now is the time to do it as well as the transmission is already out. But that is your choice.
Mar 28, 2018 at 8:04 PM
Avatar
CANNON1349
  • CERTIFIED EXPERT
  • 861 POSTS
Actually the clutch was replaced not too long ago, so it is good. Also, I think I just realized that those bearings in my hand were those that fell out of a worn bearing? Feels like a stupid question.

Are there any recommendations on an affordable press that I can put the shaft on and do the work? Or a way to do it without a press? Harbor freight has an H-frame that looks tall enough.
Mar 28, 2018 at 8:12 PM
Avatar
STEVE W.
  • CERTIFIED EXPERT
  • 15,113 POSTS
Yes, those were most likely the ones that go inside the input shaft and ride on the tip of the output shaft. See item 3 in this picture. When you go to assemble them you coat the inside of the input shaft with grease, place them in there around the bore and slide the two parts together. The grease holds them in place and will dissolve in the lube.

Press wise, it depends on which bearings you are working with. Some will almost fall off, other will make you want a bottle of tequila and a torch! That is one of the "fun" parts of auto repair. I have three presses, a small modified HF 6 ton bench unit, an old 20 ton Dake and a 75 ton Atlas that I think came here on the Mayflower LOL!.
There are days that all three get used, on the same part !

If you doubt you will ever use one again (might be surprised as they can do quite a bit) you might look and see if there is a shop around you that would press things apart and put them back together. Not sure if it would be cheaper but it is a solution.
Mar 28, 2018 at 8:44 PM
Avatar
CANNON1349
  • CERTIFIED EXPERT
  • 861 POSTS
So I got the counter shaft done, no bearings left on that and now I am wondering how to press off the synchros on the output shaft. Also, this transmission has a silver speedometer gear, do I press that off? There are no clips holding it on.
Apr 5, 2018 at 8:03 AM
Avatar
STRAILER
  • CERTIFIED EXPERT
  • 53,854 POSTS
Can you shoot us pictures of what the problem is?
Apr 5, 2018 at 11:21 AM
Avatar
CANNON1349
  • CERTIFIED EXPERT
  • 861 POSTS
I have attached a video of my current roadblock.
Apr 5, 2018 at 2:48 PM
Avatar
STEVE W.
  • CERTIFIED EXPERT
  • 15,113 POSTS
The gear has to come off. Basically half of the pieces come off one end of the shaft and the others come off the opposite end.
Apr 5, 2018 at 5:09 PM
Avatar
CANNON1349
  • CERTIFIED EXPERT
  • 861 POSTS
Right but the question is, how is the speedometer gear pressed off? Do I just pound on it?
Apr 5, 2018 at 5:10 PM
Avatar
STEVE W.
  • CERTIFIED EXPERT
  • 15,113 POSTS
It should press off. Do not pound on anything in that transmission unless you want to replace broken parts. BTDT.
Apr 5, 2018 at 7:50 PM
Avatar
CANNON1349
  • CERTIFIED EXPERT
  • 861 POSTS
So I managed to get the first gear cluster off (third gear I think) and I find that it was so difficult because the fiber part on the synchro was practically glued to the gear. Does this mean the transmission got to hot when they tried to drive it out of the snow? Also the needle rollers were all bunched up. Do I need to get a set of synchros? Where could I find more needle rollers?

Let me know some thoughts.
Apr 6, 2018 at 4:01 PM
Avatar
STEVE W.
  • CERTIFIED EXPERT
  • 15,113 POSTS
That is one worn transmission. It looks like you are also missing bearings. With some of the pictures you have put up you might just want to find a replacement transmission. It might be cheaper than buying all the pieces to rebuild this one. It looks like that unit had water get in it and was not serviced at all.

I would start pricing all the damaged and worn parts and see which would be the better option.
Apr 6, 2018 at 4:12 PM
Avatar
CANNON1349
  • CERTIFIED EXPERT
  • 861 POSTS
So far the money spent is not as much as a replacement transmission from the junkyard. I just received a kit with new synchros. Attached are more pictures of the third gear (I think it is third). I found a chip in it, should I buy a new one?

The rest of the shaft is taken apart, I am ready to rebuild this thing with new bearings, synchros, spacers, clips, gaskets, etc.

I also need to buy some assembly lube.
Apr 13, 2018 at 3:07 PM
Avatar
STEVE W.
  • CERTIFIED EXPERT
  • 15,113 POSTS
Chips are not a good thing on a gear like that. They will chew up the gear they mesh with over time. I would replace it.
Apr 13, 2018 at 3:24 PM
Avatar
CANNON1349
  • CERTIFIED EXPERT
  • 861 POSTS
Any recommendations on chemicals for cleaning the parts and case? I have been using brake cleaner. Anything better or something I do not know about?
Apr 14, 2018 at 9:11 AM
Avatar
STRAILER
  • CERTIFIED EXPERT
  • 53,854 POSTS
I like carburetor cleaner in the can, cheap and gets the job done.
Apr 14, 2018 at 10:14 AM
Avatar
STEVE W.
  • CERTIFIED EXPERT
  • 15,113 POSTS
Yes brake and carburetor cleaner whichever is cheaper on a given day. Paint thinner, diesel fuel or parts washer solvent all work as well but they do not evaporate away easily and can be messy.
Apr 14, 2018 at 2:03 PM
Avatar
CANNON1349
  • CERTIFIED EXPERT
  • 861 POSTS
Attached are some more pictures. While I wait for some things to arrive in the mail, I took apart the shifting rail to clean. The shift finger was a little stubborn to shift because of 1) rust spots on the rail (pictures) or 2) the lugs are stretched, or both. Judging by the pictures of the lugs and shifting finger, what do you think?

Also, pictures is a set of wire-brush wheels for a drill I got for free from Harbor Freight. It says good for "any" surface cleaning job, but would it be ideal for cleaning the rails and/or the mating surfaces on this transmission?

Lastly, I have also pictures the offset shift lever. Some people say that the points wear. I do not think this one is bad but it would not be a surprise if it happened to be.
Apr 14, 2018 at 7:15 PM
Avatar
STEVE W.
  • CERTIFIED EXPERT
  • 15,113 POSTS
Those are simple steel brushes but soft they do not remove rust so much as burnish it pretty. For the mating surfaces use a scraper to just get the old sealant/gasket off. Wire brushes will work but it is easy to gouge the aluminum. Harbor Freight also sells evaporust and fine wet or dry paper. Get some of the 500 and 1000 grit, soak it in water and use that to just polish the surface, you do not want to keep going until the pitting is gone but you want to remove the sharp edges of the pits.
Apr 14, 2018 at 9:39 PM
Avatar
CANNON1349
  • CERTIFIED EXPERT
  • 861 POSTS
Alright guys,

Yesterday my new third gear came in (finally!) and I got the transmission rebuilt and today I put it in the truck.

And....... it shifts beautifully!

I want to thank you guys so much for the help, tips, and support!
Though it did take some time, and most of the time I sat here waiting for packages, I did learn a valuable skill and discipline regarding auto repair.

Again, thanks!
Apr 24, 2018 at 8:57 PM
Avatar
CANNON1349
  • CERTIFIED EXPERT
  • 861 POSTS
Everything shifts normal under normal driving, but the driver says that the engine just "revs" in fifth when he shifted to fifth while taking a turn.

Sounds like they did not press down on the clutch enough, or?
Apr 25, 2018 at 11:41 AM
Avatar
CANNON1349
  • CERTIFIED EXPERT
  • 861 POSTS
Update:

Everything does shift well, but the engine simply revs when in fifth as if it were neutral. There is no grinding, no noise, nothing crazy. Guessing the clutch is going? The clutch is not stock, it is one year old now (no clue on mileage).
Apr 25, 2018 at 4:54 PM
Avatar
STEVE W.
  • CERTIFIED EXPERT
  • 15,113 POSTS
Have him shift it through each gear and floor it. If it is the clutch it will slip worse through each gear. Also, try starting from a stop in each gear. If it is slipping it will show up.
Apr 25, 2018 at 10:32 PM
Avatar
CANNON1349
  • CERTIFIED EXPERT
  • 861 POSTS
Well it's been nearly a year since I've rebuilt this unit and we've been ignoring the fifth gear and doing just fine. Ironically at this year-mark, there is a grinding noise when shifting. Surely these new synchronizer rings aren't acting up already. Maybe it just needs an oil change? It hasn't even been driven 20,000 since the rebuild. I'm going to try to get a video soon.
Mar 28, 2019 at 6:10 AM
Avatar
STEVE W.
  • CERTIFIED EXPERT
  • 15,113 POSTS
That could be a pilot bearing issue or clutch drag that isn't removing all of the torque from the input shaft. The fifth gear issue almost sounds like the gears are not meshing or it is spinning free. If you want to see a lot of repairs on one and maybe get a better answer take a look at the GearBoxVideo channel on YouTube. Paul builds some mean gearboxes.
Mar 28, 2019 at 9:54 AM
Avatar
CANNON1349
  • CERTIFIED EXPERT
  • 861 POSTS
I used his videos to rebuild this transmission a year ago. That's why I'm leaning towards the clutch being the issue. I replaced just about everything in the transmission.
Jul 16, 2019 at 4:59 AM
Avatar
STEVE W.
  • CERTIFIED EXPERT
  • 15,113 POSTS
Could very well be clutch or pilot bearing. both can drag and keep the input shaft spinning.
Jul 16, 2019 at 7:59 AM