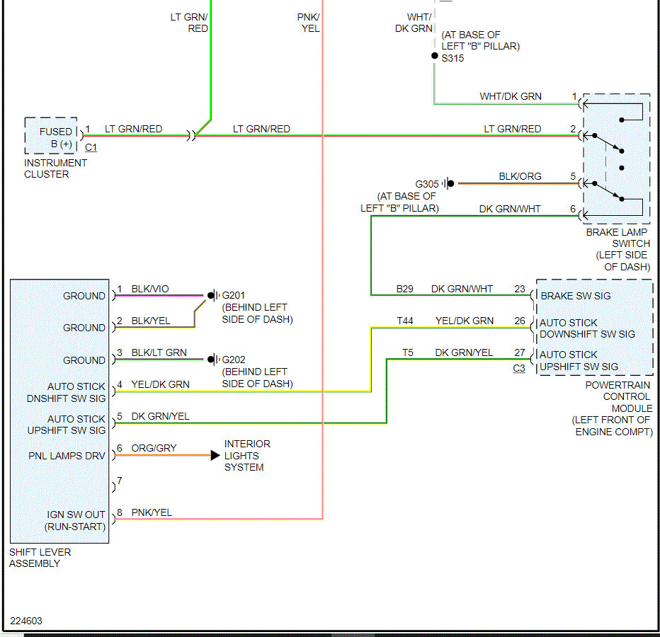
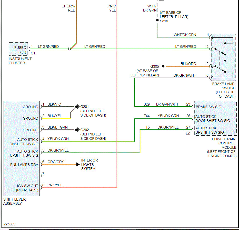
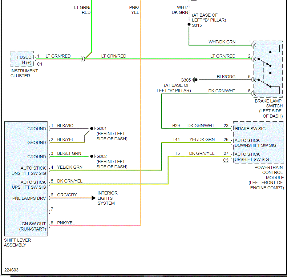
While replacing the shift interlock lever (the vehicle is stuck in park), I had the car running, stupid, I now realize, but didn’t see any harm at the time as it was mostly non electronic items (console, shifter knob, etc). After unplugging the connector for the rear outlet on the center console I attempted to turn the car off, upon seeing other connectors to remove, but the key is stuck! I got everything taken apart and I had to go get the new part so I disconnected the battery cables to prevent ruining the battery cells. After installing the new interlock lever the problem was not resolved, still won’t shift, and the key is still stuck. I took it apart again and found nothing that screams “I’m wrong, fix me!”. Now the center console is completely taken apart and I’m not sure if I messed something up by having the car running while fixing, or if the entire shift assembly will have to be replaced. Any ideas?
Jun 9, 2021 at 11:31 AM







