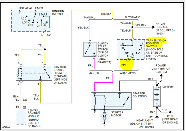
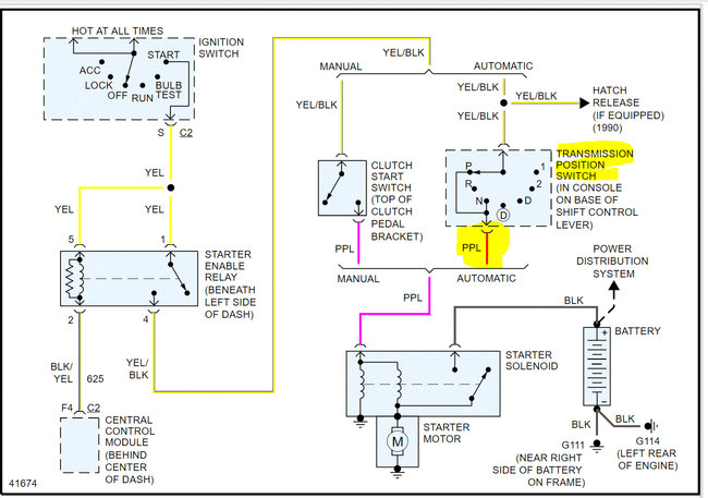
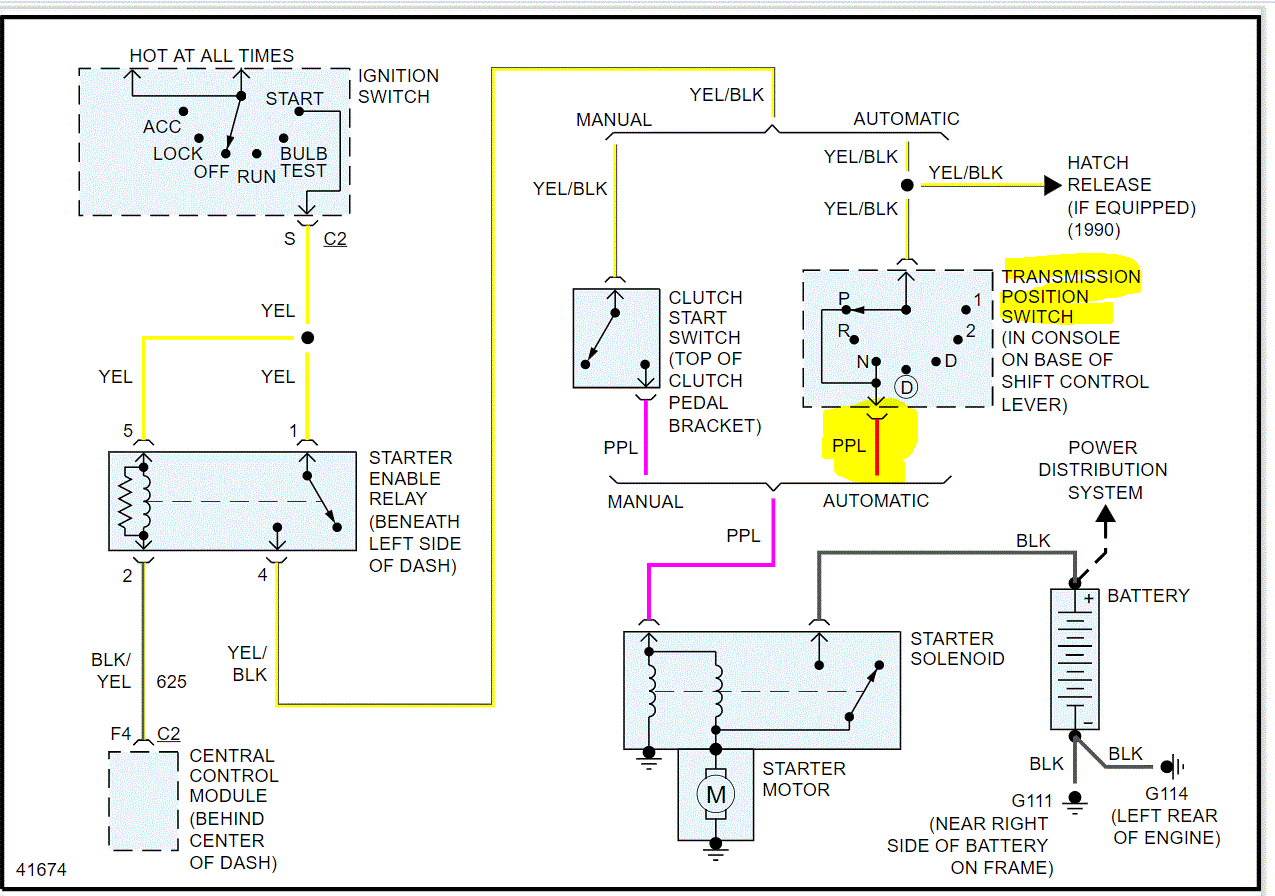
Yes, I have the car listed above ZR1 Corvette and I have replaced everything in it and it cranked a couple times. But it got too cold to work on during the winter months. But one day when I was trying to get it off the ramps I put it in reverse and it popped pretty hard. And every since I did that it wont crank. The dash lights keep reading shift. Which i'm sure relates to the park neutral safety switch and the gear shift linkage. I have checked that and it's fine it shifts just like it's supposed to but it's not registering what gear it is in in order for it to crank. So with that being said do you have any idea what would cause the shift light to come on and no crank no start. If you know of anything that might help me get my beautiful car cranked I will be forever grateful to you sir. Thank you and God Bless. I just want to drive it again it has been over 6 months. And a lot of money on her.
Apr 27, 2021 at 8:22 PM

