Hi,
Place the engine on top dead center (mark on crankshaft pulley). Next, the rotor needs to be pointing at the number one spark plug wire.
Here are the directions for installing the distributor. The attached pics correlate with the directions.
_________________________________
1998 Chevy Truck S10/T10 Blazer 4WD V6-4.3L VIN X
Distributor Installation
Vehicle Engine, Cooling and Exhaust Engine Service and Repair Procedures Engine Overhaul (Unit Repair) Distributor Installation
DISTRIBUTOR INSTALLATION
IMPORTANT: The engine front cover has 2 alignment tabs and the crankshaft balancer has 2 alignment marks (spaced 90 degrees apart) which are used for positioning number 1 piston at top dead center (TDC). With the piston on the compression stroke and at top dead center, the crankshaft balancer alignment mark (1) must align with the engine front cover tab (2) and the crankshaft balancer alignment mark (4) must align with the engine front cover tab (3).
pic 1
1. Rotate the crankshaft balancer clockwise until the alignment marks on the crankshaft balancer are aligned with the tabs on the engine front cover and the number 1 piston is at top dead center of the compression stroke.
pic 2
2. Remove the distributor cap bolts and discard.
3. Remove the distributor cap.
pic 3
4. Install a NEW distributor gasket onto the distributor.
5. Align the indent hole on the driven gear with the paint mark on the distributor housing.
pic 4
6. Ensure that the distributor rotor segment points to the cap hold area.
7. Align the slotted tang in the oil pump driveshaft with the distributor driveshaft.
Rotate the oil pump driveshaft with a screwdriver if necessary.
pic 5
8. Install the distributor and distributor clamp.
The flat in the distributor housing must point toward the front of the engine.
pic 6
9. Once the distributor is fully seated, align the distributor rotor segment with the number 6 pointer (1) that is cast into the distributor base.
If the distributor rotor segment does not come within a few degrees of the number 6 pointer (1), the gear mesh between the distributor and camshaft may be off a tooth or more. Repeat the procedure again in order to achieve proper alignment.
pic 7
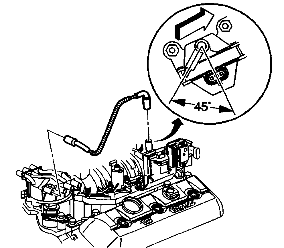
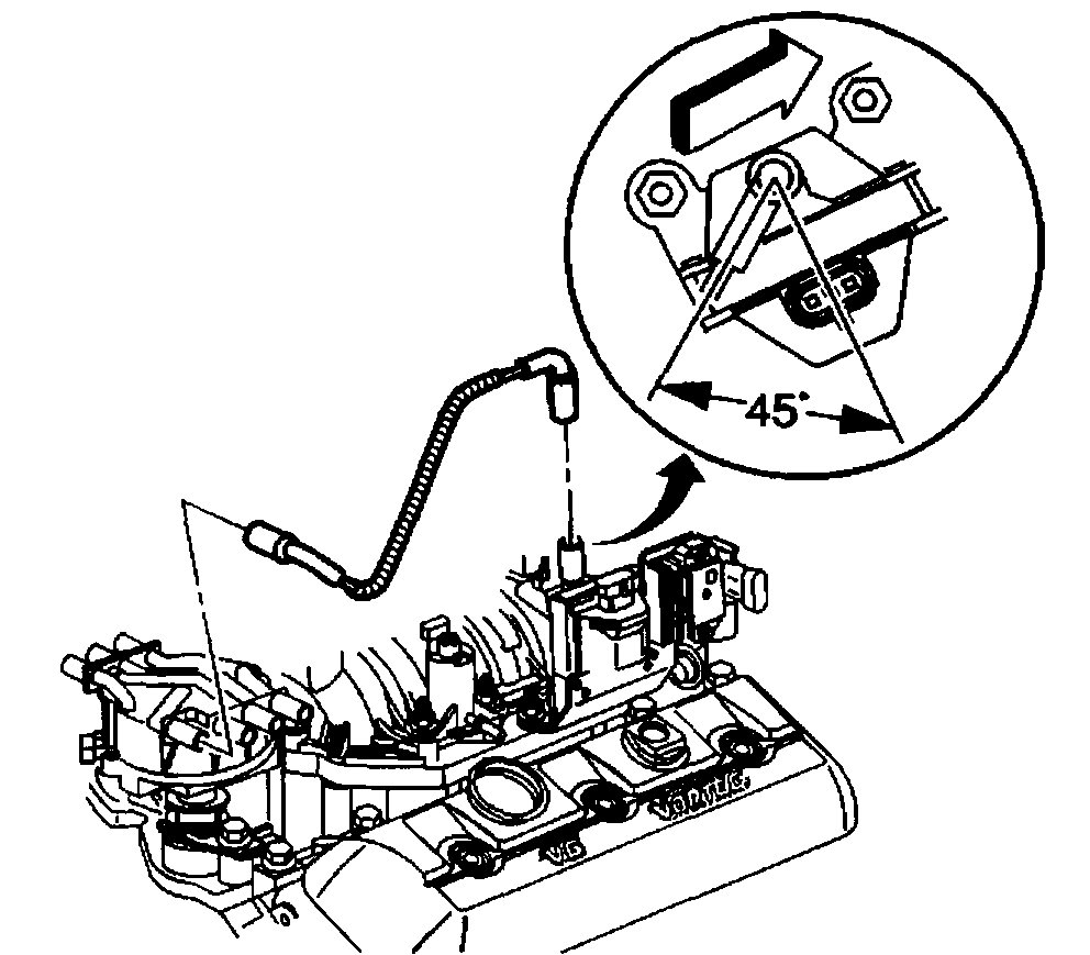
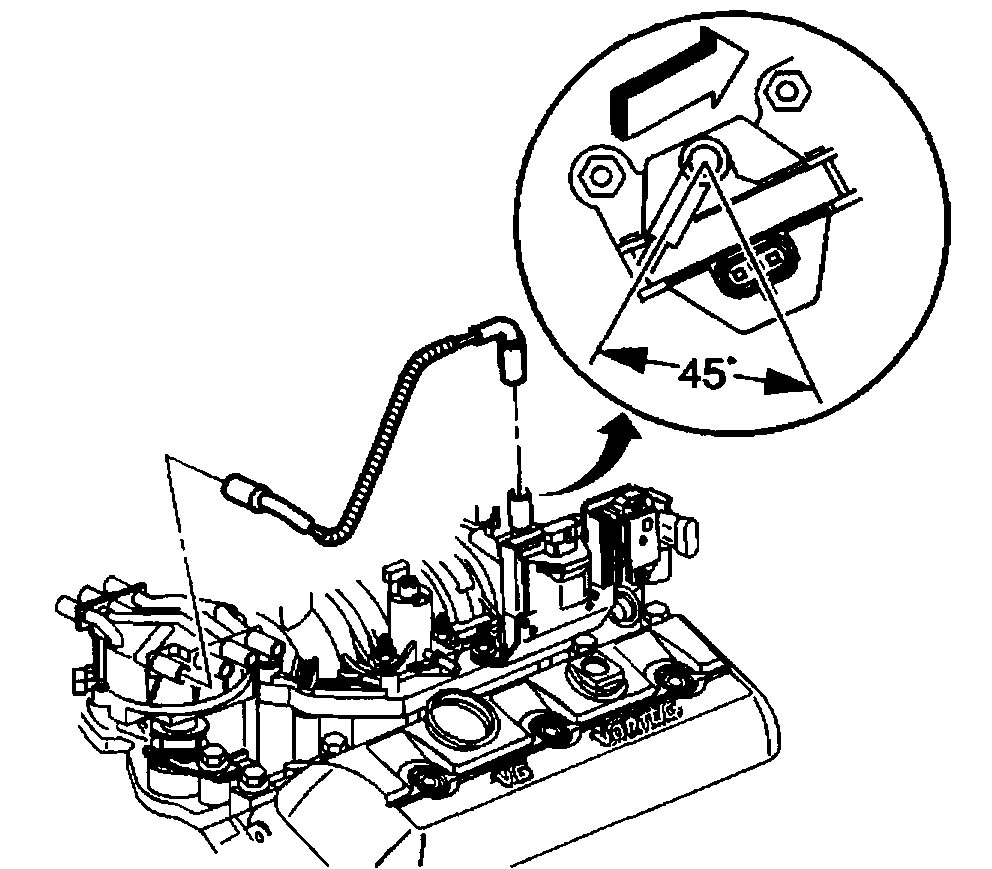
10. Install the distributor clamp bolt.
^ Tighten the distributor clamp bolt to 25 Nm (18 ft. lbs.).
NOTICE: Refer to Fastener Notice in Service Precautions.
pic 8
11. Install the distributor cap and NEW distributor cap bolts.
^ Tighten the distributor cap bolts to 2.4 Nm (21 inch lbs.).
pic 9
12. Install the ignition coil wire harness.
________________________
I hope this helps. Let me know if you have other questions.
Take care,
Joe
Images (Click to enlarge)
Feb 5, 2021 at 8:21 PM