service trailer brake system and abs light on?

2013 CHEVROLET SILVERADO
140,000 MILES • 6.0L • V8 • 4WD • AUTOMATIC
Avatar
LOVIEDREAM
  • MEMBER
  • 1 POST
The service trailer brake system light came on and I need to pull my fifth wheel camper Onstar said code was c0131. Is vehicle safe to drive and pull camper need to drive six hundred miles home?
Apr 4, 2018 at 11:10 AM
Advertisement
Avatar
STRAILER
  • CERTIFIED EXPERT
  • 53,854 POSTS
Hello,

This can be an easy thing or a little more difficult first can you confirm the brake light working all of them?

Next I would confirm all the fuses are good.

https://www.2carpros.com/articles/how-to-check-a-car-fuse

These videos will help as well

https://youtu.be/Pb6nXV-iamI

and

https://youtu.be/rTtAnsOlZU4

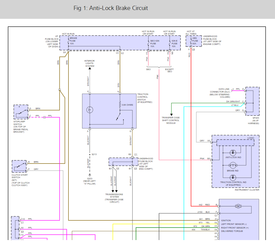
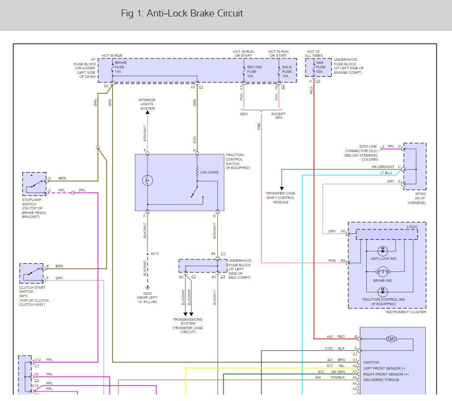
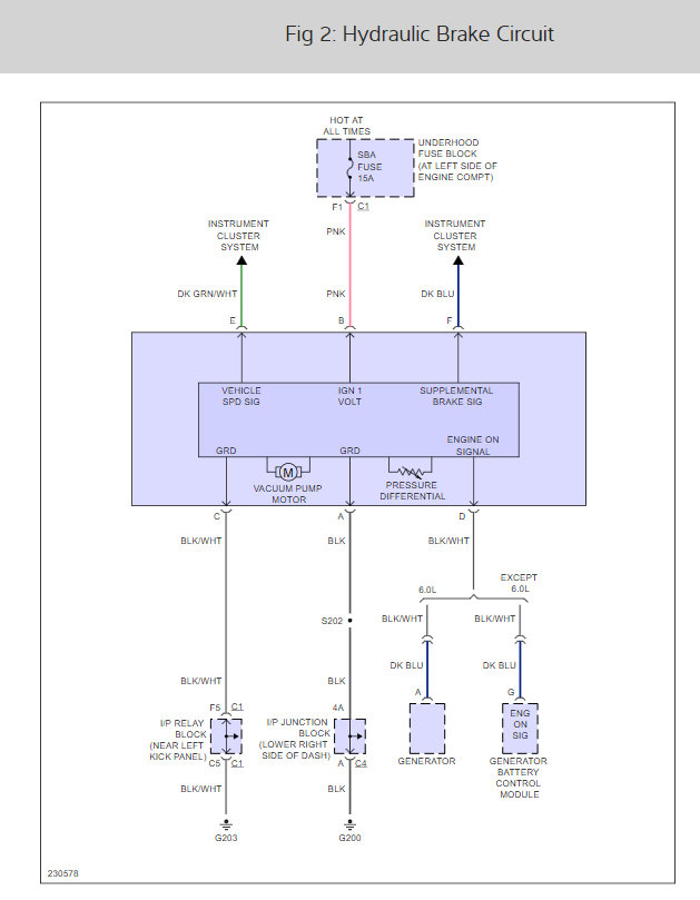
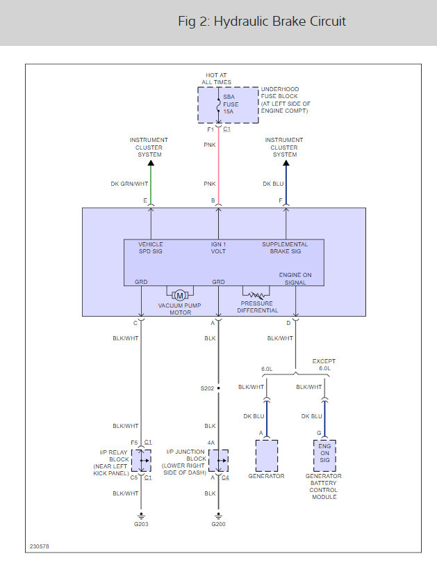
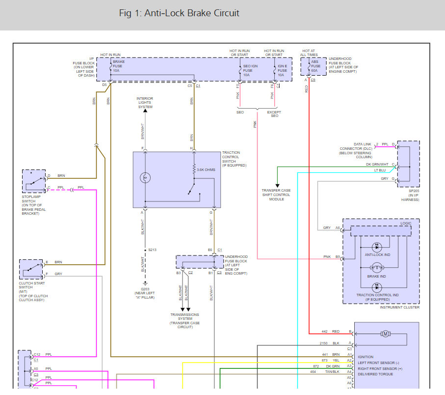
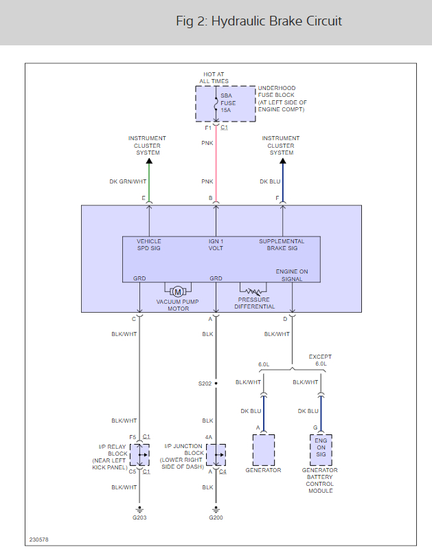
Below is the fuse panel and locations for you. Check out the diagrams (below). Please let us know what you find. We are interested to see what it is.
Apr 5, 2018 at 1:58 PM
Avatar
GARY CLARK SR.
  • MEMBER
  • 4 POSTS
I was driving at highway speed and my dash light (ABS) light came on. About two miles later when I came to a stop my speedometer needle was bouncing from 0 to about 35 while stopped. Upon leaving the stop sign I had first and second gear but no other gears. I have scanned this vehicle and get a C0550 code telling me that I should replace the ABS speed sensor that is located on the tail housing of the transmission. I have done this twice and checked the two wires that end up at the ECU for damage. I changed the transmission oil and filter for the first time ever and found what I would consider very little deposits on the magnets. Upon test driving it again the scanner tells me that I now have code C0550 and that a common repair for this is to replace the ABS control module. I was getting the ABS code about every ten to fifteen miles that I was driving. I can cycle the key to clear it. I experimented with driving in the 3 position instead of D and I was able to go 120 miles with no issues. It appears to me that the issue is related to fourth gear and that something is not reading the speed sensors right, or I have bad sensors or modules. When the code is not present the transmission seems to function properly. If it turns out to be a ABS module, do I need to get it flashed or programmed or is it just a nut and bolt swap?
Sep 2, 2020 at 11:56 AM (Merged)
Advertisement
Avatar
STRAILER
  • CERTIFIED EXPERT
  • 53,854 POSTS
Hello Gary,

This sounds like the ABS control module is out which is common on these trucks. Here is a video of the job being done and a guide to help with any technical information needed:

https://youtu.be/lUotkKXG9dY

and

https://www.2carpros.com/articles/how-to-replace-a-abs-controller

The module should be plug and play.

Please let us know what happens.

Cheers, Ken
Sep 2, 2020 at 11:56 AM (Merged)
Avatar
GARY CLARK SR.
  • MEMBER
  • 4 POSTS
Ken,
I replaced the module with a factory GM module with the exact same part numbers on it. Upon start up I had an ABS light and a brake light. I drove it for a test drive about six miles and I lost all of my gauges as well as the shifting problem returned. I brought it back to the shop and was going to trouble shoot some more and when I tried to start it the truck would not even crank. I put the old module back in and ordered another new one. The second new ABS module allows me to start and drive but the ABS light is on and after a few miles the speedometer starts bouncing again and shifting becomes erratic. The code that I have now is C0569. Are the modules a programmed or learned unit? Am I looking at an ECU module? Suggestions please. The scanner seems to communicate okay with the ECU as I can trigger the ABS pump, check for four gear lock up and shifting patterns okay. Please let me know what you think. Thanks. Gary
Sep 2, 2020 at 11:56 AM (Merged)
Avatar
STRAILER
  • CERTIFIED EXPERT
  • 53,854 POSTS
Hmm, that is weird must be glitch. With a different ABS module so many problems leads me to think either the new unit is defective or the PCM is having problems. I am not sure if the ABS module is plug and play (the last one I did was) so this can be an issue as well. At this point I would do a pin to pin wiring check to make sure we are not battling a connection issue. Here is a guide to help you with that and the ABS wiring diagrams. Make sure power and grounds are all good as well.

https://www.2carpros.com/articles/how-to-check-wiring

Check out the diagrams (below). Please run this test and get back to us.

Cheers, Ken
Sep 2, 2020 at 11:56 AM (Merged)
Avatar
GARY CLARK SR.
  • MEMBER
  • 4 POSTS
Good evening all,
Today I started from scratch. I tested the front L/R ABS sensors and they tested good. and when disconnected gave me a code. The ABS speed sensor tested open in static mode like it is supposed to and has been replaced twice with a new one just to make sure. The ABS brake module has been replaced twice this week to try and insure a properly working unit. I ohmed out the wiring harness from the ABS speed module on the tail housing to the pin connector on the ECM. I disconnected the ground cables (three) of them from the chassis, ground the steel with a grinder and file before reassembly. I have a good circuit from the ECM to the ABS speed module on the transmission. At present I have a steady ABS light and a steady red brake light on. While driving the transmission works fine for about fifteen miles before issues arise. When the issues start, at idle with my foot on the brake, the speedometer will start to bounce from zero to almost seventy mph. If I try to take of while the speedometer is up there the transmission kicks in hard. I have no ABS brake function but the brakes work well with a good pedal. I have current codes of C0569 and C0550. I have tested each and every fuse under the hood and the dash. At this time the truck has had three ABS speed transmission modules and two ABS brake modules. I phoned the local GM dealer and was told that if I purchased an ECM programmed from them that the bill would exceed $1,000.00. I think that about covers what I did today. Thanks for any advice. Gary
Sep 2, 2020 at 11:56 AM (Merged)
Avatar
CHEVYGUY123456789
  • MEMBER
  • 1 POST
Hi, my ABS light just came on today. Once in a while I hear grinding coming from the tire. Replaced wheel bearing month ago so I know it is not that. what could it be?
Sep 2, 2020 at 11:56 AM (Merged)
Avatar
ASEMASTER6371
  • CERTIFIED EXPERT
  • 52,796 POSTS
good morning.

The ABS system is an electronic control system for the brakes that keeps the wheels from locking up under heavy braking so you do not loose control while braking.

when the light comes, there is a fault in the system that is stored in the control unit. a code is stored that will give the techs an area of failure so diagnostics can be performed to determine the failure.

The first thing to do is to have the code checked. a parts store will read the code for you for free. once we know the code, we can narrow the area of failure for you.

https://www.2carpros.com/articles/abs-warning-light-on-easy-repair-guide

Roy
Sep 2, 2020 at 11:56 AM (Merged)
Avatar
STRAILER
  • CERTIFIED EXPERT
  • 53,854 POSTS
It sounds like you have done all you can do. I believe the system needs to be programmed. It should cost about $130.00. I would call around until you find a shop that can do it.

Here is a site that offers the service:

https://www.youtube.com/channel/UCdKyUHzYu-KBR7dPEHhJvRw/

This is what the shop would need.
Sep 2, 2020 at 11:56 AM (Merged)
Avatar
GARY CLARK SR.
  • MEMBER
  • 4 POSTS
Hello to all,
Sorry that it has taken so long to get back to you but I took the truck to the GMC dealer and they had it for four weeks and three days trying to figure this out. The short version of this goes like this. They removed all of my new parts and reinstalled the old ones. Then the first thing that they did was replace my ABS sensor in the transmission again. Then they rewired the transmission ABS speed sensor. Then a Transmission Control Module was replaced and programmed. Then they replaced the left front hub and spindle assembly. Then a new ABS sensor for the left side was replaced. And finally the left side speed sensor was rewired going to the ECM. Finally the abs lights are off. In the end what it appears to have been was bad wires from the left side front speed sensor to the ECM. Did I mention four weeks and three days. At one point I was asked if I wanted the ABS brakes and lights to work as the truck seemed okay with them on. Thanks for your suggestions guys and trying to help me out. G
Sep 2, 2020 at 11:56 AM (Merged)
Avatar
ASEMASTER6371
  • CERTIFIED EXPERT
  • 52,796 POSTS
Good afternoon

The 569 is a configuration error. there is nothing wrong with the module it just has no flashing to tell it what to do.

You need to take your truck to a shop that can flash the ABS module.

once that is done lets see what happens.

Roy
Sep 2, 2020 at 11:56 AM (Merged)
Avatar
DANHANSEN233
  • MEMBER
  • 3 POSTS
ABS and brake light comes on at start up, no codes found, clear light with scan tool, lights stay off until key is cycled, then they come back on. No codes found? Drive cycle test shows all wheel speed sensors working.
Sep 2, 2020 at 11:56 AM (Merged)
Avatar
STRAILER
  • CERTIFIED EXPERT
  • 53,854 POSTS
This can happen if the brake fluid level is low. Can you check it please? Let me know, Cheers, Ken
Sep 2, 2020 at 11:56 AM (Merged)
Avatar
DANHANSEN233
  • MEMBER
  • 3 POSTS
The brake fluid level is fine, my son just purchased the truck. The lights were on when he got it. We installed new pads and rotors for and after.
Sep 2, 2020 at 11:56 AM (Merged)
Avatar
DANHANSEN233
  • MEMBER
  • 3 POSTS
That is Forward and AFT.
Sep 2, 2020 at 11:56 AM (Merged)
Avatar
STRAILER
  • CERTIFIED EXPERT
  • 53,854 POSTS
If the fluid level is okay and the fuses are good then the module must be bad. Here are videos on how to double check for codes and how to change the module out. Also, lets check the fuses before you begin.

ABS scan:

https://youtu.be/rTtAnsOlZU4

ABS Module:

https://youtu.be/lUotkKXG9dY

And how to check a fuse:

https://www.2carpros.com/articles/how-to-check-a-car-fuse

Look at the ABS wiring diagrams to see how the system works and which fuses to check.

Here are the instructions on how to change the ABS module out (below).

Check out the diagrams (below). Please let us know what you find. We are interested to see what it is.
Sep 2, 2020 at 11:56 AM (Merged)
Avatar
HBRAZELL
  • MEMBER
  • 1 POST
Brakes problem
2006 Chevy Silverado V8 Four Wheel Drive Automatic 174k miles

the abs brake light is going on and off-mainly on-when its on theres chatter and movement in the petal and you can feel it in the steering wheel when applying the brakes,-note- both front wheel bearing housings have been replaced recently-6months-1 year.
Sep 2, 2020 at 11:56 AM (Merged)
Avatar
JACOBANDNICKOLAS
  • CERTIFIED EXPERT
  • 110,175 POSTS
Have the computer scanned to determine where the problem is coming from. Something tells me there is a broken or damaged wire to one of the new front hubs which holds the sensors. It could even be a loose plug.

Check that out and let me know what you find.

Joe
Sep 2, 2020 at 11:56 AM (Merged)
Avatar
DOYLE RUSHING
  • MEMBER
  • 3 POSTS
blower motor and cruise stopped working at the same time my anti lock brake light came on at the same time
Sep 2, 2020 at 11:57 AM (Merged)
Avatar
HMAC300
  • CERTIFIED EXPERT
  • 48,601 POSTS
check to see if power is getting to blower at any speed your harness under the dash may have burnt up they are about $100 for harness check fuses under hood and dash for blower. check blower resistor and have scanned tosee what is wrong with abs unit or why it set it off
Sep 2, 2020 at 11:57 AM (Merged)
Avatar
KABAR3529
  • MEMBER
  • 8 POSTS
Replaced the driver side wheel hub assembly along with the wheel sensor. Light is on and off and when I stop ABS engages. It throws a C0035 code as well. Any ideas?
Sep 2, 2020 at 11:57 AM (Merged)
Avatar
ASEMASTER6371
  • CERTIFIED EXPERT
  • 52,796 POSTS
Good afternoon.

Do you have a scan tool to monitor the sensor activity while you are moving?

You will need to use your voltmeter to check the activity of the sensors. I attached possibilities below as well as the flow chart.

It looks like it is a sensor. you have one on each wheel. Check them and the harness carefully. Make sure none of the wheel bearings have any play.

Roy

C0035
Descriptor
Probable Causes
Air Gap Between Wheel Speed Sensor (WSS) and Encoder Ring Excessive
Connections or Wiring Causing Intermittent Condition
Electronic Brake Control Module (EBCM)
Electronic Brake Control Module (EBCM) Harness Connector Poor Connection
Electronic Brake Control Module (EBCM)) Ground, Connections or Circuitry Intermittent Condition
Encoder Ring Teeth Damaged
Harness or Connector Water Intrusion
Wheel Speed Sensor (WSS)
Wheel Speed Sensor (WSS) Circuits Open
Wheel Speed Sensor (WSS) Circuits Short to Ground
Wheel Speed Sensor (WSS) Circuits Short to Voltage
Wheel Speed Sensor (WSS) Circuits Shorted Together
Wheel Speed Sensor (WSS) Harness Connector Poor Connections
Wheel Speed Sensor (WSS) Loose or Mounted Incorrectly
Wheel Speed Sensor (WSS) or Encoder Ring Debris
Wheel Speed Sensor Circuits Water Intrusion
Wheel Speed Sensor Mounting Surface Contaminated

flow chart

DTC C0035 or C0040
Circuit Description
As the wheels spin, each wheel speed sensor produces an AC signal. The electronic brake control module (EBCM) uses the frequency of the AC signals to calculate each wheel speed.

Conditions for Running the DTC
^ The ignition is ON.
^ The vehicle speed is greater than 13 km/h (8 mph).

Conditions for Setting the DTC
Any of the following occurrences may cause the DTC to set.
^ The EBCM detects an open or shorted wheel speed sensor circuit for 500 milliseconds.
^ The EBCM detects the absence of a wheel speed sensor signal for 5 seconds. If more than one absent wheel speed sensor signal is detected, the condition must be present for 120 seconds to set DTC's.
^ The EBCM detects an erratic wheel speed sensor signal for 200 milliseconds.

Action Taken When the DTC Sets
^ The EBCM disables the ABS and may disable the dynamic rear proportion (DRP) if more than one wheel speed sensor DTC is set.
^ The ABS indicator turns ON.
^ The brake warning indicator may turn ON.
The actions above are maintained during subsequent ignition cycles until the EBCM completes a power up self-test. This test concludes when the vehicle achieves a speed greater than 13 km/h (8 mph) and the wheel speeds are verified by the EBCM.

Conditions for Clearing the DTC
The Conditions for Setting the DTC are no longer present and you use the scan tool Clear DTC's function.

Diagnostic Aids
Thoroughly inspect connections or circuitry that may cause an intermittent malfunction. Refer to Testing for Intermittent Conditions and Poor Connections, Connector Repairs, Testing for Electrical Intermittent and to Wiring Repairs . See: Vehicle > Component Tests and General Diagnostics
If the customer's concern is that the ABS indicator is on only during humid conditions such as rain, snow, or vehicle wash, thoroughly inspect the wheel speed sensor circuits for signs of water intrusion. Use the following procedure in order to help isolate the problem area:

1. Spray the suspected area with a 5 percent salt water solution.
2. Operate the vehicle at a speed greater than 13 km/h (8 mph) for at least 30 seconds. Repair or replace the suspect harness if the DTC sets.
Sep 2, 2020 at 11:57 AM (Merged)
Avatar
KABAR3529
  • MEMBER
  • 8 POSTS
Thanks, I do not have a scan tool to monitor the sensor activity. I will check the other stuff later today.
Sep 2, 2020 at 11:57 AM (Merged)
Avatar
ASEMASTER6371
  • CERTIFIED EXPERT
  • 52,796 POSTS
Sounds like a plan. Keep me updated.

Roy
Sep 2, 2020 at 11:57 AM (Merged)
Avatar
KABAR3529
  • MEMBER
  • 8 POSTS
Mounted correctly, ohms reading on wheel sensor 10.43, mA 0.35 or as fast as I turn the hub. Does not look like any wires are messed up, it worked prior too as well. Still lost.
Sep 2, 2020 at 11:57 AM (Merged)
Avatar
KABAR3529
  • MEMBER
  • 8 POSTS
Ohms on the wiring harness is 17.16.
Sep 2, 2020 at 11:57 AM (Merged)
Avatar
CHEMNTICS
  • MEMBER
  • 1 POST
Car display reads service brake system parking brake light and ABS light all display cannot move forward. When you try to drive forward nasty grinding noise. Parking brake seems to be loose.
Sep 2, 2020 at 11:57 AM (Merged)
Avatar
ASEMASTER6371
  • CERTIFIED EXPERT
  • 52,796 POSTS
The resistance of the sensors should be 800-1100 ohms.

You need to check for ac voltage. They are voltage generators and produce ac voltage.

What happened to the scan tool that will monitor the sensors while driving?

Roy
Sep 2, 2020 at 11:57 AM (Merged)
Avatar
STRAILER
  • CERTIFIED EXPERT
  • 53,854 POSTS
Hello,

It sounds like something brake or is worn in the parking brake system of the truck. here is a guide and diagrams to help you see whats going on:

https://www.2carpros.com/articles/parking-brake-shoe-replacement

Please run down this guide and report back. Can you please shoot a quick video with your phone so we can see what's going on? that would be great. You can upload it here with your response.
Sep 2, 2020 at 11:57 AM (Merged)
Avatar
ASEMASTER6371
  • CERTIFIED EXPERT
  • 52,796 POSTS
I am sorry, I see you said you did not have a scan tool.

Check the sensors again and recheck ac voltage and ohms.

Roy
Sep 2, 2020 at 11:57 AM (Merged)
Avatar
KABAR3529
  • MEMBER
  • 8 POSTS
I will have to borrow my friends tomorrow and see. I did check for ac volts it shows it giving off a reading.
Sep 2, 2020 at 11:57 AM (Merged)
Avatar
ASEMASTER6371
  • CERTIFIED EXPERT
  • 52,796 POSTS
Okay, that will tell us which sensor is causing the issue when the light shows.

Roy
Sep 2, 2020 at 11:57 AM (Merged)
Avatar
KABAR3529
  • MEMBER
  • 8 POSTS
Volts AC was 0.008/ ohms was 1038.
Sep 2, 2020 at 11:57 AM (Merged)
Avatar
KABAR3529
  • MEMBER
  • 8 POSTS
Last time I connected it was the drivers side.
Sep 2, 2020 at 11:57 AM (Merged)
Avatar
ASEMASTER6371
  • CERTIFIED EXPERT
  • 52,796 POSTS
Okay, then lets see if it is still showing that side when you get the scan tool. If it does, then the harness needs to be checked to see if there are any fraying or bad wiring.

Roy
Sep 2, 2020 at 11:57 AM (Merged)
Avatar
KABAR3529
  • MEMBER
  • 8 POSTS
Okay, thanks.
Sep 2, 2020 at 11:57 AM (Merged)
Avatar
ASEMASTER6371
  • CERTIFIED EXPERT
  • 52,796 POSTS
You are welcome.

Always glad to help.
Sep 2, 2020 at 11:57 AM (Merged)
Avatar
GGHANK
  • MEMBER
  • 1 POST
Just try to figure this 1 out. Truck starts then immediately dies. When I shut the ignition off some of the gage lights stay on. ABS light, battery light, pssenger airbag on/off light. Had to remove the starter relay. buzzing.
Already changed the ignition switch. along with other electronic parts. PCM, BCM.
Sep 2, 2020 at 11:57 AM (Merged)
Avatar
JACOBANDNICKOLAS
  • CERTIFIED EXPERT
  • 110,175 POSTS
It sounds like a short to power that is back feeding when the key is off and turning the lights on. Now, where do we start. Try this... with the key off (and the lights staying on) remove one fuse at a time to see if there is one that shuts the lights. By doing this, we may be able to locate the circuit which is causing the issue. Also, check to make sure there is no damage to the wiring under the hood in the main fuse/relay box. Make sure none of the pins where things push in are damaged, melted, pushed out...

Let me know what you find.
Sep 2, 2020 at 11:57 AM (Merged)