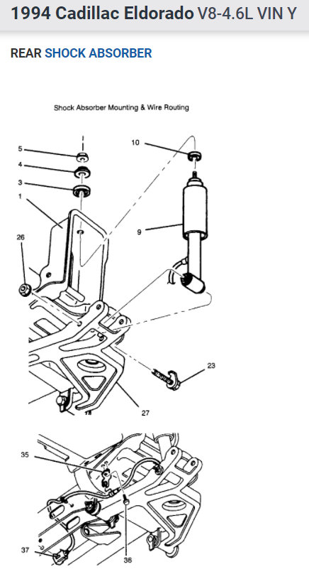
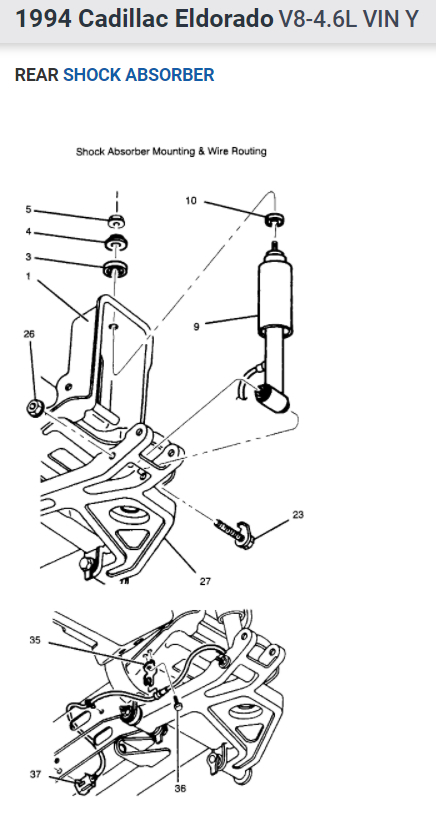
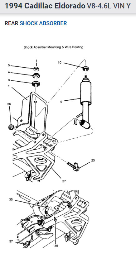
9 times out of 10 his happens when the rear shock go out and cannot hold air pressure which causes the pump to run and then time out. Here are instructions on how to change the shocks out in the diagrams below. Check out the diagrams (below). Let us know what happens and please upload pictures or videos of the problem.
Images (Click to enlarge)
Jan 19, 2021 at 6:05 PM