Service engine light

2004 MITSUBISHI LANCER SPORTBACK
195,000 MILES • 2.4L • 4 CYL • 2WD • AUTOMATIC
Avatar
RCROZZI
  • MEMBER
  • 4 POSTS
I just installed an underdrive pulley on my car listed above ralliart 2.4l,works beautiful for a day. now, the first turn of key to start car just clicks (like a drained battery) back it off and 2nd turn starts it no problem. Now Service engine light is on for the first time in cars lifetime. Battery stores 12.75 volts, 13.45 volts while running, leading me to believe it is not the alternator or battery. Help us appreciated.
Jan 24, 2021 at 3:16 PM
Advertisement
Avatar
ASEMASTER6371
  • CERTIFIED EXPERT
  • 52,796 POSTS
Good evening,

Can you give me the code number?

https://www.2carpros.com/articles/checking-a-service-engine-soon-or-check-engine-light-on-or-flashing

The charge rate is low on the alternator. It should be 14 to 14.5 volts. Make sure the belt is tight.

https://www.2carpros.com/articles/how-to-check-a-car-alternator

https://www.2carpros.com/articles/how-to-replace-an-alternator

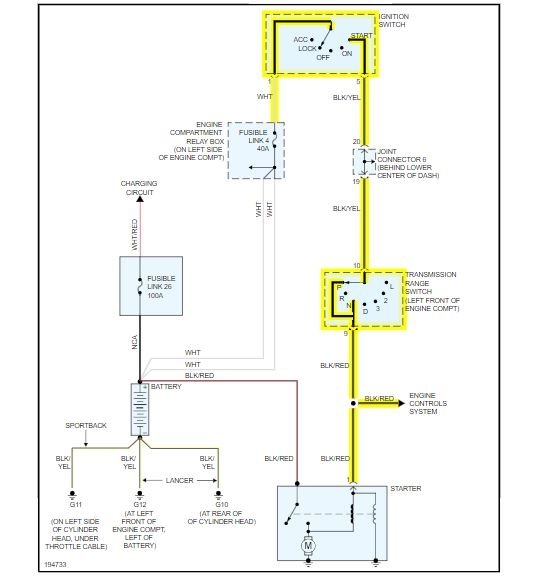
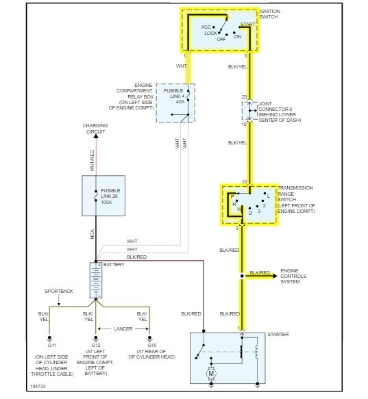
I attached a diagram for both the alternator and the starter. Check the voltage at the starter solenoid when you first try and start.

https://www.2carpros.com/articles/how-to-check-wiring

https://www.2carpros.com/articles/how-to-check-a-car-fuse

Roy
Jan 24, 2021 at 5:25 PM
Avatar
RCROZZI
  • MEMBER
  • 4 POSTS
Thanks.

I hooked up an OBD, and got a code "crank position sensor" which is weird because all I did was change out the lower belt pulley and installed new belt. Never removed timing cover, never touched sensor. I cleared the code and now it starts fine, I will find out tomorrow morning when I commute to work if it is indeed fixed.
Jan 25, 2021 at 11:28 AM
Advertisement
Avatar
ASEMASTER6371
  • CERTIFIED EXPERT
  • 52,796 POSTS
Okay, if you still have the issue, send me the code number so I can help.

https://www.2carpros.com/articles/how-a-crank-shaft-angle-sensor-works

https://www.2carpros.com/articles/crankshaft-angle-sensor-replacement

Roy
Jan 25, 2021 at 11:37 AM
Avatar
RCROZZI
  • MEMBER
  • 4 POSTS
Thank you Roy, do you have time for an additional issue? All was good until today, just driving along and all of a sudden the Battery, Anti-lock, and park brake dash warning light came on, and stayed in while above 2,000 RPMs, as soon as I came to stoplight, they went out, accelerated up past 2,000 RPMs and they came back on, so frustrated, as this car has been outstanding since 2004, and 197,000 miles.
Feb 14, 2021 at 1:37 PM
Avatar
ASEMASTER6371
  • CERTIFIED EXPERT
  • 52,796 POSTS
We can only deal with one issue per question.

Please start a new question from the beginning and I would be glad to help.

Roy
Feb 14, 2021 at 1:39 PM